Become a MacRumors Supporter for $50/year with no ads, ability to filter front page stories, and private forums.
Hold up .... my SOIC8 clip has 10 wires and the clip head has only 8 connection lines, the last two ( probably CS and what ever is opposite CS ) are cut.
 
Last edited:
here ... took the chip out, put it on this board with pins that came with the clip ... not sure if i put it right

so i ran the lines 1-8 like in the picture here and told me there was no chip detected, so i ran them opposite 9-1 and it tells me now that it sees it and does not support it but it gives me now JEDEC ( 7F FFFF ) can i use this info to put custom SPI settings to access the chip ?
 

Attachments

  • resized.jpg
    resized.jpg
    235 KB · Views: 288
Last edited:
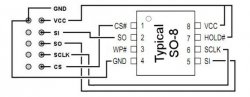
i used the pinout settings from the instruction manual from BlackCatUSB

and here is pictures of what it looks like in reality just in case i am retared
 

Attachments

  • PINS.jpg
    PINS.jpg
    48.2 KB · Views: 341
  • IMG_0180 (800x600).jpg
    IMG_0180 (800x600).jpg
    250.1 KB · Views: 276
  • IMG_0181 (633x800).jpg
    IMG_0181 (633x800).jpg
    191.5 KB · Views: 241
  • IMG_0183 (800x757).jpg
    IMG_0183 (800x757).jpg
    331.9 KB · Views: 245
here is the program screens ... let me see if i can match the SPI settings from the data sheet
 

Attachments

  • 7F FFF.png
    7F FFF.png
    33 KB · Views: 288
  • SPI settings.jpg
    SPI settings.jpg
    69.4 KB · Views: 259
I only clicked the custom setting for SPI and tried to access the chip with them and this is what i got now.

but all i get in the READ / WRITE screen is 1F 1F 1F 1F 1F all the way down .... is this just a fluke because i used customs settings but there is nothing there ?

i noticed that the JEDEC is back to 00 0000

:-(
 

Attachments

  • FOUND CHIP.jpg
    FOUND CHIP.jpg
    49.9 KB · Views: 239
  • 1f1f1f1f1.jpg
    1f1f1f1f1.jpg
    127.6 KB · Views: 283
i closed the program and the JEDEC is now 7F 7F7F .... what is the JEDEC ? i thought maybe it was some sort of identifier but looks like it is not.
 
Register on MacRumors! This sidebar will go away, and you'll see fewer ads.