Become a MacRumors Supporter for $50/year with no ads, ability to filter front page stories, and private forums.
Many thanks. This is very confusing as you rightly put that this can only be used as reference.

I was only able to further confirm L2, D1 and D2 on the schematic. But L2 seems to have only 3 pins..I cant find the 4th pin poking through the board on the other side.. hm?

Still no idea of where D3 is, it seems to be connected to the ground on both ends[diode mode would beep against ground from both ends]




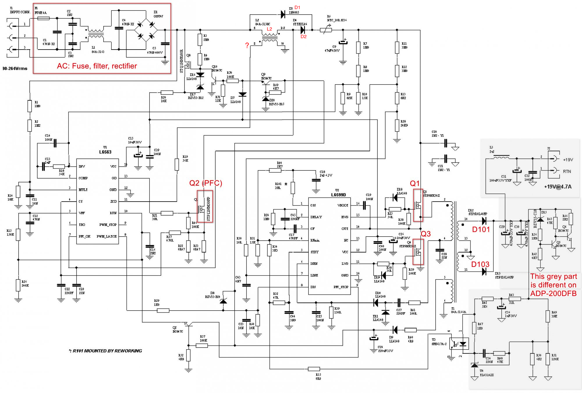
L6599 application example marked.png
 
Last edited:
Post a close up of the component side around D3, with good lighting. Maybe something can be seen. Also the top PCB tracks around D3, if there are any.
 
hm....so I put the fuse back and plugged the AC [without touching PS_ON] and I actually saw some sparks [glowing on and off] on the left side of the chip DAP017A in the picture [not exactly sure which pins]...I found the pinout of DAP017A which seems to be very similar if not identical to NCP1605 [STBY = Skip_Adj?, STDWN=OVPdelay?]

DAP017-pinout.jpeg
NCP1605_pinout.png


Then I removed the AC immediately and also measured the voltage across the big capacitor, at the time it was on something like 290v or so and then dropping slowly....[I dont know if it went higher before because I cut off the ac when I saw the sparks]

There is no voltage across the 3 output larger caps...

I am going to order the DAP017A chip[I am comfortable replacing it with hotair station], is there anything else that I could check now? Should I remove it and then check the nearby components somehow?

I suppose it could be bad elsewhere too right? I suspect if I just replace the chip now it will just get killed again?



sparks.png
 

Attachments

  • NCP1605.pdf
    750.9 KB · Views: 371
Last edited:
1647177094195.png


The NCP1605 has 3 connections to high voltage.

Pin 2, BO (brown-out), is a high-impedance input (ehich means there basically isn't any current flow). You have a series of high ohmic resistors plus one to GND (R71 in above schematic) which form a voltage divider.
The 1M8 resistors are R37, R38 and R39 (I only see 3). As resistors normally go high ohmic if they are faulty, the fault is likely not here.

Pin 5 is CSIN (current sense input). This pin has low(er) ohmic resistors to "-" of the high voltage. The input impedance is supposed to be high, but could be faulty. Check the values of the resistors if possible (R44 and R45 above; probably R40 and R49 in your supply).

Pin 16 is HV (high voltage). This is the main power feed for the IC, which could indeed be blown. Via this pin, the capacitors (C41 + C42 in the pic above) on pin 11 are charged. It is also possible that C41 is shorted. It's one of the brown ceramic capacitors.
Hard to tell which one, as I can't see the PCB traces.
BUT: it is in parallel with a polarized electrolytic capacitor, 220 uF/25V or similar.
So this should be seen on the component side. Maybe C46, maybe another. Seach all the electrolytic ones in the area of the NCP1605, and measure ohm.
1647178906502.png

At first, you will see low resistance, then rising. This is when the capacitor charges. That behavior is ok.
But if you see close to 0 Ohm and remaining there, then one of the ceramic capacitors is shorted and you need to find it by checking which one is in parallel.
Since there are only a few ceramic capacitors, you could simply check them all.

These would, in my opinion, be the one external components that could cause death of the NCP1605.

So replacing the IC should fix the issue if no capacitors are shorted.
 
Thanks! I have measured and can confirm the component marked in RED.

For C42, if I use meter on ohm mode at 200K setting, I can only see it stable at 42 and it isnt moving..

For Pin 16 HV, the circuit seems to be quite different and more complicated.. it is connected to GND via C63 and also to D31 and D32 on the component side and then I dont know where it goes...

Pin 13 seems to be quite different too, would that because on the DA017A it is marked as OVPDelay but on NCP1605 it is marked as STDWN (shutdown)?! Pin 13 is connected to GND via C37 and also to Q39...

I checked all the little brown resistors around the IC and they seems to be OK...

The place where I usually order stuff only has NCP1605 so I ordered it instead of DA017A.. am I going to have trouble?

1647177094195.png
 
Last edited:
For C42, if I use meter on ohm mode at 200K setting, I can only see it stable at 42 and it isnt moving..
This is possible. In the schematic above, there is R69/R74 resistors which are basically in parallel to the capacitor, which probably affects your measurement. As long as you don't measure a short, it's ok.
For Pin 16 HV, the circuit seems to be quite different and more complicated.. it is connected to GND via C63 and also to D31 and D32 on the component side and then I dont know where it goes...
If you have a capacitor to GND, that's fine. It buffers the voltage supplied to the IC.
D31 and D32 should then go to the high voltage (the 300V-400V cap, + side).
You can also occasionally find that for the NCP1605. This is to avoid a negative voltage on HV in reference to VCC. VCC pin has the capacitor, and if this is still charged but the 300V capacitor (for some reason) isn't, then you would have a negative voltage between HV and VCC which apparently could damage the internals. So I am confident this isn't to worry about.

Pin 13 seems to be quite different too, would that because on the DA017A it is marked as OVPDelay but on NCP1605 it is marked as STDWN (shutdown)?! Pin 13 is connected to GND via C37 and also to Q39...

I found the pinout of DAP017A which seems to be very similar if not identical to NCP1605 [STBY = Skip_Adj?, STDWN=OVPdelay?]

DAP017-pinout.jpeg
NCP1605_pinout.png

The place where I usually order stuff only has NCP1605 so I ordered it instead of DA017A.. am I going to have trouble?
To the above 3 points, they all go back to the question: Is DAP017A same as NCP1605?

The web does not give anything on DAP017/DAP017A/DAP017AH. The schematic provided by one guy in the web is from DAP011, so not exactly applicable.
Let us look at the Pins first.
As you noted, only Pin 1 and Pin 13 are different. The rest carries the same designation.
So can we conclude the other pins the same? Can we conclude these ICs do the same?

Let us look whether we can answer that.
It is also possible that DAP017A and NCP1605 are totally different products. But they are used at the same spot, with the same function (power factor correction). LiteOn, who designed some if not all of Apples power supplies, have very similar designs among all their supplies. Compared to the ADP-310AF from the 27" iMac, the design is of the primary is nearly identical.

Another point, which however does not relate to the function of the chip: On Semiconductor who owned DAP017A (and NCP1605), went through several acquisitions during that time. It is possible that the DAP017A came from one of these acquisitions, and the naming scheme was then changed to NCP1605 to be in line with other products.

Let us look at the pin 1 and 13.
Pin 1: Skip_adjust. If you read up on NCP1605, you can read that Standby skips cycles in low demand mode. Skip_adjust sounds as if this performs the same function.
"The NCP1605 automatically skips switching cycles when the power demand drops below a given level. This is accomplished by monitoring the Pin 1 voltage that must receive a voltage below 300 mV in light load conditions.
Practically, a portion of the feedback signal of the downstream converter (or some other signal able to indicate that the power demand is low) should be applied to Pin 1."
I'm fairly confident that the pins do the same. At least, both are input pins. So electrically, this shouldn't cause damage, but it is possible that the internal electronics are indeed different. So it is possible that NCP1605 does not work.

Pin 13: OVPdelay versus STDWN.
From NCP1605:
"Apply a voltage higher than 2.5 V on Pin 13 to permanently shutdown the circuit. This pin can be used to monitor the voltage across a thermistor in order to protect the application from an excessive heating and/or to detect an overvoltage condition.
To resume operation, it is necessary to decrease the circuit V CC below V CC RST (4 V typically) by for instance, unplugging the PFC stage and replugging it after V CC is discharged."

OVPdelay (overvoltage delay) sounds different to such description, but I can't imagine what a delay would have to do with overvoltage. Maybe delay a switch-off if there is overvoltage? I don't know.
It is possible that the circuit was changed on this pin, and that DAP017A is simply an older version of NCP1605.

So how can we be a bit more sure?
Try to find out - and make a sketch (best with close-up photo of your DAP017A) - how pins 1 and 13 connect in the circuit. This will probably tell us a lot more whether NCP1605 is really compatible.

If you want to take a (admittedly small) risk, just replace DAP017A with NCP1605. Electrically I'd say you won't cause damage of NCP1605 or other parts of your supply, but there is a chance NCP1605 isn't entirely compatible. You could then take another minor risk by connecting pin 13 to GND as i the application note schematic.

Unless there is someone providing a datasheet for DAP017A or having proof that they are the same part (just different vendors, for example), it is impossible to say whether this is fully compatible or identical.
 
I have corrected some mistakes on the original R44/R45 above, it seems like there is only 1 R48 at that location.

However, this goes back to one of my other puzzles[why D3 seems to be shorted?]: it seems like while one end of R48 is connected to pin 5 of DAP017A, the other end is actually connected to one end of D3 [which is also connected to somewhere else, see the component side pic below], while the other end of D3 is connected to the heatsink.. hmmm?

R48.png

IMG_6279.png

IMG_6280.png


I am not sure if I am making any sense here....

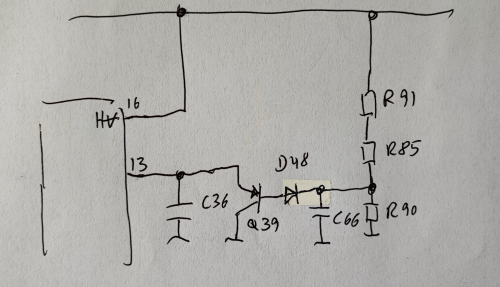
But then, I have managed to measure and draw up from Pin13/Pin16 of DAP017A:
Q39 seems to have a marking "2T" I cant see it clearly from the image as there is also an "o" next to it[I have attached a pix below]. If it is 2T then it would be a 2N4403/MMBT4403 PNP transistor?! Should this be a PNP or NPN?


signal-2022-03-15-011629_001.jpeg

signal-2022-03-15-161305.jpeg



More on Pin16 and also Pin1 in the corrected picture from last message:
1647177094195.png


Pin 16: It is connected to +ve of the big cap via D31, ZD39 and ZD36 [I am very confused with the direction of these diodes]
Pin1: It is connected to ground via R46, C31 as shown
 

Attachments

  • IMG_6281.jpg
    IMG_6281.jpg
    690.5 KB · Views: 215
Last edited:
I have corrected some mistakes on the original R44/R45 above, it seems like there is only 1 R48 at that location.
R48 is marked 29B and should be 1960 Ohm. This value depends on the values of other resistors, so it's probably fine.

However, this goes back to one of my other puzzles[why D3 seems to be shorted?]: it seems like while one end of R48 is connected to pin 5 of DAP017A, the other end is actually connected to one end of D3 [which is also connected to somewhere else, see the component side pic below], while the other end of D3 is connected to the heatsink.. hmmm?
The track of D3 seems indeed to go to the heatsink.
D3 is a big diode, likely pretty important, and prone to failure. If you measure o Ohm (and in diode test, ~0V), you could unsolder one leg and test it. It is however possible that it is a free-running diode for a coil or transformer, and hence the 0 Ohm (or at least very close to it).
If you can't follow the second pin, then this is probably the right thing to do.
I can't see a diode in any of the schematics who could serve this purpose.

But then, I have managed to measure and draw up from Pin13/Pin16 of DAP017A:
Q39 seems to have a marking "2T" I cant see it clearly from the image as there is also an "o" next to it[I have attached a pix below]. If it is 2T then it should be a 2N4403/MMBT4403 PNP transistor?!
Your drawing is a bit unusual. I drew the same with the correct symbols, using your drawn connections (which could be wrong or missing some parts).

1647417806469.png

I also see 2T, which is MMBT4403 from On Semiconductor. https://www.onsemi.com/pdf/datasheet/mmbt4403-d.pdf
1647418547384.png

So here we can see (even though the drawing may not be entirely correct) that Q39 controls the Shutdown pin. A voltage higher thn 2.5V will shutdown the chip. So I think something is missing here, as a cap alone (C36) won't do much good here.
The purpose of Q39 is to discharge C36 and ground the pin 13. I believe the original purpose of the circuitry is to shutdown the chip when power is disconnected, so that I think the diagram isn't correct. However, it is not important, and it will likely work with NCP1605.
Just to make sure, you could check Q39.
From C to E, you should measure "open circuit".
From B to E and B to C, you should have a diode behavior.
So basically, no short circuits.

Pin 16: It is connected to +ve of the big cap via D31, ZD39 and ZD36 [I am very confused with the direction of these diodes]
Pin1: It is connected to ground via R46, C31 as shown
They used some Zener diodes (ZD) to reduce the voltage. They are in reverse polarity, and the voltage drop depends on the actual component. You won't be able to measure in diode mode for ZD as the Zener voltage is very likely higher than the test voltage of your multimeter.
You should not measure a short circuit.


So in principle, the schematic is close to the NCP1605 schematic. I'm pretty confident you can directly replace the DAP017A with NCP1605.

So in conclusion: try to test D3.
 
Yes I am a noob and I am pretty sure my diagram is probably not correct, as I only have a cheap multimeter and I was using the diode mode to measure between 2 points and when it beeps I assume they are connected. I know low Ohm will also beep but I just couldnt tell. e.g. when I measure across big resistors R3, R4 [marked R080 - 0.08ohm] - it beeps.. why do we need R3, R4 anyway?

But for sure Q39: E beeps with Pin 13, B beeps with D48, C Beeps with GND. I can confirm B-E, B-C have diode behavior and C-E has no beep but has some values shown on the meter when measured both ways. Hence Q39 seems ok?

Do you mind to shed some more lights into how Q39 works again? In the original circuit when DAP017A is in place, pin 13 is OVPDelay[Whatever that means]. What would pin 13 be getting from E of Q39?? And you are saying that will be lower than 2.5v [or at ground even] so it wont cause a shutdown when NCP1605 is in place instead?

As for D3, I actually measured this on a good known ADP-200DFB and D3 behaves the same. i.e. diode mode beep both ways. It is ~0 Ohm.

But while I wait for the delivery of the NCP1605, let me pull one leg of D3 and see what it does.
 
Last edited:
when I measure across big resistors R3, R4 [marked R080 - 0.08ohm] - it beeps.. why do we need R3, R4 anyway?
I think they are the resistors (R25, R38) towards the Gate of Q1 and Q3 in the schematic in post 26. Other schematics show 10 Ohm. They might actually be 8 Ohm (08 x 10^0 = 8).
This is probably a current limiter for the Gate.
In most (normal) cases, low ohmic resistors are put in to measure high currents: this causes a small voltage drop, so that you don't affect the main circuit, and the voltage drop across such resistor is then fed to a comparator (op-amp) which then controls the feeding voltage/current according to the actual measured voltage/current.

But for sure Q39: E beeps with Pin 13, B beeps with D48, C Beeps with GND. I can confirm B-E, B-C have diode behavior and C-E has no beep but has some values shown on the meter when measured both ways. Hence Q39 seems ok?
Yes, that's ok.

Do you mind to shed some more lights into how Q39 works again? In the original circuit when DAP017A is in place, pin 13 is OVPDelay[Whatever that means]. What would pin 13 be getting from E of Q39?? And you are saying that will be lower than 2.5v [or at ground even] so it wont cause a shutdown when NCP1605 is in place instead?
A transistor is like a switch. B (base) is the control pin, and the connection C to E (collector, emitter) is the switched line.
In extremely simplified terms: if there is voltage between B and E, the line C-E will close (conduct). If there is no voltage, it will open.

Pin 13 is definitely an input, this is because you have the capacitor there and the C-E line from the transistor. So some condition switches Pin 13 to a low voltage (ground) (without having now analyzed what condition this is in particular).

OnNCP1605, we also have an input (STDWN).


1647596228077.png


So here we see that the input signal on pin 13 is compared with 1V / 0.5V (whether 1V or 0.5V probably depends on something described in the datasheet, which I didn't read). The datasheet says: "Apply a voltage higher than 2.5 V on Pin 13 to permanently shutdown the circuit."

A capacitor alone would not have voltage, so that I am certain there should be a resistor to +VCC or some other voltage in order to charge C36. Otherwise, C36 will always be discharged, which means it is always LOW and the chip would never shutdown, which defeats having all the components around.

The drawing arond Q39 is definitely incomplete, and without a complete - and correct - schematic it is not possible to say how exactly the circuit works.
So we believe the transistor is conducting under normal conditions (as we want 0V on pin 13 so that there is no shutdown). I think we have to leave it at that.
 
sorry this took much longer as the NCP1605 was delayed and has just arrived today. I have already soldered it on but it doesnt work.

It still has the sparks on the exactly same area... some smokes coming out, not sure if it was burning the flux that I had left in that area..

Also when I try to measure the voltage across the big cap, even some small sparks[or glows] came out from 2 locations around the NCP1605 [I couldnt remember where as I rushed to cut off the power]
 
Last edited:
Sorry to hear that. To kill a new chip normally requires excessive supply voltage or input signals exceeding the permitted input range.
Looking at the schematics we have established so far, this would involve the components R37/R38/R39 and ZD36/ZD39/D31.
If these components are ok, then I don't see why the chip would be damaged.
It could help to measure the voltages at the pins with the chip desoldered, but measuring on a live power supply, particularly with the risk of causing shorts with the probe, would be highly dangerous, so you better not attempt that.

Personally, I would write it off. You could keep it for harvesting spare parts. But I think I can't assist any further remotely.
 
Noted, many thanks for your kind help thus far, it has been a great learning journey.

One last question, is there any chance that the PFCOK/VCC pin get messed up and somehow feeding back things that can kill the chip[I vaguely recall that's roughly what I saw the sparks last time, could also be this time too]?
 
IMG_20220329_220106.jpg

The VCC pin is fed by a current source from HV pin. Externally it's connected to a capacitor to buffer the generated voltage. This is taken also elsewhere, but used as supply voltage, and not feeding another source/voltage to this pin. So if you desolder the chip again, you shouldn't be able to measure a (significant) voltage on VCC pin. But as I said, this measurement is highly risky.
 
I was cleaning up my pile of junks and saw this board, out of curiosity I measured the pin PFCOK and saw it is connected to D34 and is blown short.

@USB3foriMac I am not sure if you are still around, I know it has been a long time since we discussed this topic. I am not sure if this blown up D34 give any clues...
 

Attachments

  • IMG_6219_Marked.jpg
    IMG_6219_Marked.jpg
    691 KB · Views: 153
Last edited:
Seems I never looked at PFCOK. The schematic above is unfortunately cut off, and I'm too lazy to search where this was from.
D34 should have been checked earlier, as part of checking all diodes. Maybe you missed it.
It's hard to recommend what to do. Earlier I recommended to scrap the project due to time needed and low chance to fix.
You could replace d34 and the chip one more time if you are really keen, but that's another money spent without guarantee of success.

Keep in mind, we do not have a complete or correct schematic of the supply.
You do not know whether N1605 is same as DAP017A.
Possibly more components could be defect. If the diode was short before you put the N1705 in and that caused excessive current, then it could be that some PCB track is burnt or possibly a resistor. More time would be needed if replacing diode and IC don't succeed. I'd stick to my earlier recommendation and scrap it. Not everything can be salvaged.
An anecdote: I once had a much simpler supply than this. The main FETs were shorted. I replaced them. It still didn't work. I measured, but I did not find the fault. I took out all components and measured them individually. All components were fine. I put it all back, it still did not work. The only conclusion I have from this that the PCM must have had a damage somewhere, despite nothing was visible. I measured the tracks with components in place, all appeared correct. I threw it away, but it's still bothering me after 6 or so years that I couldn't fix this problem.
 
  • Like
Reactions: Nguyen Duc Hieu
You are right, but this isnt just about the cost. I actually now have another same working PSU which i used for comparison.

@USB3foriMac, you are right too as i now dont think NCP1605 is the same as DAP017A, as i have measured a new chip (I bought 3 last time) soldered on it and the ohm value of pin HV is different than a known good PSU.

Of course there maybe something else connected to the pin HV explaining the differences too...but it seems like this is pointless unless at least a good DAP017A is soldered to rule out the chip differences.
 

Attachments

  • NCP1605_pinout.jpg
    NCP1605_pinout.jpg
    51.3 KB · Views: 148
Last edited:
So, I ended up replacing the chip with a good DAP017A which i can now obtain and also replaced the blown diode.

Happy to report the PSU is back to live!
 
  • Like
Reactions: Chuckeee
Thx @USB3foriMac

I gave this PSU to a friend and got his broken one now which has this symtoms:

There is no output. When DAP015AD was on, the big cap would only has 320v. But when DAP015AD was removed, the big cap has 390v. Does this imply PFC was ok without DAP015AD? Any quick pointer?
 
I wouldn't randomly unsolder ICs. Go systematically and check the FETs then the diodes which are a lot more likely to have failed. Check from the beginning of the thread for detailed instructions.
Edit: and the PFC is seldom active, but at least the PFC FET isn't shorted. Whether the PFC circuit is running fine can't be determined by this.
Your problem is possibly that the primary FETs aren't working, maybe the gate resistors are open circuit as some have reported. At least the FETs aren't shorted, as otherwise the fuse should blow.
Possibly the supply works, check the secondary side, maybe just the ON-control doesn't work. So check the 12V standby on secondary and the ~17V on the primary side.
 
Last edited:
oh I didnt just go randomly unsolder ICs, i checked the FET before. I know in a working PSU the voltage across the big cap should be 390v. I was suspecting the PFC misbehaving (only 320v on big cap). I have now just replaced the PFC chip [DAP017A] alone and the voltage on the big cap gone back up to 372v which is closer to 390v (but still not 390v as in normal PSU, at least not just ~320v as if the PFC is completely off)

Still no 12v, where is the 17v again? (is this only applicable to the 27" model PSU?)
 
Last edited:
Good morning, I need some help, I had the same bad luck as the user (Protocol) and that is in an attempt to fix a 21.5 inch Imac some wires touched near the IC31 DAP017AH causing a contact which caused the components to burn cond. C64 shorted, cond. C32 and C65 if anyone can tell me the values I would appreciate it.
P.s. If I then have to open my own discussion I apologize for tagging along, thanks.
 
Register on MacRumors! This sidebar will go away, and you'll see fewer ads.