Become a MacRumors Supporter for $50/year with no ads, ability to filter front page stories, and private forums.
I'm attempting to fix a no backlight MBP 13" (LB #820-2533) for my father, I located the backlight fuse and determined it was blown. I ordered replacement fuse from DigiKey and replaced it which was no easy task, 0402 case is a tough hand solder. I continuity tested the new fuse before power on and it had continuity, power on and still no backlight. Tested fuse again after power off and no continuity. I'm willing to undertake replacing the WLED driver but am wondering if this fuse blowing is indicative of another issue. Can anyone provide insight before I dig further?

what does the connector look like? can u up load a pic..
 
what does the connector look like? can u up load a pic..

Here are images of the connector, what should I be looking for here?

HtCSbPF.jpg


o9dunxT.jpg


uc2W0Qo.jpg


gH4XQLR.jpg
 
Here are images of the connector, what should I be looking for here?

HtCSbPF.jpg


o9dunxT.jpg


uc2W0Qo.jpg


gH4XQLR.jpg
You have burnt pins on both the cable and the connector. You will need to replace the cable to the screen and then replace the connector. The cable pin 3 in your picture is burnt and looks like pin 13 and 23 on the connector. Probably why the fuse blew again. Also, why did you lose backlight in the first place? Liquid damage i would guess. If so, have you cleaned the areas effected. Ok, blew up your photo, Pin on cable is burned off, looks like pins 23 and 24 are shorted to each other on the connector.
 
Last edited:
I recently bought a used Macbook Late 2008 Aluminum, A1278 M97 MB467LL/A with a non functioning backlight.

Currently I traced the problem to the Q9806 mosfet, I get 12.6V at the source however the drain doesn't seem to want to open. I check the functionality of the mosfet with a multimeter and it's looks good.

Looking at the schematic I can see that the Q9807 mosfet is supposed to drive the Q9806's gate low however the Q9807 is missing from the motherboard. It looks like it never was fitted on the motherboard in the first place but I could be wrong and the previous owner might have removed it.

It's my understanding that if there is no voltage on the PPBUS_S0_LCDBKLT_PWR line then the WLED driver won't be enabled.
 
Hi all I am new looking for help.

I have my macbook pro 13'' unibody mid 2009 2.56Ghz with no backlight on LCD.

everything works on the macbook pro apart no backlight but if using an external monitor it works.

I am trying to understand how to check some of the common parts that might cause the issue using a multi-metre.

1) The fuse: A very tiny component showing a little dot in the middle located not far from WLED
  • What value should i get when the mac is powered? I get 10.2v
When booting to test I do not not plug the hard drive.
  • I have check for continuity it's not open (so i believe is good)
2) the WLED driver: a square chip located very close to (next to) the LCD backlight cable.
  • How to check it when the mac power off (check for resistance)
  • I am a little bit confuse when reading the serial on the part (VM96AF-L85433Q I think) but on the web they talking about LP8543 made by Texas Instrument.
Is that the same part?

3) also check a part mention around the begin of this thread a part located around the WLED name 74 white a coloured band. I had same value i get on the fuse when power on 10.2v

As soon I i believe what's maybe wrong I plan to buy the part and find a professional to install it for me hoping to save my macbook pro.

Thanks for all your support

Ps: the image is from the user Dadioh.
 

Attachments

  • backlight_circuit_board.jpg
    backlight_circuit_board.jpg
    126.3 KB · Views: 722
IMPORTANT NOTE: Further in this thread you will read that this part is a high frequency capacitor. IT IS NOT A FUSE!!! PLEASE do not go about replacing this part with anything other than a capacitor. READ CAREFULLY the whole thread before messing around with component substitutions.


Original post
----------------------------
I obtained a Macbook Pro 13 unibody with non functioning display (everything else works). I took it apart ad discovered that the LVDS cable end was completely destroyed. I ordered a replacement display assembly (complete with LVDS cable). I now have an image but no backlight.

Upon close examination of the components surrounding the LVDS connector I notice I have a component missing compared to a detailed photo of the same motherboard that I found on the net. I am not sure if this component might be a fuse that has been removed. I am trying to find someone who has one of these logic boards accessable that can identify what this part is supposed to be.


Update: There are many many more tips and info in this thread to help you with troubleshooting backlight issues on Macbook Unibody.

In particular the WLED driver should be checked for failure. A useful method is to test the resistance (impedance) from each pin of the WLED driver device to ground. Typical values are shown below.

Make sure power is removed from board before testing resistance. Unplug battery or battery connector.

Macbook Pro 13"
Device LP8543 Pin 1 is lower left and counts counter clockwise around the device.
Pin Resistance to ground
1 0
2 1K
3 124K
4 100K
5 0
6 >1M not connected
7 >1M
8 19K
9 0
10 not connected
11 21K
12 >1M
13 >1M
14 >1M
15 0
16 >1M
17 >1M
18 >1M
19 not connected
20 0
21 >1M
22 203K
23 400K
24 290K


On Macbook 13 unibody aluminum non-Pro
Device APP001A

1 3.8M
2 100
3 9.9M
4 46K
5 100K
6 100K
7 >10M
8 49K
9 69K
10 >1M
11 >1M
12 >1M
13 0
14 >1M
15 >1M
16 2.8M
17 10K
18 15K
19 34K
20 30K


If your WLED driver is blown you may measure zero or low resistance on some of the pins that are not supposed to be ground.



Hi,
Where di you get this info?
is it what the values should be?
On mine i am getting some of the right but the rest not.
So just to make sure it should be testing in ohm ?
thanks i am trying to find out if my WLED is faulty.
 
Hi,
Where di you get this info?
is it what the values should be?
On mine i am getting some of the right but the rest not.
So just to make sure it should be testing in ohm ?
thanks i am trying to find out if my WLED is faulty.

Check that fuse for continuity. generally they get surged and blow. Start there as that is the most common problem. If its good then look at the actual led cable connector to make sure pins are not damaged.
 
Hi thanks for the tips,
The fuse is Ok as I check it with a multi-metre.
The connectors looking very good.
So I wanted to check the WLED driver chip but wanted some advice how to check it
 
Hi thanks for the tips,
The fuse is Ok as I check it with a multi-metre.
The connectors looking very good.
So I wanted to check the WLED driver chip but wanted some advice how to check it
You need the schematic for your logic board. Search this forum for your model and you should find it. Then look up that chip and it will give you all the values. I believe it takes 12v to power so your 10.2v is an issue. I am doing this from memory because I don't have the stuff in front of me. If that's the case something is pulling it low. It might be something on the circuit not the wled chip itself since you are getting some voltage. Your tests will have to be done with power for voltage.
 
thanks of the reply,
I will try to find the schematic if anyone have the schematic for the macbook pro 13'' 2.56GHz mid 2009 will be more than welcome.
thanks again
 
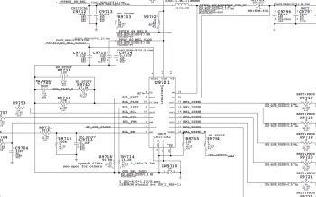
Hi i find the schematic but how to read it... i will post few picture
this a screen shots of the 2 drawing concerning the fuse and Backlight chip
and full pdf schematic of my macbook pro.
 

Attachments

  • Screen Shot 2015-10-08 at 22.33.50.png
    Screen Shot 2015-10-08 at 22.33.50.png
    163.2 KB · Views: 448
  • macbook pro drawing.pdf
    1.4 MB · Views: 1,229
  • Screen Shot 2015-10-08 at 22.36.51.png
    Screen Shot 2015-10-08 at 22.36.51.png
    247 KB · Views: 524
If can get any advice what to test next to know what part to change thanks to for help
Hello,so :
1.You wrote you want to find the faulty part and take it to a professional to fix it for you.There's no point to get in all the trouble ,both u and us and then go to technician.We discss things here to learn and fix stuff ,most of the times,ourselves.The technician will get you the same money if you go with the part or not,and tell him what to do.So,i am not sure if there's point answering you,or if i have the right to write this,at all.Anyway.

2.WLED Driver
The results in the first page,i think but i am not sure, are a combination from reading the datasheet for this part,using Ohm's Law ,brain and experience.The part form Texas Instruments is in case you want to replace yours.2 ways to check resistance on pins either on continuity mode or resistance mode (on multimeter of course).
Continuity: Black probe on ground-red on each pin.The meter beeps on pins that are ground i think,so you determine if some of the pins that are not supposed to be ground,are.You can see this on the schematic.
Resistance : The probes the same way and compare your values with these from first post.I dont think they will be the same but huge differences mean there is trouble.(You do both measurements with the charger and battery disconnected.)

3."How to read the schematic".That's a question you dont ask.Literally.You have to watch videos,use you brain and google.Sometimes you have to search for a whole day for a single result.

4.The fuse you checked is F9800 and the part with the "74" on it is the diode F9701 on your schematic.Just to help you a little in what u seeing on the schematic on the pages you posted.
5.If you want to check more parts you need the board view file for your board,so that you can locate the stuff you see on the schematic,to where they are on your board and measure them.If you find the schematic you need a software called "test link drawing program" to open the file.

6.Also you didnt write us how the problem occurred in the first place.

Good luck!
 
Hi fanis.gourlemak thanks a million time for your advice.

The only reason I said to replace the part is of professional tools and practice on a macbook logic board. I understold your point of view.

Everyday after work I am working on it to really understand what s wrong with it. If it's a resistor or capacitor yes will do it but if it's the wled Driver I read it in the post better to let a professional to do it.

But I don't like changing part blindly.

I found the pdf schematic.
Now I will look for the software to locate components.

My results from the fuse voltage of 10.2v might be a problem.
Not sure why they drop. Is it because I got to plug everything?
(I left the hard drive unplug when doing the test)

Again thank hope to get support I am trying to save that board.

I will learn more about board it s really not easy when you don't know where to go.

I have try to follow the general infos:

Fuse, part 74, and wled.

But my wled might okay as someone as said earlier so i got to find a way to check it.

Another one do advice me to buy a digital microscope of eBay?
They are around 20 pound?

I am using my phone zoom...
 
Hello,so :
1.You wrote you want to find the faulty part and take it to a professional to fix it for you.There's no point to get in all the trouble ,both u and us and then go to technician.We discss things here to learn and fix stuff ,most of the times,ourselves.The technician will get you the same money if you go with the part or not,and tell him what to do.So,i am not sure if there's point answering you,or if i have the right to write this,at all.Anyway.

2.WLED Driver
The results in the first page,i think but i am not sure, are a combination from reading the datasheet for this part,using Ohm's Law ,brain and experience.The part form Texas Instruments is in case you want to replace yours.2 ways to check resistance on pins either on continuity mode or resistance mode (on multimeter of course).
Continuity: Black probe on ground-red on each pin.The meter beeps on pins that are ground i think,so you determine if some of the pins that are not supposed to be ground,are.You can see this on the schematic.
Resistance : The probes the same way and compare your values with these from first post.I dont think they will be the same but huge differences mean there is trouble.(You do both measurements with the charger and battery disconnected.)

3."How to read the schematic".That's a question you dont ask.Literally.You have to watch videos,use you brain and google.Sometimes you have to search for a whole day for a single result.

4.The fuse you checked is F9800 and the part with the "74" on it is the diode F9701 on your schematic.Just to help you a little in what u seeing on the schematic on the pages you posted.
5.If you want to check more parts you need the board view file for your board,so that you can locate the stuff you see on the schematic,to where they are on your board and measure them.If you find the schematic you need a software called "test link drawing program" to open the file.

6.Also you didnt write us how the problem occurred in the first place.

Good luck!

Hi,

Yes true forgot to mention why the problem occurred.

Little spill of water from the bottom of the macbook...

I dried it clean it put it back on:

Everything work apart the backlight.

Thanks again hope to see some light very soon.
 
Hi fanis.gourlemak thanks a million time for your advice.

The only reason I said to replace the part is of professional tools and practice on a macbook logic board. I understold your point of view.

Everyday after work I am working on it to really understand what s wrong with it. If it's a resistor or capacitor yes will do it but if it's the wled Driver I read it in the post better to let a professional to do it.

But I don't like changing part blindly.

I found the pdf schematic.
Now I will look for the software to locate components.

My results from the fuse voltage of 10.2v might be a problem.
Not sure why they drop. Is it because I got to plug everything?
(I left the hard drive unplug when doing the test)

Again thank hope to get support I am trying to save that board.

I will learn more about board it s really not easy when you don't know where to go.

I have try to follow the general infos:

Fuse, part 74, and wled.

But my wled might okay as someone as said earlier so i got to find a way to check it.

Another one do advice me to buy a digital microscope of eBay?
They are around 20 pound?

I am using my phone zoom...

If you go a few pages back you will see my questions also when i had the problem.In some point i stopped answering because i didnt know what to do next.But half a month i was studying about schematics,electronic parts etc., and when i decided my problem was the fuse, changed it with no magnification no professional tools and with no experience on soldering technics.But i like electronics and hardware stuff and i was given the chance to learn to do sth important despite the fact i was working on an apple logic board.So you will get there!

Now, at least buy a magnifying glass.Then check the wled driver, pin by pin to see if there is a problem.If its alright i would suggest,with my very little experience, to check voltage on parts on the ppbus_g3h rail.I say that because you have the same voltage on the fuse and on the diode on the boost circuit.So sth before these things might decrease your voltage.But ,as i said,to do that you need the correct board view file and also to remove the board.Be carefoul as the cables are sensitive.Also look here if you find a video relative to your problem : https://www.youtube.com/channel/UCl2mFZoRqjw_ELax4Yisf6w .

I read your new post now.So if you had liquid spill from the bottom there's a big chance that you have the problem on that side of the board and the backlight circuit to work fine.So ,again,check wled driver chip just in case and then move to testing the ppbus_g3h power rail as it has components on both sides of the board.
 
Thanks for the help,
Before I clean the board there was presence of oxydation (kind of grey-white colour) around wled chip and surrounded this area. All cleaned now...

My board is out from the laptop naked...
That why I was trying to check ohms, resistance... with power off.


I am going to dig to check the area you advice me to check.
And yes the link on YouTube almost everyday I am watching them video.

The software you mention is not available on OX platform but Microsoft so got to find a way to get it.

Thanks again and any advice will be more than welcome.
 
Wow man you know the staff.
Will do it tonight.

So all I need to do is from pin 1 to 24 check for voltage.
With the board live (power on)

I unplug my hard drive is that matter?

Thanks for the support Fanis.
 
Not for voltage.Check the resistance and compare your values with these in the first page..To test voltage on the chip you have to read on the schematic the correct values for every pin.The voltage is not the same in all 24 pins.
When you measure voltage and you have unplugged your board it s good to have everything disconnected.Not just HDD.
 
HI,
after successfully install viewing the board not sure yet how to use it but will keep searching...
about the reading I have on the WLED:
Pin1: 0 (ground)
pin 2: ~1K
pin 3: ~127.5K
pin 4:~100k going down to 80K
pin5 :0 (ground)
pin6 :1 (on diode 2k reading: 0.933)
pin7 :1
pin8: 23.4K
pin9 :0 (ground)
pin10 :25.4K
pin 11: 25.4K
pin12: 1
pin13: 1
pin14: 1
pin15: 0 (ground)
pin16: 1
pin17: 1
pin18: 1
pin19: 1
pin 20: 0 (ground)
pin 21: 1
pin22: ~74.6
pin23: ~7M going down to 0.42M
pin24: ~0.41M

that the reading I had by having the black probe on ground and red one on the Pin.
in the reading 1 i believe mean the circuit is open so there no resistance I think (I have try to change the multi mitre setting from: 200 to 20M (it goes like that: 200-2K-20K-200K-2M-20M)

Tomorrow will work on it again hope it will bring clues.

Good night all
 
Register on MacRumors! This sidebar will go away, and you'll see fewer ads.