I'm having problems to find a replacement without knowing more specs of the component.
I would like to continue to discuss the matter a little more with you guys before anything else. Maybe
@Needleroozer can give more insight and guide us to a suitable replacement.
As a last resort you could of course take the donors from the "garbled screen" logicboard.
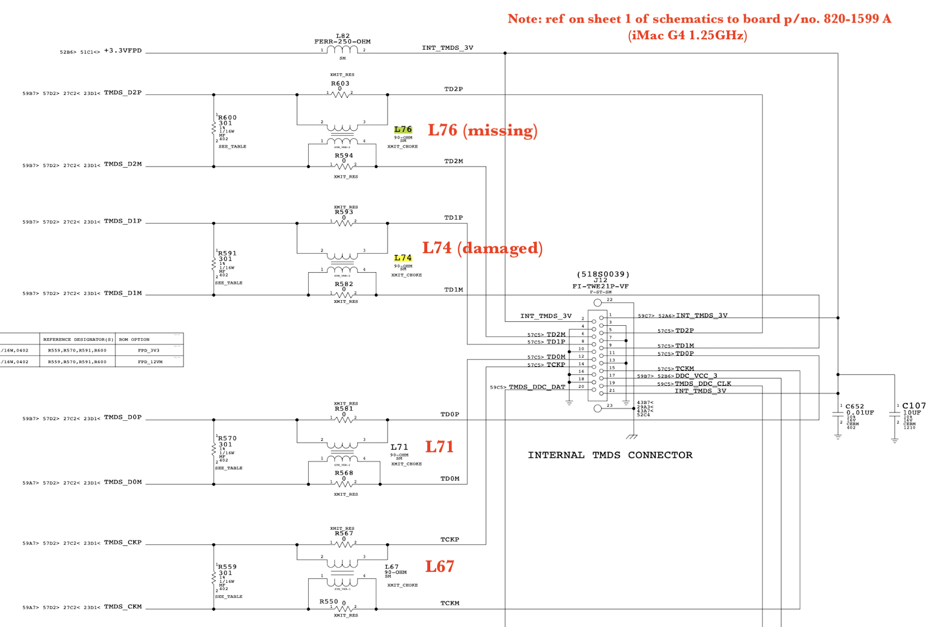
It took a bit of finagling, but I managed to find a boardview for the 820-1599-A PCB which you can open in OpenBoardView (compressed and attached as a .zip because the forum wouldn't let me upload a .bvr). Unfortunately, neither the schematic nor the boardview give us much to go off of in terms of the actual component name, but the footprint is that of an 0805 (2012 metric) component.
@Needleroozer
Would it be sufficient to measure the inductance to find a suitable replacement?
Common-mode chokes are typically specced for a singular impedance at a given frequency. 100MHz is typical, but to know for sure you'd want to do a frequency sweep from 0 to at least 100MHz so that you could compare the impedance-versus-frequency plot against commercial options...
After running parametric searches on
Digikey and
Mouser (90 Ohms at 100MHz, 0805/2012 package), there aren't too many results for whatever reason, so you may wind up being able to differentiate based on the DC resistance of the chokes on the PCB. These range from 0.2 Ohms to 4 Ohms, however, so you would either need very good multimeter leads or a four-wire resistance measurement setup to characterize that accurately.
If I had to choose one, I'd probably go with these due to their low DC resistance and relatively flat impedance with respect to frequency:
ACM2012-900-2P-T001 TDK Common Mode Chokes / Filters 50V 400mA 90ohms AEC-Q200 datasheet, inventory, & pricing.
www.mouser.com
Another interesting finding is that those unpopulated zero-Ohm resistors (R603, R594, etc) have footprints on the bottom of the board directly underneath these common-mode chokes.
So if you have some zero-Ohm 0402s, you could pull the chokes off and install eight 0402s down on the bottom of the board instead. The chokes are there for signal conditioning rather than ESD protection, and this is all inside the iMac anyway, so I think it's probably fine to swap them out for jumpers.
Alternatively, if you have any dead iMac G5 motherboards, they seem to have the same 90-Ohm chokes on their internal TMDS connector, so you could harvest spares from there as well (I checked this on an 820-1540 schematic, but I'm pretty confident they'll all be the same).
