Become a MacRumors Supporter for $50/year with no ads, ability to filter front page stories, and private forums.
Late 2011 MacBook Pro 13" - Water Damage - No Chime

Hi all,

This thread is such a great resource! Unfortunately, I've got a water damaged MBP that I still can't figure out the problem with despite reading through much of this thread.

What it is: Late 2011 MBP 13", Model A1278, Logic Board 820-3115

What happened: Water from burst sprinkler pipes dripped onto keyboard for a few hours. It sat for 2-3 weeks before it was brought to me, unplugged from AC adapter, but battery still plugged into logic board.

Symptoms: When power button is pressed, fan starts at normal speed. Nothing further happens - no chime, no POST, no display, etc. No display on external DP connector either. It seems to charge fine.

What I've done: Disassembled, cleaned small amount of corrosion up near top right of board (near LVDS connector). R5400 looked damaged, so I sourced the correct replacement part and replaced it. U5400 was damaged during that repair, so I sourced and replaced it as well. After these repairs, there was no change in symptoms. I also tried SMC reset with no luck. I did the SMC "bypass" and got the fan to run at full speed, but no other changes in symptoms.

I've got what I believe is the correct schematic file (A1278, K90i), but can't find the board layout file (820-3115) anywhere. I found the board layout file for 820-2936, which looks similar.

I'm hoping to probe around for voltages to find out where it is failing in the power-up sequence, however I'm not quite sure where to begin. I am seeing a valid G3HOT with just the battery plugged in. Some people have referred to some sort of "power sequencing" documentation, but I don't see any reference to that in the schematic PDF.

I'm sure with all the experience on this thread that a solution (besides replacing the logic board!) is to be had. Any help is greatly appreciated!!!
 
Late 2011 MBP 13", Model A1278, Logic Board 820-3115 NO POST or Chime

Hi all,

This thread is such a great resource! Unfortunately, I've got a water damaged MBP that I still can't figure out the problem with despite reading through much of this thread.

What it is: Late 2011 MBP 13", Model A1278, Logic Board 820-3115

What happened: Water from burst sprinkler pipes dripped onto keyboard for a few hours. It sat for 2-3 weeks before it was brought to me, unplugged from AC adapter, but battery still plugged into logic board.

Symptoms: When power button is pressed, fan starts at normal speed. Nothing further happens - no chime, no POST, no display, etc. No display on external DP connector either. It seems to charge fine.

What I've done: Disassembled, cleaned small amount of corrosion up near top right of board (near LVDS connector). R5400 looked damaged, so I sourced the correct replacement part and replaced it. U5400 was damaged during that repair, so I sourced and replaced it as well. After these repairs, there was no change in symptoms. I also tried SMC reset with no luck. I did the SMC "bypass" and got the fan to run at full speed, but no other changes in symptoms.

I've got what I believe is the correct schematic file (A1278, K90i), but can't find the board layout file (820-3115) anywhere. I found the board layout file for 820-2936, which looks similar.

I'm hoping to probe around for voltages to find out where it is failing in the power-up sequence, however I'm not quite sure where to begin. I am seeing a valid G3HOT with just the battery plugged in. Some people have referred to some sort of "power sequencing" documentation, but I don't see any reference to that in the schematic PDF.

I'm sure with all the experience on this thread that a solution (besides replacing the logic board!) is to be had. Any help is greatly appreciated!!!


Here you got it
Schematic
https://www.dropbox.com/s/nv9quu2xibk7vbg/Apple MacBook Pro A1278 (J30, 820-3115).pdf

And Boardview

https://www.dropbox.com/s/rx95jfpyhgopv4k/820-3115-B.brd

I got one 820-3115B , same issue but i dont have time to fix it now.
 
.....
I'm hoping to probe around for voltages to find out where it is failing in the power-up sequence, however I'm not quite sure where to begin. I am seeing a valid G3HOT with just the battery plugged in. Some people have referred to some sort of "power sequencing" documentation, but I don't see any reference to that in the schematic PDF.

Hi BC777,

The relevant page is called "Power Control" in this schematic - page 73. Take a look at the S0 rail enables and the "ALL_SYS_PWRGD" signal.

Regards,

Chigwelldave
 
hey there this is an awesome thread, I see theres alot of knowledgable peeps in here so I figured id ask, Ive gotta 13" 2011 MBP and battery icon has the X over it and computer only works when plugged into magsafe. Ive been reading alllllll over and not seeing to much on what part to test on logic board and what part controls the battery being charged (that may be blown/broke), the battery is fine, charges in other computers, and Im very positive its not a simple magsafe fix or new battery like you hear a lot, I have the multimeter out but I really dont know what part controls the battery and what volts to look for, Ive done all the SMC resets etc. n nothing happened and tonight I discovered, as soon as you plug the mac in, it turns on by itself and light ALWAYS stays green, mac works fine, when you unplug magsafe, display goes black but computer stays on, fans, LED in the front is on but no response to waking up, I dont get it, its not charging the battery but when its unplugged it will stay running, you also CANNOT start it from the battery alone, only when its plugged in. If anyone can help id really appreciate it, Im a newb to fixing these things and would love to learn about them but theres not much info out there on certain things. Thanks.
 
Ive done some testing tonight and it seems I have power down at the battery and other areas, but as I was sitting there not touching anything at all, I watched the magsafe light go from bright ass green to dim green then nothing at all, you can see verrrry faint green if you look hard in the dark, but Ive never seen a mac do that before, now the mac wont turn on at all, great!!! Its been turning on by itself fine when plugged in, but now all the sudden I watched it slowly go out. weird, Anybody else have probs. like this? Im still reading these 100 pages, so maybe Ill find something in the mean time lol.
 
Ok I somehow discovered, while watching the magsafe light slowly go completely out, that this QFN package (marked i625 9AHRTZ) was EXTREMELY hot, could barely touch it, Im happy I may have found my problem, which also seems to be the "charging chip" for the macbook, which is exactly what I wanted to find, but my question is, would there possibly be a fuse before this chip that is blown or something, which is causing the QFN to get too much voltage or something? Im hoping I can replace the QFN and my charging/booting problems will be solved but I know with macbooks its probably not that simple of course. any body have any clue?
I also found this http://www.ifixit.com/Answers/View/141228/Logic+Board+Repair+625+9AHRTZ+possible
 

Attachments

  • MY board a1278 2011.jpg
    MY board a1278 2011.jpg
    3.3 MB · Views: 4,871
  • IMG_0783.JPG
    IMG_0783.JPG
    3.1 MB · Views: 1,208
  • IMG_0779.JPG
    IMG_0779.JPG
    3.6 MB · Views: 1,294
ASD Missing file or Test Not Found

My apologies for a late thank you to the forum contributors for helping me fix my daughter's 13" MBP.

I have decided to venture forth and hobby it up fixing maybe a few more. Try at least ;-)

A question though - has anyone ran into ASD EFI failing because it cannot find a file or test sequence to run. Specifically I was running 3S144 on an early-2011 13" MBP and memory test #7 could not be found.

Again, thanks for the help!
 
I took a used QFN off a donor board I have while I wait for the brand new ones to arrive that I ordered, which I have no paitence and probably should have just waited but everything soldered great and I got the practice in, but when I tried to power on again I could see sparks jumping across the pins on the QFN and the magsafe light was cutting on and off (green for 5 seconds, then off, then back on) Im hoping the QFN I put on was bad ass well and a brand new one will cure the problem, maybe I had cold solder joints too, Im not sure, soldering looks great to me, but you never know with these little parts.
 
I took a used QFN off a donor board I have while I wait for the brand new ones to arrive that I ordered, which I have no paitence and probably should have just waited but everything soldered great and I got the practice in, but when I tried to power on again I could see sparks jumping across the pins on the QFN and the magsafe light was cutting on and off (green for 5 seconds, then off, then back on) Im hoping the QFN I put on was bad ass well and a brand new one will cure the problem, maybe I had cold solder joints too, Im not sure, soldering looks great to me, but you never know with these little parts.

once i had that i625 9hartz getting hot, and it wasnt bad chip but a shorted component , so before remove it, check for shorted coils.

my problem was Q7035
 
Last edited:
once i had that i625 9hartz getting hot, and it wasnt bad chip but a shorted component , so before remove it, check for shorted coils.

my problem was Q7035

Thats what I figured, I thought maybe it was something before the i 625, you woudn't be able to point out in my pic. where the Q7035 is? Ill try to test around, whats the best way to test for a "short" Im very experienced with electricity and multimeters but man when it comes to computer boards Im still pretty new to it and trying to learn every way I can to test certain parts. thanks for your input.
 
Thats what I figured, I thought maybe it was something before the i 625, you woudn't be able to point out in my pic. where the Q7035 is? Ill try to test around, whats the best way to test for a "short" Im very experienced with electricity and multimeters but man when it comes to computer boards Im still pretty new to it and trying to learn every way I can to test certain parts. thanks for your input.

it shoul be in the opposite side on the board.
 
it shoul be in the opposite side on the board.

Right underneath the i 625 ? Ill check it out, idk wut it even looks like, a rectangle fuse or something, I could swear I remember someone else saying Q7035 in these posts, Im trying to see. but yea Ill try to see if I can find something, Thanks.
 
Here you got it
Schematic
https://www.dropbox.com/s/nv9quu2xibk7vbg/Apple MacBook Pro A1278 (J30, 820-3115).pdf

And Boardview

https://www.dropbox.com/s/rx95jfpyhgopv4k/820-3115-B.brd

I got one 820-3115B , same issue but i dont have time to fix it now.

Hi BC777,

The relevant page is called "Power Control" in this schematic - page 73. Take a look at the S0 rail enables and the "ALL_SYS_PWRGD" signal.

Regards,

Chigwelldave

Thanks for the replies, guys!

I've got 3.3V on ALL_SYS_PWRGD, so it looks like the power rails are all good. Any suggestions on what to measure next?

Thanks!
 
Thanks for the replies, guys!

I've got 3.3V on ALL_SYS_PWRGD, so it looks like the power rails are all good. Any suggestions on what to measure next?

Thanks!

One other thing that I forgot to mention is that it gets far enough into the boot sequence to detect whether or not the memory is installed and beeps accordingly.
 
One other thing that I forgot to mention is that it gets far enough into the boot sequence to detect whether or not the memory is installed and beeps accordingly.

Hi BCC777,

In that case, you have reached POST. Have you tried with everything disconnected? Try powering on with just battery, RAM, fan, USB bootable drive and MDP display. I have had a MBP with a faulty Airport which failed in this way.

Regards,
Chigwelldave.
 
Hi BCC777,

In that case, you have reached POST. Have you tried with everything disconnected? Try powering on with just battery, RAM, fan, USB bootable drive and MDP display. I have had a MBP with a faulty Airport which failed in this way.

Regards,
Chigwelldave.

Excellent.

During my troubleshooting, I have tried booting with most things disconnected (only battery, RAM, fan, speakers) and don't get any video when adding either LVDS or MDP display. I'll try this again when I have the machine in front of me.

One odd thing is that I never get the Apple chime. I thought that might be because the volume may have been muted before the water leaked in and turned the machine off. Will an NVRAM reset work on this model? That should reset the stored volume level, right?

Thanks for all your help!
Brian
 
Excellent.

During my troubleshooting, I have tried booting with most things disconnected (only battery, RAM, fan, speakers) and don't get any video when adding either LVDS or MDP display. I'll try this again when I have the machine in front of me.

One odd thing is that I never get the Apple chime. I thought that might be because the volume may have been muted before the water leaked in and turned the machine off. Will an NVRAM reset work on this model? That should reset the stored volume level, right?

Thanks for all your help!
Brian

Yes, a PRAM reset should restore the volume to normal (try resetting with an external keyboard as the built in one may have been damaged by the water). I use the USB to boot as they usually have an activity LED so you can see if it is being accessed. Does the CPU get warm?

Regards,

Chigwelldave.
 
Hi all,

This thread is such a great resource! Unfortunately, I've got a water damaged MBP that I still can't figure out the problem with despite reading through much of this thread.

What it is: Late 2011 MBP 13", Model A1278, Logic Board 820-3115

What happened: Water from burst sprinkler pipes dripped onto keyboard for a few hours. It sat for 2-3 weeks before it was brought to me, unplugged from AC adapter, but battery still plugged into logic board.

Symptoms: When power button is pressed, fan starts at normal speed. Nothing further happens - no chime, no POST, no display, etc. No display on external DP connector either. It seems to charge fine.

What I've done: Disassembled, cleaned small amount of corrosion up near top right of board (near LVDS connector). R5400 looked damaged, so I sourced the correct replacement part and replaced it. U5400 was damaged during that repair, so I sourced and replaced it as well. After these repairs, there was no change in symptoms. I also tried SMC reset with no luck. I did the SMC "bypass" and got the fan to run at full speed, but no other changes in symptoms.

I've got what I believe is the correct schematic file (A1278, K90i), but can't find the board layout file (820-3115) anywhere. I found the board layout file for 820-2936, which looks similar.

I'm hoping to probe around for voltages to find out where it is failing in the power-up sequence, however I'm not quite sure where to begin. I am seeing a valid G3HOT with just the battery plugged in. Some people have referred to some sort of "power sequencing" documentation, but I don't see any reference to that in the schematic PDF.

I'm sure with all the experience on this thread that a solution (besides replacing the logic board!) is to be had. Any help is greatly appreciated!!!

I didnt happen to read this until now, but I am also having the same exact problem with a 15" MBP 2009 2.66GHz that I have, it just turns on with fans blasting at full speed but nothing else, all the lights on the side and front are on and battery charges as well, its got me stumped too, no water damage, board looks great. It would be nice to come to a resolution for both of us.

Oh yeah I forgot to mention, my personal computer is the identical model and I took the logic board from it and put it into the other mac and it did the same thing, very very strange.
 
ALL_SYS_PWRGD No Post or Chime

Thanks for the replies, guys!

I've got 3.3V on ALL_SYS_PWRGD, so it looks like the power rails are all good. Any suggestions on what to measure next?

Thanks!

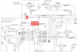
Where did you take this measure? Could you add a schematic image? :)
 
Yes, a PRAM reset should restore the volume to normal (try resetting with an external keyboard as the built in one may have been damaged by the water). I use the USB to boot as they usually have an activity LED so you can see if it is being accessed. Does the CPU get warm?

Regards,

Chigwelldave.

The PRAM reset (with external keyboard) did not change the symptoms. I'm still not getting any video out of LVDS or mDP. The fan still ramps up to full speed within 30 seconds of power-on and I hear no chimes. Powering on with no memory still produces a single beep.

The CPU gets warm but not hot, though the PCH seems to get quite hot. Will the machine POST if the PCH is malfunctioning?

Thanks!
Brian
 
A1278 2.66 Magsafe Blink Green after replace ISL6259

Hi guys!

Now i have a A1278 2.66 2010 Board.
This board show next issue when arrived:

Power on only from Battery connected.

No green light on magsafe.
Taking some measure:

No 16v on first fuse
No g3hot
No 12v on battery fuse

It was easy to think the problem was focused on ISL6259.
After take out and charger connected have green light on magsafe and 3.42v present on g3hot.

Now i just installed new ISL6259 ( NEW)
Green light magsafe is blinking all time.
I measured pin 14 and i dont have 3.3v

Im very lost now. Before replace ISL6259 i measured some pins to ground and found some shorts. Same short in D7005.

With new ISL installed, shorts has been disappeared.

I add schematic image. Thanks!!
 

Attachments

  • a1278issue.jpg
    a1278issue.jpg
    155.5 KB · Views: 1,672
BCC777

I have a 2914 board with a similar problem.

I get an error tone without memory, but with memory inserted it wont chime or produce video.

The sleep indicator light stays solid on. The fans and drives run. The USB ports are powered.

So far I have not resolved it. SMC bypass ect. make no difference.

PCH, the CPU and the GPU run pretty hot. Around 138 F.

One thing I have noticed on mine is there is no voltage on L7550 (same coil number on your board).

This is the “AXG” phase. I don’t know if a voltage there is required to finish post.

That voltage drives the CPU internal graphics core. However since there are two graphics subsystems (IG and EG) and post appears to be setting up on the EG graphics card I don’t know if it needs the CPU graphics core voltage or not to post.

Anyway I have a lot of data but no resolution here.
 
Register on MacRumors! This sidebar will go away, and you'll see fewer ads.