Become a MacRumors Supporter for $50/year with no ads, ability to filter front page stories, and private forums.
My A1286 820-2850-A logic board cannot power on after coffee damage

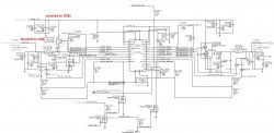
First I checked 51125 Vin and found Vin is shorted to GND first(check without DC and battery). Then I checked ISL6259 chip. The pin 23 is shorted to GND.

I checked some voltages of ISL6259 chip(with DC in and without battery, please see the schematic of the following picture):
Pin 2 16.5V
Pin 19 5.05V
Pin 20 5.06V
Pin 12 3.4V
Pin 23 0V

I checked the resistor between 23 and 22.
0 ohm. It's shorted the output. What's the next to check?
 

Attachments

  • U7000.png
    U7000.png
    164.6 KB · Views: 2,138
A1278 2011 no post

Hi all,

This thread is such a great resource! Unfortunately, I've got a water damaged MBP that I still can't figure out the problem with despite reading through much of this thread.

What it is: Late 2011 MBP 13", Model A1278, Logic Board 820-3115

What happened: Water from burst sprinkler pipes dripped onto keyboard for a few hours. It sat for 2-3 weeks before it was brought to me, unplugged from AC adapter, but battery still plugged into logic board.

Symptoms: When power button is pressed, fan starts at normal speed. Nothing further happens - no chime, no POST, no display, etc. No display on external DP connector either. It seems to charge fine.

What I've done: Disassembled, cleaned small amount of corrosion up near top right of board (near LVDS connector). R5400 looked damaged, so I sourced the correct replacement part and replaced it. U5400 was damaged during that repair, so I sourced and replaced it as well. After these repairs, there was no change in symptoms. I also tried SMC reset with no luck. I did the SMC "bypass" and got the fan to run at full speed, but no other changes in symptoms.

I've got what I believe is the correct schematic file (A1278, K90i), but can't find the board layout file (820-3115) anywhere. I found the board layout file for 820-2936, which looks similar.

I'm hoping to probe around for voltages to find out where it is failing in the power-up sequence, however I'm not quite sure where to begin. I am seeing a valid G3HOT with just the battery plugged in. Some people have referred to some sort of "power sequencing" documentation, but I don't see any reference to that in the schematic PDF.

I'm sure with all the experience on this thread that a solution (besides replacing the logic board!) is to be had. Any help is greatly appreciated!!!

@BCC777

Finally did you fix this issue?
I got a1278 2011 with same problem
 
First I checked 51125 Vin and found Vin is shorted to GND first(check without DC and battery). Then I checked ISL6259 chip. The pin 23 is shorted to GND.

I checked some voltages of ISL6259 chip(with DC in and without battery, please see the schematic of the following picture):
Pin 2 16.5V
Pin 19 5.05V
Pin 20 5.06V
Pin 12 3.4V
Pin 23 0V

I checked the resistor between 23 and 22.
0 ohm. It's shorted the output. What's the next to check?

Hi first and look at c7039 and all caps right side of Q7030 & 7035
 
Last edited:
I have just had the same problem, it was in my case the camera did you test
the camera on the good screen first? All so have you done any soft ware downloads? Some times a conflict can stop camera and other hard wear from working

Have a look at C3452 L3408 & L3407 it then looks like it uses USB port?
Test the ports see if they work OK good luck.
south657

I just finished my testing of these 3 components and they seem ok, what else should I check???
 
First I checked 51125 Vin and found Vin is shorted to GND first(check without DC and battery). Then I checked ISL6259 chip. The pin 23 is shorted to GND.

I checked some voltages of ISL6259 chip(with DC in and without battery, please see the schematic of the following picture):
Pin 2 16.5V
Pin 19 5.05V
Pin 20 5.06V
Pin 12 3.4V
Pin 23 0V

I checked the resistor between 23 and 22.
0 ohm. It's shorted the output. What's the next to check?

Hi soyo,

I'd remove the fuse (F7040) to see if the short is in the power supply or somewhere further down the line. If the short between pin 23 and ground is still there with the fuse removed, the fault is likely the low-side FET or one of the capacitors (C7040/C7045).

Regards,

Chigwelldave.
 
Hi,

Mouser have them in stock under part number 757-SSM6N15FETE85L,F.

Regards,

Chigwelldave.

Hi,
I need to replace U6901 , I have no clue how to find it on Inet. Would be possible on Mouser.com? Any help?
For the 820-2879

I was thinking to get a faulty logic board on ebay just to get this component, i guess must have another way though. ;)

Thanks in advance
 

Attachments

  • U6901.JPG
    U6901.JPG
    37 KB · Views: 824
Hi,
I need to replace U6901 , I have no clue how to find it on Inet. Would be possible on Mouser.com? Any help?
For the 820-2879

I was thinking to get a faulty logic board on ebay just to get this component, i guess must have another way though. ;)

Thanks in advance

EDIT: Having a look on the pdf file I found SOT665 TC7SZ08AFEAPE
I googled it and iguess i found it on ebay. Looks exactly the same. I would like to get it from Mouser/similar or I have to order it through eBay?




thanks in advance

EDIT2: already ordered on eBay. This thread is amazing! Thanks a million for all the information posted. I´m pretty sure I´m comming back to ask for more help. ;)
 

Attachments

  • U6901-b.JPG
    U6901-b.JPG
    32.8 KB · Views: 647
  • U6901-3.JPG
    U6901-3.JPG
    11.6 KB · Views: 1,063
Last edited:
Hi all did post about K90I boots ok now all working apart from no chime at boot and the sub amp
is not working? The left and right speaker works fine if the. could it be that as fault with sub amp i do not get the chime at boot or the sub line is used by the chime?
 
Last edited:
Hi all did post about K90I boots ok now all working apart from no chime at boot and the sub amp
is not working? The left and right speaker works fine if the. could it be that as fault with sub amp i do not get the chime at boot or the sub line is used by the chime?

Hi South657,

I think that's correct - the sub does the chime. I am sure it doesn't come out of the left speaker (the one attached to the LB) but not 100% about the right.

Regards,

Chigwelldave.
 
Hi South657,

I think that's correct - the sub does the chime. I am sure it doesn't come out of the left speaker (the one attached to the LB) but not 100% about the right.

Regards,

Chigwelldave.

Hi Chigwell thanks for that, now i have 5V at C6608 so U6620 is bad?
The problem with the amp ics is they are covered with a glue type substance.
I do not know how to melt this I have spare board to practice with. Heat might do this as might a solvent? Do you or any one know the best way to go about this.

Regards south657
 
Hi Chigwell thanks for that, now i have 5V at C6608 so U6620 is bad?
The problem with the amp ics is they are covered with a glue type substance.
I do not know how to melt this I have spare board to practice with. Heat might do this as might a solvent? Do you or any one know the best way to go about this.

Regards south657

Hi south657,

I've never tried to remove the gunk so I can't help. Do you have access to an oscilloscope? I would check input and output before condemning the chip - I find ICs are much more reliable than passive components such as capacitors, resistors and connectors. Check you have continuity across the sub speaker connections to see if it and its cabling/connections are OK.

Regards,

Chigwelldave.
 
Hi south657,

I've never tried to remove the gunk so I can't help. Do you have access to an oscilloscope? I would check input and output before condemning the chip - I find ICs are much more reliable than passive components such as capacitors, resistors and connectors. Check you have continuity across the sub speaker connections to see if it and its cabling/connections are OK.

Regards,

Chigwelldave.

Hi Chigwell

No it looks like Araldite type stuff I would say its to keep background noise down?

OK I do not have an Oscilloscope at the mo, have put another sub on no good, was thinking of putting some thing on the input to see if i get sound out. or just touching L6621 to see if i can hear a humming? will put some thought in to this as its new ground on a fault.

Regards south657
 
Hi

Hi South657,

I think that's correct - the sub does the chime. I am sure it doesn't come out of the left speaker (the one attached to the LB) but not 100% about the right.

Regards,

Chigwelldave.

Hi Dadioh,Cmdrdata, Chigwelldave looks like your holding the fort, Keep up the good work!!

Hi South657, is the speaker icon highlighted or shaded out in the Osx and in the settings does it show internal speaker device or digital O/P?

And what happens when a head phone is plugged in, can you get any sound O/P at all

I have repaired a similar problem on the same board, where some components on the other side of the board were missing.

Page (61 of schematics)DZ6700,C6700, C6701 and also a track was broken around one of the headphone socket solder joints.

So carefully examine the bottom of the headphone socket near the solder joints for any defects, if you have another similar board visually compare them or if you haven't a good working board for ref: i am sure you can source an image.

Regards to all macbookrepairs.
 
Hi soyo,

I'd remove the fuse (F7040) to see if the short is in the power supply or somewhere further down the line. If the short between pin 23 and ground is still there with the fuse removed, the fault is likely the low-side FET or one of the capacitors (C7040/C7045).

Regards,

Chigwelldave.

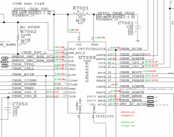
When I removed F7040, I checked the left side of F7040 is not shorted. But the voltage of Pin 23 is changing from 16.5V to 4.5V and go back to 16.5V and loop. Is is normal or ISL6259 damaged?

The right side(PPBUS_G3H) of F7040 is shorted GND. So I began to check 51125. Please see the picture. As I removed 51125 chip, I found PP5V_S3 is shorted to GND too. So PP5V_S3 and PPBUS_G3H are both shorted GND. So I doubt the Q7220(D and S are shorted; D and G are not shorted, G and S are not shorted) and Q7225(D and S are shorted; D and G are not shorted, G and S are not shorted) are damaged. Am I correct?
 

Attachments

  • 51125.jpg
    51125.jpg
    97.1 KB · Views: 1,234
Last edited:
When I removed F7040, I checked the left side of F7040 is not shorted. But the voltage of Pin 23 is changing from 16.5V to 4.5V and go back to 16.5V and loop. Is is normal or ISL6259 damaged?

The right side(PPBUS_G3H) of F7040 is shorted GND. So I began to check 51125. Please see the picture. As I removed 51125 chip, I found PP5V_S3 is shorted to GND too. So PP5V_S3 and PPBUS_G3H are both shorted GND. So I doubt the Q7220(D and S are shorted; D and G are not shorted, G and S are not shorted) and Q7225(D and S are shorted; D and G are not shorted, G and S are not shorted) are damaged. Am I correct?


Hi Chigwelldave,

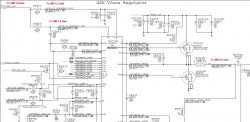
As PP5V_S3 is shorted GND, today I also checked GPU VCore Regulator. I found the Pin 16, 22 and 19 of ISL6263C are shorted to GND too. Please see the following picture.

I'm sure the ISL6263C is damaged. Because the ohm of 16 pin to GND should be more than 10 ohm and should not be 1.6ohm if the other places of PP5V_S3 are shorted.

I also doubt Q8950 and Q8951 are shorted. I still don't have an ideal how to test.

Thanks
-Soyo.
 

Attachments

  • ISL6263C.jpg
    ISL6263C.jpg
    112.1 KB · Views: 791
Hi Dadioh,Cmdrdata, Chigwelldave looks like your holding the fort, Keep up the good work!!

Hi South657, is the speaker icon highlighted or shaded out in the Osx and in the settings does it show internal speaker device or digital O/P?

And what happens when a head phone is plugged in, can you get any sound O/P at all

I have repaired a similar problem on the same board, where some components on the other side of the board were missing.

Page (61 of schematics)DZ6700,C6700, C6701 and also a track was broken around one of the headphone socket solder joints.

So carefully examine the bottom of the headphone socket near the solder joints for any defects, if you have another similar board visually compare them or if you haven't a good working board for ref: i am sure you can source an image.

Regards to all macbookrepairs.

Hi macbookrepairs thanks for trying to help I will not get a chance to get on this till later in the week. ok Right and left amps are working ok all speakers are ok and headphones work and mic on a 4 way 3.4 jack, its the sub that is the problem? I have not looked at that side of the board since cleaning it. I will do the things Dave has said and a few other ideas and then take it out and look at the things you have suggested on the other side. I think first I need to
Know if I am getting the chime at input level to the power amp first. any way thanks for the ideas will let you all know how I get on regards south657
 
Hi Soyo you are saying pin 23 o volt on u7000 but on the schem you marked
volts down on pin 23?
Do you get G3hot? Was the board water damaged?

The schematic is a standard voltage should be. I do get G3hot. Yes, water damaged. Please see my recent two updates. I found new shorted parts.
 
The schematic is a standard voltage should be. I do get G3hot. Yes, water damaged. Please see my recent two updates. I found new shorted parts.

Ok makes better sense how did you clean the board and how long since the spill.
you seem to have a lot of faults would be best for Dave and others to know from scratch.

regards south657
 
Ok makes better sense how did you clean the board and how long since the spill.
you seem to have a lot of faults would be best for Dave and others to know from scratch.

regards south657


Apple repair service did clean on that. My friend gave up to fix it for 500$ in Apple, so gave to me. Please give me some suggestions on two replies with schematic.

Thanks
-soyo
 
Hi macbookrepairs thanks for trying to help I will not get a chance to get on this till later in the week. ok Right and left amps are working ok all speakers are ok and headphones work and mic on a 4 way 3.4 jack, its the sub that is the problem? I have not looked at that side of the board since cleaning it. I will do the things Dave has said and a few other ideas and then take it out and look at the things you have suggested on the other side. I think first I need to
Know if I am getting the chime at input level to the power amp first. any way thanks for the ideas will let you all know how I get on regards south657

Hi South657,

Assuming there is an input, have you checked the shutdown pin? The amp may just be in power saving mode - check ball C2 is high.

Regards,

Chigwelldave.

----------

Hi Chigwelldave,

As PP5V_S3 is shorted GND, today I also checked GPU VCore Regulator. I found the Pin 16, 22 and 19 of ISL6263C are shorted to GND too. Please see the following picture.

I'm sure the ISL6263C is damaged. Because the ohm of 16 pin to GND should be more than 10 ohm and should not be 1.6ohm if the other places of PP5V_S3 are shorted.

I also doubt Q8950 and Q8951 are shorted. I still don't have an ideal how to test.

Thanks
-Soyo.

Hi Soyo,

If your PP5VS3 is short then pin 16 of the ISL6263 to ground should be 10ohms. If lower, check C8901 as capacitors are easier to remove than QFN chips. Also, when checking the FETS, many of them have built in diodes and so will conduct D-S in one direction when tested with a meter in diode test mode.

Regards,

Chigwelldave.
 
Hi South657,

Assuming there is an input, have you checked the shutdown pin? The amp may just be in power saving mode - check ball C2 is high.

Regards,

Chigwelldave.

----------



Hi Soyo,

If your PP5VS3 is short then pin 16 of the ISL6263 to ground should be 10ohms. If lower, check C8901 as capacitors are easier to remove than QFN chips. Also, when checking the FETS, many of them have built in diodes and so will conduct D-S in one direction when tested with a meter in diode test mode.

Regards,

Chigwelldave.

I'm using 200ohm mode of multimeter. The reading value only has 1.5ohm. If it conducts D-S, the value should be more than 1.5ohm.
 
Macbook Pro 13 2009

Hey,
I just bought a MacBook Pro 13 2009 2,26GHz from ebay that does charge but does not turn on. But when i press the power button the chip U7200 is getting very hot. On Pin 3 the capacitor is missing. First when I measured on the pin where the capacitor is missing Igot 2. something V and it made a noise (don't where it came from), but when i measure now I got 4.29V. Is U7200 faulty or is it just the capacitor?:)
I just found out more, on Pin 17 I got on my functional Macbook 5V and there I got the same as VIn when I turn it on...
 
Last edited:
Hi South657,

Assuming there is an input, have you checked the shutdown pin? The amp may just be in power saving mode - check ball C2 is high.

Regards,

Chigwelldave.

----------



Hi Soyo,

If your PP5VS3 is short then pin 16 of the ISL6263 to ground should be 10ohms. If lower, check C8901 as capacitors are easier to remove than QFN chips. Also, when checking the FETS, many of them have built in diodes and so will conduct D-S in one direction when tested with a meter in diode test mode.

Regards,

Chigwelldave.

Hi Chigwelldave,

Looked at testing C2 and the trace is covered in gunk and i have no idea how to find the other end of the trace? looked over all other things with no luck so far.
Was looking at pp57 K90i U6201 pin 37 36 would that be the input to sub amp
U6620? i.e. the chime would come out of 36 37 and this would be a digital signal? If it is how could i test it without a scope?
 
Register on MacRumors! This sidebar will go away, and you'll see fewer ads.