Become a MacRumors Supporter for $50/year with no ads, ability to filter front page stories, and private forums.
F7000

Hello,
I am trying to rescue my MacBook 13" (Unibody Late 2009 model A1342) that all of a suddend stopped working. There is no sign of life when you press the power button. No liquid damage - just stopped working.
The battey charging works fine, I can measure the G3HOT and 12V. When I try to boot connecting the pin 5 of the keyboard to ground and the baterry and the MagSafe are connected, the voltages 5V,3.3V, 1.05V appear and they are steadily available. When I try to boot when only the battery is connected, the 5V,3.3V, 1.05V appear for just several seconds and they are gone.

Have you ever seen such a behaviour?
Hello,
Have you ever replaced the 7A fuse (F7000) of the 12V main power? I made a short while troubleshooting and I have to replace this fuse now. I see that a fuse like that can be bought at Farnell, but I am not sure if I should buy a slow or a fast one. Any suggestions?

Thanks
 
MB13 unibody silver 2008 a1278

Hi all,

welcome Back Dadioh, luckly mr data was producing the goods in your absence .

My question is ethernet port not working , internal system recognizes hardware but there is no power or data being transferred.

So is this fuse supposed to be open ... see pic

and if not what is its value... so i can replace

also the same board suffered compression damage, force trauma around that same area and its causing mag safe to flicker green vigorously and it still powers on, then a solid green light forms. after then turn off, the green light flickers again.

voltages are unstable through out so i need to single out the stabilizing packets, its as if the sense line is beings manipulated by inconsistent voltages or there is too much power being supplied and its overflowing everywhere. any ideas?

many thanks in advance
 

Attachments

  • fuse.png
    fuse.png
    826.6 KB · Views: 1,507
Last edited:
Macbook Pro 13 2010 A1278 EMC:2351

Need help on this to find out why it wont fire up. I have added some mesurements on the pictures.

Thanks guys :)
 

Attachments

  • Macbook pro A1278.JPG
    Macbook pro A1278.JPG
    851.9 KB · Views: 5,452
  • Macbook pro A1278 back.JPG
    Macbook pro A1278 back.JPG
    1.3 MB · Views: 6,576
Last edited:
Need help on this to find out why it wont fire up. I have added some mesurements on the pictures.

Thanks guys :)

I have the exact same issue. Have you tried to taking out the RAM and turning it on. If you hear a beep at least you know the cpu is in order. No beep bad cpu.
 
I have the exact same issue. Have you tried to taking out the RAM and turning it on. If you hear a beep at least you know the cpu is in order. No beep bad cpu.

I have tried this but no success, I think there have to be no problems with the voltage on the boards before the mac can "beep". I have problems to find out why I dont get 5V on the board. I have 5V at VREG5 but no were else :confused:

Do you have 5V any place?
 
I have tried this but no success, I think there have to be no problems with the voltage on the boards before the mac can "beep". I have problems to find out why I dont get 5V on the board. I have 5V at VREG5 but no were else :confused:

Do you have 5V any place?

Ignore my previous comment as it relates to a different board. My board has the same Voltage readings as pictured in your post with no power at all so no beep test can be conducted.
 
Last edited:
OK that makes more sense.

The voltages look OK. Check the 5V and 3.3V power as well. It is the small device near the wifi connection. I can't remember the exact points to measure but there are test points that can be used so you don't have to probe on the chip itself.

Hi Dadioh, I checked for Voltage in that area with no sign of power. Do you have a specific point I can try? What is the solution if there is no power in the area. Thanks so much....
 
great pics btw

i need you to run ASD 3s144

i think its going to fail on one of the sensors (a nor) maybe?check pic for area

wont know until you run the test.
also will it boot with just the battery and no mag safe?

Hi Guys,
Today I ran the Apple ASD and no errors were detected. All test in ASD EFI OS and ASD OS passed with OK. Any other ideas?
 
I have mbp 15", i5, 2010 (820-2850). I checked the logic board and found out that charger IC was faulty. Replaced it with a new one and it worked fine a couple of days. I observed that the big IC (North Bridge?) which is not cooled was about 60-70 C.

Now the machine won't start. The fans spin for about 4-5 sec. with blank display than it restarts and so on. The charger IC has the right values (12,5V on PPBUS) and there is a steady green led on magsafe.

The funny thing is that when I coincindentally touched with my finger around an IC the fans worked continuosly and CPU and GPU gets warm but again nothing on display. This IC is U7300 (supply voltages for DDR RAM).

Anybody can help?
 
Hi Dadioh, I checked for Voltage in that area with no sign of power. Do you have a specific point I can try? What is the solution if there is no power in the area. Thanks so much....

You can test on the ends of some of the caps around the 5V/3.3V chip (don't have a board in front of me right now). If you don't see any voltages that would be a big part of your problem. Check the schematic for the 5V and 3.3V supply to verify further but it sounds like that guy is bad.

----------

Here is an interesting one. I have a MBP 13 2011 model (i5 2.4GHz). It was a wine spill victim. I cleaned it up in my ultrasonic cleaner and got everything sparkly again. Then discovered that the charger IC ISL6259 was bad. So I replaced that and wasn't getting green or amber LED and no boot.

Then I noticed the battery was very low (<8V) so I pulled it out and put in another battery that was already charged. Pushed the button and was surprised to hear the chime and system booted. All of a sudden the green/amber LED was working on the magsafe :confused:

When I shut down the machine, the magsafe charging stops and I lose the LED's. As soon as I boot that circuit starts working again. Very odd.

Any ideas on what could be causing the charger circuit to only work when the system has turned on? In this state, if you ever drained your battery you would not get this machine running again unless you marginally charged it on another machine first.

Open to suggestions....
 
Here is an interesting one. I have a MBP 13 2011 model (i5 2.4GHz). It was a wine spill victim. I cleaned it up in my ultrasonic cleaner and got everything sparkly again. Then discovered that the charger IC ISL6259 was bad. So I replaced that and wasn't getting green or amber LED and no boot.

Then I noticed the battery was very low (<8V) so I pulled it out and put in another battery that was already charged. Pushed the button and was surprised to hear the chime and system booted. All of a sudden the green/amber LED was working on the magsafe :confused:

When I shut down the machine, the magsafe charging stops and I lose the LED's. As soon as I boot that circuit starts working again. Very odd.

Any ideas on what could be causing the charger circuit to only work when the system has turned on? In this state, if you ever drained your battery you would not get this machine running again unless you marginally charged it on another machine first.

Open to suggestions....

With just the magsafe connected (no battery) and system not turned on, do you have G3HOT? Since G3HOT is the power that is always on if magsafe or battery is connected (older system use D6905 as raw input source to it), nothing will start without it. I think when you connected a good battery to it, G3HOT then becomes active from the 12v and thus it enable the system to boot (assuming all other logic is ok, which your system seemed to be).
 
You can test on the ends of some of the caps around the 5V/3.3V chip (don't have a board in front of me right now). If you don't see any voltages that would be a big part of your problem. Check the schematic for the 5V and 3.3V supply to verify further but it sounds like that guy is bad.

----------

Here is an interesting one. I have a MBP 13 2011 model (i5 2.4GHz). It was a wine spill victim. I cleaned it up in my ultrasonic cleaner and got everything sparkly again. Then discovered that the charger IC ISL6259 was bad. So I replaced that and wasn't getting green or amber LED and no boot.

Then I noticed the battery was very low (<8V) so I pulled it out and put in another battery that was already charged. Pushed the button and was surprised to hear the chime and system booted. All of a sudden the green/amber LED was working on the magsafe :confused:

When I shut down the machine, the magsafe charging stops and I lose the LED's. As soon as I boot that circuit starts working again. Very odd.

Any ideas on what could be causing the charger circuit to only work when the system has turned on? In this state, if you ever drained your battery you would not get this machine running again unless you marginally charged it on another machine first.

Open to suggestions....

Maybe you should first check voltages on charger IC ISL6259 when the machine is shut down. I have experienced twice that after I changed it it needed more reflow.
 
Macbook Pro 13 2010 A1278 EMC:2351

Anyone have some mesurements around an working 5V/3.3V regulator(U7200) to compare with the one I have taken?
 

Attachments

  • Macbook pro A1278.JPG
    Macbook pro A1278.JPG
    851.9 KB · Views: 801
  • Macbook pro A1278 back.JPG
    Macbook pro A1278 back.JPG
    1.3 MB · Views: 1,288
With just the magsafe connected (no battery) and system not turned on, do you have G3HOT? Since G3HOT is the power that is always on if magsafe or battery is connected (older system use D6905 as raw input source to it), nothing will start without it. I think when you connected a good battery to it, G3HOT then becomes active from the 12v and thus it enable the system to boot (assuming all other logic is ok, which your system seemed to be).

I believe so but this was late last night when I got the oh so welcome chime so I haven't had a chance to spend any time on it. As was suggested I need to document some of the voltages around the charger both with and without battery/magsafe connected and also system on and off. Entirely possible one of the pins is not soldered correctly. These QFN's are tough.

I will report back when I figure it out. Was hoping someone else had seen this before and had figured it out. But that would spoil all my fun :p
 
I believe so but this was late last night when I got the oh so welcome chime so I haven't had a chance to spend any time on it. As was suggested I need to document some of the voltages around the charger both with and without battery/magsafe connected and also system on and off. Entirely possible one of the pins is not soldered correctly. These QFN's are tough.

I will report back when I figure it out. Was hoping someone else had seen this before and had figured it out. But that would spoil all my fun :p

i did have this problem on a mb 13 unibody ,
then 3 days ago it died completely.

so sorry dadioh i have no readings for you.

mine did have a dry solder joint issues if that helps at all
 
You can test on the ends of some of the caps around the 5V/3.3V chip (don't have a board in front of me right now). If you don't see any voltages that would be a big part of your problem. Check the schematic for the 5V and 3.3V supply to verify further but it sounds like that guy is bad.



Thanks so much for getting back to me! I found VREG5 with no Voltage (should be 5V??) Also, no voltage at Q7930. I don't have a schematic so i can't trouble the 3v/5v supply.
 
Last edited:
mbp 15" a1286 2008 water spill

mbp 15" a1286 2008 water spill

i have this problem

cleaned everything all is fine charging and booting passed all tests on ASD

however keyboard is complete gibberish and keys are un responsive,

replaced with 2 known good keyboards... same problem

plugged in external keyboard all is fine...

is there a packet that controls keyboard controls on the logic board

and if so where is it ???


many thanks guys
 
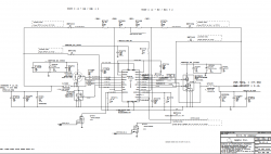
Thanks so much for getting back to me! I found VREG5 with no Voltage (should be 5V??) Also, no voltage at Q7930. I don't have a schematic so i can't trouble the 3v/5v supply.

Here's a typical 5v and 3.3v schematic for mid 2010 MBP13U.
 

Attachments

  • Screen Shot 2013-01-17 at 7.17.09 PM.png
    Screen Shot 2013-01-17 at 7.17.09 PM.png
    142.4 KB · Views: 942
mbp 15" a1286 2008 water spill

i have this problem

cleaned everything all is fine charging and booting passed all tests on ASD

however keyboard is complete gibberish and keys are un responsive,

replaced with 2 known good keyboards... same problem

plugged in external keyboard all is fine...

is there a packet that controls keyboard controls on the logic board

and if so where is it ???


many thanks guys

External keyboard, if USB connected is probably sending serial data for various key presses and thus get decoded by the keyboard decoder chip internally. The laptop keyboard on the other hand are parallel coded input WS_KBDnn (where nn = 1 thru 23) that are sensed directly by the chip and active lines are turned to logic one/tru signal. You may have an open line someplace, a pull up resistor or voltage supply to the keyboard or perhaps a couple of adjacent signals are shorted together thus resulting in gibberish code to the CPU.
 
Amazeballs & now time to fix.

Firstly,
as a first year engineer in uni, still deciding to choose what area I want to get into; after reading this thread, I'm getting a bit excited about electrical engineering. It seems so interesting....and so endless; but hey, that seems like the fun part.
But honestly, I feel like I've learnt something skimming over the past pages!

Now to what brings me here. Same deal as most people, power problem with the Macbook Pro, though it's a 15 Inch, 2010 model, and though it's been mentioned throughout this thread, I've had trouble getting the basics of what I need to test out. I've the done the general business, including isopropyl cleaning and compressed air etc. and now I've just reached the point where I've had enough of wishy washy online tech forums and just want to get to the bottom of this so I know where I can go from here.

I've attached a multimeter reading of few of the points I feel I should include,
Let me know if I should upload anymore/I have a feeling looking at some of the other uploads that I'll be testing many more points.

I have tried shorting the Power Pads, but unfortunately it doesn't come to life, though the power pads do show a voltage difference.

Hopefully you can help me get to the bottom of this!

EDIT: Forgot to add exact details. MBP does not boot up, or power on. Have had this problem since this started. Was able to diagnose that the magsafe board itself was faulty, so I replaced it with a new one.
Prior to replacement, there was no light on the magsafe charger, and after replacing, there was a solid green light. A day later though, plugging the charger in, there is no light, but at closer inspection, it seems that one of the pins is stuck, so I have to give it a fiddle and try and fix it.
Regardless though, with or without the power, the Macbook does not boot up, though the battery capacity indicator shows roughly half of the indicator dots.

lzolo.jpg

http://imageshack.us/photo/my-images/541/lzolo.jpg/
 
Last edited:
External keyboard, if USB connected is probably sending serial data for various key presses and thus get decoded by the keyboard decoder chip internally. The laptop keyboard on the other hand are parallel coded input WS_KBDnn (where nn = 1 thru 23) that are sensed directly by the chip and active lines are turned to logic one/tru signal. You may have an open line someplace, a pull up resistor or voltage supply to the keyboard or perhaps a couple of adjacent signals are shorted together thus resulting in gibberish code to the CPU.

This is great !!
Would you happen to know the location of this chip???
CPU side??
I knew you would know top man Cmrdata !
 
This is great !!
Would you happen to know the location of this chip???
CPU side??
I knew you would know top man Cmrdata !

Nope. I don't have the schematic or boardview file for your specific MBP. In a couple of schematics I have for MBPs, this is U5701 or CY8C24794, a 56-pin chip produced by Cypress Semiconductor.
 
Nope. I don't have the schematic or boardview file for your specific MBP. In a couple of schematics I have for MBPs, this is U5701 or CY8C24794, a 56-pin chip produced by Cypress Semiconductor.

NICE ONE DATA ....
FOUND IT!

Cleaned
Heat flowed off
heat flowed back on
Cleaned again
Reassembled
job done

carmen
whos machines you helped fix
says a Big Thank YOU
 
I hope me adding here is not considered rude and no offense is taken. I have read this thread with interest and thought I might be able to add a small tid bit to help the great minds working on this problem sift out more of what is happening. I don't believe this is a bypass of the SMC, rather it has been put in a debugging mode. You can still monitor battery charging with CoconutBattery. I believe the SMC is what reports this.

I am having SMC issues with my macbook pro (early 2011). I seen here that the SMC may have been put into a debugging mode. Is there a way of getting it out of this mode? I just want to try everything within my capabilities before i have to go and pay for it to be repaired. Any help would be greatly appreciated.
 
MBP 13 inch 2011,2.7GHZ i7

In the hopes of generating some technical sharing on this particular HW issue I am starting up a thread to share the symptoms and potential solution to what appears to be a fairly common failure mode on the Macbook Pro 13" (and possible other unibody Macbooks). I suspect these are usually the result of some trauma or liquid spill that damages some aspect of the SMC control circuit. Please feel free to add your own experiences/symptoms and hopefully we can get close to the HW solution.

The symptoms:
The MBP will appear to be completely dead. No response to power button. No response to standard SMC reset procedure.

Temporary bypass:
With the magsafe disconnected press and hold the power button. While continuing to hold the power button plug in the magsafe connector. Continue to hold down the power button for 5 to 10 seconds. Release the power button and wait a couple of seconds. Now press and release power button. PRESTO! The Macbook chimes and starts up but with fan on high speed. Boots up into OSX but with a few caveats which I list below:

Fan runs on high speed.
iStat menus can not sense either temperature or fan speed so access to those sensors is not there. Probably why the fans run on high.
No voltages or power displayed by iStat
"About this Mac" can not see the battery even though it is plugged in.
Does not charge the battery.
Everything else seems to work (Airport, USB, iSight, DVD, Disk)



Taken from the Apple support page about resetting the SMC suggests all of these symptoms are related to non-communication with the SMC. Not sure at the moment why the plugging in of the magsafe while holding the power allows the system to boot. Maybe bypasses some sort of SMC check?


The System Management Controller (SMC) is responsible for many low-level functions on Intel-based Macs. These functions include:

Responding to presses of the power button
Responding to display lid opening and closing on portable Macs
Battery management
Thermal management
The SMS (Sudden Motion Sensor)
Ambient light sensing
Keyboard backlighting
Status Indicator Light (SIL) management
Battery status indicator lights
Selecting an external (instead of internal) video source for some iMac displays

Hi,I bought the new MBP in August 2011 and on 20.01.13 I faced MBP does not power on after performing the following.
1-Disconnect the battery with care.
2-Replace the hard drive.
3-MBP does not power on.
4-Check the battery indicator by pressing the small button near the indicator leds but no light.
5-Put the old hard drive but could not power on MBP.
Perform the smc reset as describe by apple but of no use.When connected the charger to do smc reset the charger green light fade in few seconds.The battery level was 85% when started the adventure,to cross check the battery I checked the voltage at the connector position but nothing measured,then I connected the charger and check again but no voltage.can you please help me to find out what has gone wrong.
Take care.
:eek:
 
Register on MacRumors! This sidebar will go away, and you'll see fewer ads.