Become a MacRumors Supporter for $50/year with no ads, ability to filter front page stories, and private forums.
Status
The first post of this thread is a WikiPost and can be edited by anyone with the appropiate permissions. Your edits will be public.
Lots to choose from just wondered what would be your personal preference
Haven't you checked his signature ? ;)

But those are too rare to be found now.

Some WX4130 / 4150 are still circulating in the market ...

They need no heatsink modding, except for an additional small copper plate over the GPU.

They provide enough performance for usual daily chores, even better than your old GPU.

I don't think you are going to use your 10+yrs old iMac for any powerful workstation function beyond its capability.
 
iMac 9,1/10,1 (2009 Core2Duo) GPU Change Project

In this post I try to post as much information on hacking the VBIOS to work on our precious iMacs. I'm starting literally from scratch. When I learn something new I will share it with the world. I might get some things wrong initially but I try to be as accurate as I can.

This post seems to hint on the fact that these older iMacs are using LVDS instead of DP for the internal display. Indeed we find LVDS entries in the VBIOS of the iMac9,1. Adding these to the VBIOS of another card might just work.

iMac9,1 uses LVDS, iMac10,1 uses DP!

I have no idea why the vbiosses supplied here are not working on the iMac10,1. A GeForce 9400M dump of an iMac10,1 probably holds the answer, but I have not acquired it yet.

So the question to investigate is: What did Apple change between A1311 (iMac10,1) and A1312 (iMac11,1)?

iMac10,1:
View attachment 1796852

iMac11,1:
View attachment 1796853

Plan of attack:

  • Put valid DCB Table Entry #0 X3 X1 00 01 34 00 01 00 / Copypaste whole DCB Table
  • Put valid CCB Table Entry #X 03 00 00 05 / Copypaste whole CCB Table
  • Put valid Connector Table Entry #X 40 02 00 00 / Copypaste whole Connector Table
  • Fix Checksum

First off I gather the VBIOS from a iMac9,1 featuring a Geforce 9400M. This is done using rEFInd. Because the firmware of these iMacs is too old we also need the EFI shell of rEFIt. Replace the shell.efi in the 'tools' folder. Information is gathered from here.

Code:
- "devices -b"
E6 B - - 1 2 5 NVIDIA GPU

- "dh -b e6"
ROM Size......: EE00
ROM Location..: BE62D018

- "fs0:"
- "mem BE62D018 EE00 > 9400_output.txt"

The DCB pointer is found at 0x36 of the UEFI rom starting with 0x55 0xAA. All pointers are relative from this location, if an IFR header is present the offset needs to be added!

Code:
55 aa 77 eb 4b 37 34 30  30 e9 4c 19 77 cc 56 49  44 45 4f 20 0d 00 00 00  98 01 9a 1c 00 00 49 42
4d 20 56 47 41 20 43 6f  6d 70 61 74 69 62 6c 65  01 00 00 00 c0 00 14 be  30 31 2f 30 38 2f 30 39

So this is 0x14 0xBE -----> pointer to 0xBE14.

This is the header found at @0xBE14:

Code:
40 1b 10 08 af be cb bd  dc 4e 00 f4 be f1 bf fd  bf 06 c0 1b c0 01 00 00  60 c0

Header Size (this!) = 0x1b = 27 bytes long
Entry Count = 0x10 = 16 entries
Entry Size = 0x08 = 8 bytes long
Communications Control Block @ 0xBEAF.
GPIO Assignment Table
@ 0xBEF4.
Input Devices Table
@ 0xBFF1
Personal Cinema Table @ 0xBFFD
Spread Spectrum Table @ C006

Connector Table @ C01B
??? @ C060


Directly following are the DCB Device Entries:

DCB Device Entries

Code:
00 => 23 11 00 01 34 00 01 00 <-- TYPE = 0x3 = LVDS; EDID PORT = 0x2 = Reference to Communications Control Block?; CON INDEX = 0x1 = Connector Table Index
01 => 32 02 01 02 10 00 00 00 <-- TYPE = 0x2 = TMDS; EDID PORT = 0x3 = Reference to Communications Control Block?
02 => 86 02 01 02 10 00 22 0f <-- TYPE = 0x6 = DISPLAYPORT; EDID PORT = 0x8 = Reference to Communications Control Block?
03 => 0e 00 00 00 00 00 00 00 <-- TYPE = 0xE = EOL (End of Line)
04 => 0f 00 00 00 00 00 00 00 <-- TYPE = 0xF = SKIP
05 => 0f 00 00 00 00 00 00 00
06 => 0f 00 00 00 00 00 00 00
07 => 0f 00 00 00 00 00 00 00
08 => 0f 00 00 00 00 00 00 00
09 => 0f 00 00 00 00 00 00 00
10 => 0f 00 00 00 00 00 00 00
11 => 0f 00 00 00 00 00 00 00
12 => 0f 00 00 00 00 00 00 00
13 => 0f 00 00 00 00 00 00 00
14 => 0f 00 00 00 00 00 00 00
15 => 0f 00 00 00 00 00 00 00

Communications Control Block Header:

Code:
40 05 10 04 02

Entry Count = 0x10 = 16 entries

Communications Control Block Entries:

Code:
00 => 00 00 00 05
01 => 00 00 00 ff
02 => 03 00 00 05 <------ Device Entry 1 refers to this??? 0x3 = I2C
03 => 02 00 00 05 <------ Device Entry 2 refers to this??? 0x2 = DDC2
04 => 00 00 00 ff
05 => 00 00 00 ff
06 => 00 00 00 ff
07 => 00 00 00 ff
08 => 00 00 00 06 <------ Device Entry 3 refers to this??? AUXCH 00
09 => 01 00 00 06 <------ AUXCH 01
10 => 02 00 00 06 <------ AUXCH 02
11 => 03 00 00 06 <------ AUXCH 03
12 => 00 00 00 ff
13 => 00 00 00 ff
14 => 00 00 00 ff
15 => 00 00 00 ff

GPIO Assignment Table Header:

Code:
40 04 08 01


GPIO Assignment Table Entries:

Code:
00 => 0f
01 => 0f
02 => 0f
03 => 0f
04 => 0f
05 => 0f
06 => 0f
07 => 0f

Input Devices Table:

Code:
40 0c 00 00 f0 00 00 00 0f 00 00 00

Header Size = 0x0c = 12 bytes long
Entry Count = 0
Entry Size = 0
So why the long header...?

Personal Cinema Table Header

Code:
41 05 04 01 00

Header Size = 0x05 = 5 bytes long

Personal Cinema Table

Code:
01 00 00 00

idk lol

Spread Spectrum Table Header

Code:
40 05 04 04 00

Header Size = 0x05 = 5 bytes long
Entry Count = 0x04
Entry Size = 0x04

Spread Spectrum Table Entries

Code:
01 => ff 00 00 00
02 => ff 00 00 00
03 => ff 00 00 00
04 => ff 00 00 00

Connector Table Header??

Code:
40 05 10 04 00

Connector Table Entries??

Code:
00 => 46 a1 00 00 <-- DisplayPort External Connector
01 => 40 02 00 00 <-- LVDS-SPWG-Attached <------ Device Entry 1 refers to this???
02 => 46 52 00 00 <-- DisplayPort External Connector
03 => ff 00 00 00
04 => ff 00 00 00
05 => ff 00 00 00
06 => ff 00 00 00
07 => ff 00 00 00
08 => ff 00 00 00
09 => ff 00 00 00
10 => ff 00 00 00
11 => ff 00 00 00
12 => ff 00 00 00
13 => ff 00 00 00
14 => ff 00 00 00
15 => ff 00 00 00

??? @ C060

Code:
10 04 12 05

Checksum:

Code:
8c

Last byte of UEFI firmware is checksum. It should be necessary to recalculate and change this when making changes to the vbios. Attached is a small C program that calculates this. It currently only understands the raw UEFI/GOP portion of the VBIOS, which is as far as I currently know the only thing we need to work in anyway.

  • Do we need the IFR section before the GOP/UEFI section for iMac to operate?
  • Do we need the oldschool BIOS after the GOP/UEFI section for iMac to operate?
Attached is the original VBIOS of an iMac9,1 equipped with a GeForce 9400M. This article is based on it and it may contain the information necessary to create a VBIOS that works on iMac9,1 and iMac10,1.

Under investigation (reverse engineering the modded nikey22 vbios):

GPIO:

Code:
41 06 20 05 F7 5B

00 => 00 6C 00 00 4F
01 => 01 6D 00 00 4F
02 => 02 21 88 80 4F <--- changes 0x88 (SEL_SOR2_TMDS_OUT_PWM) to 0x84 (SEL_SOR1_TMDS_OUT_PWM)
03 => 83 01 00 00 4F
04 => 04 00 8A 00 4F <--- changes 0x8a (SEL_SOR2_TMDS_OUT_PINB) to 0x86 (SEL_SOR1_TMDS_OUT_PINB)
05 => 05 FF 00 00 EF
06 => 06 6E 00 00 4F
07 => 07 FF 4B 00 43
08 => 08 FF 00 00 EF
09 => 09 49 59 00 1F
10 => 8A 2E 00 00 1F
11 => 0B 81 5D 80 4F
12 => 0C 2B 00 17 BF
13 => 0D FF 00 00 EF
14 => 0E FF 00 00 EF
15 => 0F 51 00 01 EF
16 => 10 FF 00 00 EF
17 => 11 52 00 02 EF
18 => 12 5E 00 03 EF
19 => 13 5F 00 04 EF
20 => 14 FF 00 00 EF
21 => 00 FF 00 00 0F
22 => 00 FF 00 00 0F
23 => 00 FF 00 00 0F
24 => 00 FF 00 00 0F
25 => 00 FF 00 00 0F
26 => 00 FF 00 00 0F
27 => 00 FF 00 00 0F
28 => 00 FF 00 00 0F
29 => 00 FF 00 00 0F
30 => 00 FF 00 00 0F
31 => 00 FF 00 00 0F
Has anything ever become of this? I have a 9,1 24" I'd like to get the GT130 out of.
 
  • Like
Reactions: Ausdauersportler
Has anything ever become of this? I have a 9,1 24" I'd like to get the GT130 out of.
I have an identical iMac. According to someone on techpowerup Maxwell is the last gen of cards to support LVDS, so metal might be possible. If you have a card sitting around try removing all drives and using an opencore usb to see if you get video using a Maxwell card. The only card I have that might be physically compatible is a HD 5670, which I guess wouldn't be a pointless upgrade now that TS2 support is in beta with OCLP IF it had LVDS, which as far as I can tell it does not.

The GTX 765m Looks like the cheapest card (at around $150) with both metal and LVDS (I can't find any data on the quadro cards) and will need a heatsink mod if it works. As much as I hate to hear it too, it just isn't economical to upgrade the graphics of the 9,1.

Sorry if this has already been said, I haven't read all 612 pages
 
  • Like
Reactions: Ausdauersportler
I'm new here but was able to successfully (mostly) upgrade a mid 2011 imac with a 2600S and Quadro k2100m using the great resources here! My one question is if the VRAM size in the Graphics description in "About this Mac" baked into the ROM or is it dynamically populated? I was expecting to have a 2GB VRAM 2100, but it shows as a 1GB. I am trying to figure out if I received a 1GB card or if I flashed the 1GB ROM (I didn't see any VRAM size versions). Thanks!
Same problem here! Wth?!
showed 2gb before the flash and now only 1. i had to dl and try with latest updated version by @The_Croupier, and the terminal location path was different than the original xanderon ul.
45653ABE-B53B-48E0-885B-09BAAA34F54F.png
84439E1F-19CF-4C79-80F9-44626D3B6E2C.png
 
Awesome! Thank you so much! Fixing an old friends broken imac for his bday and decided to soup it up some after replacing the burnt out power supply and logic board. Tytyty!!!
8FC8B516-5DA8-43CC-A301-25882B5CEA32.jpeg
 
  • Like
Reactions: Dilli and FlorisVN
Has anything ever become of this? I have a 9,1 24" I'd like to get the GT130 out of.

For the iMac9,1, which uses LVDS: It might be possible to produce a working NVIDIA VBIOS using the DCB tables I posted in that post. The GeForce 9400M VBIOS is ripped from an actual iMac9,1. Please also dump the VBIOS of that GT130. The DCB tables should be the same of the GeForce 9400 VBIOS I used for that.

I myself am kinda stuck as I have an iMac10,1, I want to replace the GPU on. This uses DP but for some reason it still doesn't work with the VBIOSses posted here. I need the iMac10,1 GeForce 9400M VBIOS for proper investigation, but I did not acquire it yet.
 
Hello Everyone!
I have a 27-inch Late 2009 iMac (2.8GHz i7). The factory Radeon HD 4850/512MB gave up service about 6 years ago. I bought a used replacement card on eBay, but (intentionally or accidentally) I received a Radeon HD 4670/256MB instead, which is now in the computer and works fine under High Sierra without any jiggery-pokery.

My goal now is to extend the useful life of this iMac by installing Catalina. Purpose is the same as before, as my main desktop computer, generic office and internet (document editing, printing, scanning, photo viewing, e-mail, an up-to-date Firefox), occasional PhotoShop or CorelDraw, and frequent GarageBand jobs.

I tried dosdude1's Catalina Patcher, but the patced installer set fails to boot up on this iMac (it booted up just fine on another). I assume the source of the problem is the replaced video card, the HD 4670 not being supported. Am I correct with this assumption, or should the installer boot up with the HD 4670?

I do not mind investing around $50 to buy another video card, but spending more than that on this hardware makes no sense.

My requirements:
1.) Catalina working on my Late-2009 iMac 27.
2.) Spend around $50 and not much more.
3.) Working boot screen.
4.) Working brightness control.
5.) Working sleep/wake.
6.) Working thermal - No loud full-speed fan (preferrably without 3rd-party fan control Apps)

I do not mind fiddling with OpenCore, kexts, or a little hardware DIY on the card. And I am happy to boot Linux blindly, ssh to the iMac, and run a couple of commands to flash the video BIOS and reboot the system.
I would prefer NOT TO buy a 3-pipe heatsink to replace the factory 2-pipe, because that would make me run out of sensible expenses.

From what I read in this thread, this seems to be achievable. However, I could use a little clarification on certain details. The first being: am I safe to by this HP ZBook K1100M card?
The GPU ID looks good, N15P-Q1-A2. The underside shows 2x SKhynix chips, but I see nothing on the 4 big black chips around the GPU.
Also, how do I know which of the two ROMs (ROM, or ROM1) to flash into this?

Regards,
Keve
 
Last edited:
Hello Everyone!
I have a 27-inch Late 2009 iMac. The factory Radeon HD 4850/512MB gave up service about 6 years ago. I bought a used replacement card on eBay, but (intentionally or accidentally) I received a Radeon HD 4670/256MB instead, which is now in the computer and works fine under High Sierra without any jiggery-pokery.

My goal now is to extend the useful life of this iMac by installing Catalina. Purpose is the same as before, as my main desktop computer, generic office and internet (document editing, printing, scanning, photo viewing, e-mail, an up-to-date Firefox), occasional PhotoShop or CorelDraw, and frequent GarageBand jobs.

I tried dosdude1's Catalina Patcher, but the patced installer set fails to boot up on this iMac (it booted up just fine on another). I assume the source of the problem is the replaced video card, the HD 4670 not being supported. Am I correct with this assumption, or should the installer boot up with the HD 4670?

I do not mind investing around $50 to buy another video card, but spending more than that on this hardware makes no sense.

My requirements:
1.) Catalina working on my Late-2009 iMac 27.
2.) Spend around $50 and not much more.
3.) Working boot screen.
4.) Working brightness control.
5.) Working sleep/wake.
6.) Working thermal - No loud full-speed fan (preferrably without 3rd-party fan control Apps)

I do not mind fiddling with OpenCore, kexts, or a little hardware DIY on the card. And I am happy to boot Linux blindly, ssh to the iMac, and run a couple of commands to flash the video BIOS and reboot the system.
I would prefer NOT TO buy a 3-pipe heatsink to replace the factory 2-pipe, because that would make me run out of sensible expenses.

From what I read in this thread, this seems to be achievable. However, I could use a little clarification on certain details. The first being: am I safe to by this HP ZBook K1100M card?
The GPU ID looks good, N15P-Q1-A2. The underside shows 2x SKhynix chips, but I see nothing on the 4 big black chips around the GPU.
Also, how do I know which of the two ROMs (ROM, or ROM1) to flash into this?

Regards,
Keve

This is the iMac10,1. All the currently available NVIDIA VBIOSses only display on external screen and won't boot if the internal display is connected (computer locks and internal display remains white). I am trying to figure it out why it's not working in this thread.
 
Last edited:
This is the iMac10,1. All the currently available NVIDIA VBIOSses only display on external screen and won't boot if the internal display is connected (computer locks and internal display remains white). I am trying to figure it out why it's not working in this thread.
Nope, this one has a core i7 and it is the iMac11,1 and all cards listed on post #1 will happily run in this system (if you ignore the black screen issue).

About the vBIOS version: Check both posts and will figure it out yourself.
About the K1100M: really good price.
 
Hello,

just installed a new Catalina on my iMac2009 using OPLP. Was pretty smooth sailing and all is working perfect. Much appreciate all the work you guys spend on improving the experience.

The only thing that is a little odd is how iStat Menu interprets all the sensors and fans and I wonder if anyone has ideas how to over come it? The interesting part is that for example smcfancontrol or Macs Fan Control are able to read the correct values for sensors and fans. This has been reported before somewhere around page 555 but no real solution given. Pretty sure it is related to the spoofing that results into the differences. So properly a question on what does iStat read to list the sensor and fan list. Under a dosdude1 install they are working correct.

Any hints, pointers or ideas how to get iStat Menu working again are much appreciated.
 
this one has a core i7 and it is the iMac11,1 and all cards listed on post #1 will happily run in this system (if you ignore the black screen issue).
I am aware of the Black Screen issue, but I am under the impression that a solution for that is already provided.

Black Screen: After complete installation of the iMac the internal LCD can stay black, only three status LED light up. This is the black screen software issue. Normally you can get around it (temporarily) by pressing alt/option on boot. Late 2009 system you will face (only there) a more severe variant. After a PRAM reset the LCD gets and remains black. To fix this for all iMacs a kernel extension needs to be patched at best in advance. Only after booting into this patched macOS the screen will come back. Use this package installer to achieve this with all ++ cards on all systems up to macOS Catalina. Do not use this package on Big Sur. important: OpenCore (OCLP) with agdpmod=vit9696 in the boot-args fires up the LCD after a PRAM reset or GPU change, too.

My only confusion is that the description explicitly says all ++ cards. And my choice being a K1100M, is a + card, not a ++ one. My educated guess is, the same still applies to the K1100M, regardless of it NOT BEING a ++ card.
 
About the K1100M: really good price.
It is not the price I was worried about.
What concerns me are technical details. The reading says some cards have chips not supported by the provided ROMs. Also most people seem to go with a Dell card and this is a HP card. I believe anybody more experienced than I am may be able to see something on these cards indicating that it will not work for my iMac.
 
iMac9,1 uses LVDS, iMac10,1 uses DP!

I have no idea why the vbiosses supplied here are not working on the iMac10,1. A GeForce 9400M dump of an iMac10,1 probably holds the answer, but I have not acquired it yet.

So the question to investigate is: What did Apple change between A1311 (iMac10,1) and A1312 (iMac11,1)?

iMac10,1:
View attachment 1796852
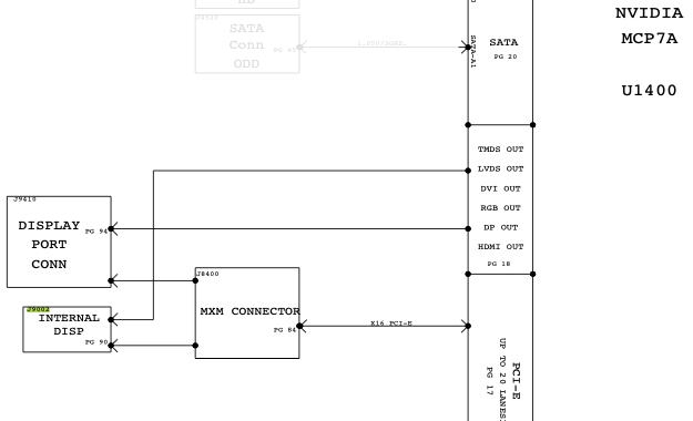
Something wrong here: the schematic says "Sandy Bridge" - might this one be from an iMac 12,x?
Something wrong here as well: this one has the Nvidia MCP7A, so might be an iMac 9,1 or 10,1 .
There seem to exist two different mainboards for the 10,1 : one with the Nvidia 9400M onboard (MB950xx/A) and another one with an MXM slot (MC413xx/A).
 
Something wrong here: the schematic says "Sandy Bridge" - might this one be from an iMac 12,x?

Something wrong here as well: this one has the Nvidia MCP7A, so might be an iMac 9,1 or 10,1 .
There seem to exist two different mainboards for the 10,1 : one with the Nvidia 9400M onboard (MB950xx/A) and another one with an MXM slot (MC413xx/A).
Yes, there are three different iMac10,1 models on the road. 21,5 9400, 21.5 MXM and 27 MXM - all core2duo. These have at least different board-ids….
 
It is not the price I was worried about.
What concerns me are technical details. The reading says some cards have chips not supported by the provided ROMs. Also most people seem to go with a Dell card and this is a HP card. I believe anybody more experienced than I am may be able to see something on these cards indicating that it will not work for my iMac.

There would be no technical details can assure you 100% the card will work.
There would be some mishaps occur. Who knows?
Only trial-and-error principle is applied here. Dare to try? Go for it.
What would you lose?

Luckily for you, the K1100m is notorious for high probability of compatibility.
Just be careful in disassembling/reassembling your iMac.

My K1100m was pulled from a Dell laptop, so said the seller.
It didn't boot my HP 800 G1 USDT.
But it booted my iMac 2009 (similar specs like yours). A nice piece of old laptop part.
 
Massive Thanks to all those who have helped, given input and given me advise through my journey.

I now have a completed fully working, Nvidia K5100m 8gig card running, Mojave on my 2011 27" iMac, Im now getting messages to upgrade to Big Sur,

I am happy that I can be running Mojave after 2 years of not having my iMac working at all and fighting with the previous carrier who sent me a card that I returned it to and never got my money back on because they say it was lost in the return I was out 300 dollars for the graphics card as the insurance on the card was only 10 dollars, from now on I'll only return and insurance will be for the whole value of the card so if china loses the return the us postal service can pay for the lost package or something.

I have 2 additional cards that I received untested and unused that are for the 2011 iMac if anyone needs a card I have it in the USA and willing to sell them if anyone needs.

the K3100m 4 gig card and the 5000m 4gig card

Happy building to everyone

Anyone having advice on if Big Sur and Monterey works on the 2011 or to point me to the advice or support pages would be appreciated too.

Thanks John
 
  • Like
Reactions: Dilli
Massive Thanks to all those who have helped, given input and given me advise through my journey.

I now have a completed fully working, Nvidia K5100m 8gig card running, Mojave on my 2011 27" iMac, Im now getting messages to upgrade to Big Sur,

I am happy that I can be running Mojave after 2 years of not having my iMac working at all and fighting with the previous carrier who sent me a card that I returned it to and never got my money back on because they say it was lost in the return I was out 300 dollars for the graphics card as the insurance on the card was only 10 dollars, from now on I'll only return and insurance will be for the whole value of the card so if china loses the return the us postal service can pay for the lost package or something.

I have 2 additional cards that I received untested and unused that are for the 2011 iMac if anyone needs a card I have it in the USA and willing to sell them if anyone needs.

the K3100m 4 gig card and the 5000m 4gig card

Happy building to everyone

Anyone having advice on if Big Sur and Monterey works on the 2011 or to point me to the advice or support pages would be appreciated too.

Thanks John
Start here in post #1 of this thread:
Spoiler: Upgrade your (mac)OS on the metal capable iMac
 
Massive Thanks to all those who have helped, given input and given me advise through my journey.

I now have a completed fully working, Nvidia K5100m 8gig card running, Mojave on my 2011 27" iMac, Im now getting messages to upgrade to Big Sur,

I am happy that I can be running Mojave after 2 years of not having my iMac working at all and fighting with the previous carrier who sent me a card that I returned it to and never got my money back on because they say it was lost in the return I was out 300 dollars for the graphics card as the insurance on the card was only 10 dollars, from now on I'll only return and insurance will be for the whole value of the card so if china loses the return the us postal service can pay for the lost package or something.

I have 2 additional cards that I received untested and unused that are for the 2011 iMac if anyone needs a card I have it in the USA and willing to sell them if anyone needs.

the K3100m 4 gig card and the 5000m 4gig card

Happy building to everyone

Anyone having advice on if Big Sur and Monterey works on the 2011 or to point me to the advice or support pages would be appreciated too.

Thanks John
It would appear the 5100 is not documented to be susceptible to the boot chime loop of death.. as long as your system tdp is still within the power supply limits you should hopefully be fine.. i used dosdude1 catalina patcher, then BenSova Patched Sur and worked with my setup. On both installs, after most of the initial minute countdown, my system restarted and screen stayed black.. i remained patient and gave it time to finish install. Back of screen aluminum felt hot like it was working hard.. then i heard a few restarts and chimes and stayed patient for at least 20 minutes after the last chime.. then i could feel the computer cooling down.. then i had to hold power button until it shut off, then when i restarted i had to hold the option/alt key after hearing the chime, then boot from installation hard drive, and then was all good. Only other issue i had after that was even tho i had hard drive sleep turned off, after display sleep kicked on and off i had screen flickering. I reinstalled and turned off display sleep also and set a screen saver instead. No flickering since and its been on over 12 hours with many hours of screen saver on and off and transferring files from sd and usb and installing stuff and dl torrents and multitasking hard even with parallels desktop running windows and linux etc
A5A36A4F-82AC-4F77-BC8C-0E3C778A51EE.jpeg
 
Last edited:
  • Like
Reactions: Johna220 and Dilli
@Jon24hours
Unlike AMD cards, the vram in Nvidia cards is calculated dynamically at runtime (2047MB instead of 2048MB). The GPU controller code is addressing only 1/2 the ram. Your card is indeed 2Gb.
The following vbios should unlock the additional internal banks.

I'm gone to install this K2100M card (with Samsung VRAM) soon in my imac 11,3. Is it safe to flash it at once with this bios or maybe trying to flash it with the quadro_beta1.2 from the 1st post and see if ram its recognized and decide after?

I am aware of the Black Screen issue, but I am under the impression that a solution for that is already provided.

My only confusion is that the description explicitly says all ++ cards. And my choice being a K1100M, is a + card, not a ++ one. My educated guess is, the same still applies to the K1100M, regardless of it NOT BEING a ++ card.

I also have the same question. If someone can help us would be great.
 
Last edited:
It's safe to flash with either bios, just follow the guides and back-up you original rom.

Use the one that works best for your machine.
 
  • Like
Reactions: Dilli
Hi all, my apologies but I have not understand the differences between GTX 780M + and GTX 780M ++ bios on the Table of Working NVIDIA Graphic Cards.
Are these only two different kind of bios to test and use the preferred one? Or they have fixes for different kind of hardwares?

Thanks
 
Register on MacRumors! This sidebar will go away, and you'll see fewer ads.