Become a MacRumors Supporter for $50/year with no ads, ability to filter front page stories, and private forums.
Macbook Air Late 2010 A 1369 - No Backlight

...this is the LVDS cable
 

Attachments

  • image.jpg
    image.jpg
    651.6 KB · Views: 721
Macbook unibody a1342 keyboard connector

After replacing 4 402 packages on this board. I stick the keyboard in and some how break the slide connector. Does anyone know if this is a replaceable part? Thanks again folks!!
 
There should be a diode near the LVDS connector. On the cathode of that diode (marked with a white stripe) is the 27V that drives the LED's in the display. If you have approximately 27V there but no backlight then the issue is either the LVDS cable or the display. If there is no voltage then it is the WLED driver circuit. You want to be VERY careful probing on the board while it is running. One little slip and you will let the smoke out.

This is what the diode looks like on the 13" MBP unibody.

I am sorry to bring this up so late after the topic started, but I tested the fuse (OK!), and then measured voltage on the diode, as shown, but it's not 27V, but 12V. Is there something wrong or should I dig deeper? And maybe if there is voltage, the WLED driver circuit is OK? I still have the LVDS connector on the board check, because the cable is very clean.

LVDO on WLED chip is 5V, FB is 12V, two LED BKLT pins on the LVDS connector are also 12V. What could be wrong?

I also have Power Voltage sensor error in hardware testing, could this be something related?
 
Last edited:
Just checking...

Hi all,

I've taken some multi-meter readings and I'm hoping someone can confirm my suspicions that the fuse is indeed open/blown...

This is an MBP A1286 2009 820-2533-B board and I've used a Rapidtest MAS830L meter to take readings all on same scale (2M resistance measurement).

The meter reacts and gives .300 and .150 for the indicated parts but when I test the fuse it just stays on "1." which the manual says is an "overrange indication" - I've tried all the resistance settings (2M, 200k, 20k, 2k, 200) - there's no change or indication of any reading...

Am I correct in thinking this fuse is blown?

Many thanks!!!
 

Attachments

  • Fuse Check.JPG
    Fuse Check.JPG
    270 KB · Views: 1,127
12v on the output of the boost diode means the WLED driver is not boosting. With power disconnected from the board disconnect the lvds cable and see what the resistance to ground is on the backlight pins of the connector. Maybe there is a short in the lvds connector on the logic board.

Do you have an idea what 10,75v and about 2,6v on the enable pin means?

edit: measured on battery
with magsafe: 11,80v / 2,9v
----
-no short on the lvds
----
-allready replaced the wled driver
-replaced the 100k / 301k resistors
---
don't know what to do now, i measured alot and didn't found anything wrong but i guess i just don't get it what's wrong, please help me I have to get this macbook working and don't have much time

what should I test?
 
Last edited:
Do you have an idea what 10,75v and about 2,6v on the enable pin means?
----
-allready replaced the wled driver
-replaced the 100k / 301k resistors

what should I test?

jayjohn, could you please tell me, where you found 100k/301k resistors on the board? I found one with 100k, but another one close to it seems to be dead. I have a1278. Thanks!
 
Hi!

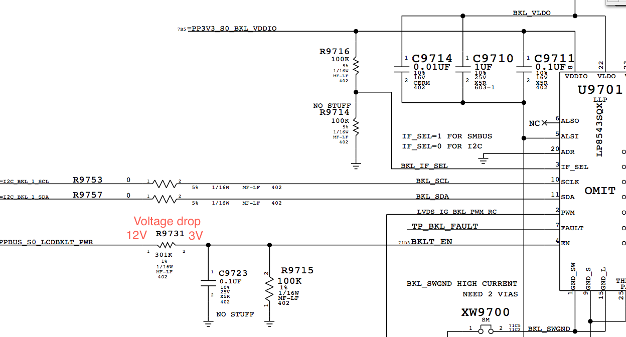
I have a Macbook with no backlight, already replaced the LP8543, the fuse is ok. The backlight only flashes for less the 1 sec when manually shutting down the Macbook. I found a voltage drop at the below marked resistor, the resistor itself is ok but the measured voltage before and after it is not the same. Would really appreciate any help!!

Image

Could you please show the location on the board of the 301k resistor you show here? Thanks!
 
Hi everyone, I found the glitch! :)

Actually, my brother did, but anyway, here's what happened.
We followed the schematics (http://cl.ly/1T1m2C0A2a3W2K3Y3t0j/o), we were checking the components around the WLED driver. The problem was in the resistor which is connected to pin 4 (enable pin). This resistor should be 300 kOhms. We measured it and it read 300k, so we thought it's ok. But than we turned on the macbook and measured the voltage on it - and here was the glitch - one pin of the resistor was 11.8V but the other pin was 0V. The measured resistance probably wasn't the resistance of the resistor, but the resistance "around" it. (That's why you're supposed to measure electrical component while it's not connected to the circuit :) )
Next, my brother tried to measure the resistance on the enable pin (4) - and - the backlight turned on! Basically, he brought the signal on the enable pin with the multimeter (when you measure the resistance, the multimeter puts some voltage on it's electrodes).
Anyway, the point is, the resistor was wrong, I'm going to buy one tomorrow and replace it.
The 4pcs of WLED driver (LP8545SQ) that I ordered from across the sea for $30 should arrive in a week or two. They are hard to find on our continent (Europe) but it seems like I wont need one and I also bought 3 spare pcs, so feel free to contact me, if you need one :)

Again thank you all for this thread, I would have probably never solved this without your help.

Here's the schematic: http://cl.ly/3J3B0E3x1G2H1H2p2y3d/o

Another Macbook Pro saved here! Used the guide above to pinpoint the problem, it was a dead 301k resistor.

I gave 3V manually (using external universal power adapter) to the pin 4 and the backlight lit up! I now have to find the resistor (which is easy) and solder it.

Thanks to all of you guys in this thread!

Here's the pic that helped: https://forums.macrumors.com/attachment.php?attachmentid=302851&d=1316302988
 
17" macbook pro unibody same backlight issue

Hello, I recently bought a 17" Macbook Pro (a1297 Early 2011 model) that I was told had been water damaged. After cleaning the board the computer will charge off of the charger and will power on (with and without the power adapter in use) using the power button after I replaced the keyboard. The screen got broken somewhere along the way but it still displayed an image and the back light was working before I put the new screen in. After testing the new screen the back light was working but when I went to put everything back together the back light stopped working but I can tell that it is still displaying an image on the screen. I am not entirely sure where to start to figure out my problem. From reading through the post it seems like I can narrow it down to a problem with the WLED driver, the boost fuse for the back light, or an issue with the LVDS connector. (I have a new LVDS cable so I know the cable is not a problem, Ive tested both cables) If anyone could tell me where the WLED driver is and the fuse that would be a great as well as how to test each of the three possibilities of the problem. Here are links to high res photos of my board (you might need to use the zoom option located in the top right of the picture when you mouse over it):

http://imageshack.us/photo/my-images/163/dsc1059e.jpg/
http://imageshack.us/photo/my-images/716/dsc1058p.jpg/
http://imageshack.us/photo/my-images/818/dsc1057u.jpg/
http://imageshack.us/photo/my-images/717/dsc1056lv.jpg/

Any help would be greatly appreciated.

Thanks!
 
My solution for no backlight

1. first , check if display is ok (best way on another laptop with 40 pin conector)

2. in may case i noticed that the invertor lamp is the problem. you don't have to replace it. the repair is very simple.
peel off the yelow plastic from invertor and check the 3 wires that connect the solid coil to the invertor board. because the vibrations 1 or more of the 3 wires is broken, solder it to the board and all will be ok.

3 optional you can replace all the wires with new thicker ones. remove the white silicon dots from solid coil, solder new wires, FIX the coil IF possible with silicon.;)
 
Can anyone advise please?

Hi all,

I've taken some multi-meter readings and I'm hoping someone can confirm my suspicions that the fuse is indeed open/blown...

This is an MBP A1286 2009 820-2533-B board and I've used a Rapidtest MAS830L meter to take readings all on same scale (2M resistance measurement).

The meter reacts and gives .300 and .150 for the indicated parts but when I test the fuse it just stays on "1." which the manual says is an "overrange indication" - I've tried all the resistance settings (2M, 200k, 20k, 2k, 200) - there's no change or indication of any reading...

Am I correct in thinking this fuse is blown?

Many thanks!!!

The picture is just a few posts above:
https://forums.macrumors.com/posts/15897051/
Just wondering if the measurements I've taken confirm a blown fuse?

Thanks!!!!!
 
Hi all,

I've taken some multi-meter readings and I'm hoping someone can confirm my suspicions that the fuse is indeed open/blown...

This is an MBP A1286 2009 820-2533-B board and I've used a Rapidtest MAS830L meter to take readings all on same scale (2M resistance measurement).

The meter reacts and gives .300 and .150 for the indicated parts but when I test the fuse it just stays on "1." which the manual says is an "overrange indication" - I've tried all the resistance settings (2M, 200k, 20k, 2k, 200) - there's no change or indication of any reading...

Am I correct in thinking this fuse is blown?

Many thanks!!!

Yeah I think it is open. Fuse should read ~0 Ohms when not blown.
 
Hello, I recently bought a 17" Macbook Pro (a1297 Early 2011 model) that I was told had been water damaged. After cleaning the board the computer will charge off of the charger and will power on (with and without the power adapter in use) using the power button after I replaced the keyboard. The screen got broken somewhere along the way but it still displayed an image and the back light was working before I put the new screen in. After testing the new screen the back light was working but when I went to put everything back together the back light stopped working but I can tell that it is still displaying an image on the screen. I am not entirely sure where to start to figure out my problem. From reading through the post it seems like I can narrow it down to a problem with the WLED driver, the boost fuse for the back light, or an issue with the LVDS connector. (I have a new LVDS cable so I know the cable is not a problem, Ive tested both cables) If anyone could tell me where the WLED driver is and the fuse that would be a great as well as how to test each of the three possibilities of the problem. Here are links to high res photos of my board (you might need to use the zoom option located in the top right of the picture when you mouse over it):

http://imageshack.us/photo/my-images/163/dsc1059e.jpg/
http://imageshack.us/photo/my-images/716/dsc1058p.jpg/
http://imageshack.us/photo/my-images/818/dsc1057u.jpg/
http://imageshack.us/photo/my-images/717/dsc1056lv.jpg/

Any help would be greatly appreciated.

Thanks!

i did this same thing but not to the same board mine was mbp 13.3 2009 i had desolder and resolder the SMD with the white dot on it next to the lvds and wled as stated in dadioh first case.
first get get yourself a board view or schematic and look for wled is the chip just below your lvds cable socket on most boards MBP's.
check the images above your post to see what they looks like.
my electrical engineering skill are weak compare to these huys im sure they will help you when they get time.

cmr data and dadioh and can help with schematics and board views.
 
Last edited:
there you go:

i assume it is the same as in the 2011 macbook airs and 13" pros: National LP 8550
btw: what a mess. you definetly need to clean that board, especially the area around the LED Driver.

I have removed the WLED driver from my board and have received 5 sample LP8550 from National. I've had two attempts so far at replacing the WLED but no backlight yet. I'm going to remove the driver again and have another go at fitting a new one.

I was hoping someone with more experience with this type of BGA package could take a look at the photos of my board (with the chip removed). Specifically, in two areas the pads bridge together. Is this normal? The traces on the board in both of these areas look as if they would have continuity anyway, so perhaps it won't cause a problem? Also, any tips on re-attaching the WLED? Any advice would be greatly appreciated!

in the first picture, the WLED driver has been removed. The second is after I have attached a new WLED driver.

Cheers!
 

Attachments

  • DSC03800.JPG
    DSC03800.JPG
    2.1 MB · Views: 559
  • DSC03813.JPG
    DSC03813.JPG
    2.7 MB · Views: 571
mbp 13" 2010

Dear peeps
Please help me
some one has butchered this board and im trying to find out what this part is?
and where do i buy a new one?
solder.png


https://dl.dropbox.com/u/38440147/solder.png

Thanks guys

----------

I have removed the WLED driver from my board and have received 5 sample LP8550 from National. I've had two attempts so far at replacing the WLED but no backlight yet. I'm going to remove the driver again and have another go at fitting a new one.

I was hoping someone with more experience with this type of BGA package could take a look at the photos of my board (with the chip removed). Specifically, in two areas the pads bridge together. Is this normal? The traces on the board in both of these areas look as if they would have continuity anyway, so perhaps it won't cause a problem? Also, any tips on re-attaching the WLED? Any advice would be greatly appreciated!

in the first picture, the WLED driver has been removed. The second is after I have attached a new WLED driver.



Cheers!

the left pic show the pads bridging west is fine. but i can not see any other bridging pads ?
 
Last edited:
I have removed the WLED driver from my board and have received 5 sample LP8550 from National. I've had two attempts so far at replacing the WLED but no backlight yet. I'm going to remove the driver again and have another go at fitting a new one.

I was hoping someone with more experience with this type of BGA package could take a look at the photos of my board (with the chip removed). Specifically, in two areas the pads bridge together. Is this normal? The traces on the board in both of these areas look as if they would have continuity anyway, so perhaps it won't cause a problem? Also, any tips on re-attaching the WLED? Any advice would be greatly appreciated!

in the first picture, the WLED driver has been removed. The second is after I have attached a new WLED driver.

Cheers!

TIP re-attaching the WLED

Clean area so contacts are good. IsoPropyl
apply thin layer of flux coating pads and bottom surface of wled .
place tiny solder balls over each pad.
using tweezer place wled into place
continue to hold in place whilst heat flow process takes place.

this was the way my engineer does it.... however his hand is steady as a Rock and he gets payed silly money to do it too ;)
 
mbp 15" late 2008 A1286

hi there, i'm new to this thread and want to learn something :) through your help.
first i'm glad there are people like you out there who are willing to spend their time and knowledge helping people like me. great of you all. :D

i have issue here with the backlight on my mbp late 2008 15". not liquid caused the problem but somehow swaping parts from another mbp same model and backlight problems of course. i wanted to figure out which part caused the backlight from working on the allready broken one and therefore i've been changing logic-board and so and now i have two broken backlights sounds genius i know...

well of course i'm trying now first to get my backlight working again. therefore i have 2 questions:
1. am i messureing the correct fuse? (please take a look at my photos - hope they are good for you circle is where i messured)

2. where can i get this "fuse" since i want not to bridge it, whats the correct name for it :)) and what ohms should i messure if it is not broken (well i know this are kind of three questions in one)

any help would be great
regards, minorit
 

Attachments

  • image.jpg
    image.jpg
    162.9 KB · Views: 1,660
hi there, i'm new to this thread and want to learn something :) through your help.
first i'm glad there are people like you out there who are willing to spend their time and knowledge helping people like me. great of you all. :D

i have issue here with the backlight on my mbp late 2008 15". not liquid caused the problem but somehow swaping parts from another mbp same model and backlight problems of course. i wanted to figure out which part caused the backlight from working on the allready broken one and therefore i've been changing logic-board and so and now i have two broken backlights sounds genius i know...

well of course i'm trying now first to get my backlight working again. therefore i have 2 questions:
1. am i messureing the correct fuse? (please take a look at my photos - hope they are good for you circle is where i messured)

2. where can i get this "fuse" since i want not to bridge it, whats the correct name for it :)) and what ohms should i messure if it is not broken (well i know this are kind of three questions in one)

any help would be great
regards, minorit

BTW VERY NICE PIC .... i could use that as my avatar..lol

just been working on the exact same model i ordered these fuses and it fixed the issue

FUSE, 0402, V FAST ACTING, 2A
Voltage Rating V DC:32V
Fuse Current:2A
Breaking Capacity:35A @ 32V DC
Fuse Size Code:402
Blow Characteristic:Very Fast Acting
Fuse Case Style:0402
SVHC:No SVHC (20-Jun-2011)
Approval Bodies:CSA
Approval Category:UL Recognised
Breaking Capacity Current DC:35A
Case Material:Epoxy / Glass Substrate
External Depth:0.508mm
External Length / Height:0.29mm
External Width:0.99mm
Fuse Breaking Capacity Voltage DC:32VDC
Fuse Size Held:0402
Fuse Type Blowing Characteristic:Very Fast Acting
Operating Temperature Max:90_C
Operating Temperature Min:-55_C
Package / Case:0402
SMD Fuse Case Style:0402
Termination Type:SMD

i got mine on ebay ordeded 10 as your bound to mess it up on your first go.
:D
 
BTW VERY NICE PIC .... i could use that as my avatar..lol

just been working on the exact same model i ordered these fuses and it fixed the issue

FUSE, 0402, V FAST ACTING, 2A
Voltage Rating V DC:32V
Fuse Current:2A
Breaking Capacity:35A @ 32V DC
Fuse Size Code:402
Blow Characteristic:Very Fast Acting
Fuse Case Style:0402
SVHC:No SVHC (20-Jun-2011)
Approval Bodies:CSA
Approval Category:UL Recognised
Breaking Capacity Current DC:35A
Case Material:Epoxy / Glass Substrate
External Depth:0.508mm
External Length / Height:0.29mm
External Width:0.99mm
Fuse Breaking Capacity Voltage DC:32VDC
Fuse Size Held:0402
Fuse Type Blowing Characteristic:Very Fast Acting
Operating Temperature Max:90_C
Operating Temperature Min:-55_C
Package / Case:0402
SMD Fuse Case Style:0402
Termination Type:SMD

i got mine on ebay ordeded 10 as your bound to mess it up on your first go.
:D

hi musicsoul78,
that was fast, feel free to use the pic ;)
thanks for the infos about the fuse, very detailed.
i found out that digi-key is also shipping to austria (they have a german website here) so i ordered them fuses there (bought 20 of them just in case... haha).
since you had your hands on the same model - did you bring it back to shine bright again? :)
regards, minorit
 
hi musicsoul78,
that was fast, feel free to use the pic ;)
thanks for the infos about the fuse, very detailed.
i found out that digi-key is also shipping to austria (they have a german website here) so i ordered them fuses there (bought 20 of them just in case... haha).
since you had your hands on the same model - did you bring it back to shine bright again? :)
regards, minorit

Yes indeed dadioh and the rest the guys on here helped me out and it was awesome ive done 3 macs now.:D with backlight issues.
 
tips for 0402 replacement pls

Hi all,

just about to attempt an 0402 fuse replacement for a MBP 15" 2009 820-2533-B board. I have 10 fuses and am quite sure replacemnet will fix the backlight issue as the WLED tests OK...

I was just hoping ppl could share their tips/advice on how best to desolder the blown fuse and then solder the new fuse... Any links or a quick top tips run down most appreciated!

One other question,... The magsafe unit I have,.. I think it has caused the fuse to blow (3 times now) it is part number 820-2565-A. How do I measure if this is working correctly? I have a new magsafe on its way but curious about correct diagnostic so I know how to check in the future

Many thanks!
 

Attachments

  • 820-2565-A.png
    820-2565-A.png
    292.1 KB · Views: 399
Ne one figure out the 2011 17in mbp baclight issue?? I too picked up a laptop that had liquid damage like i normally do but after cleaning it all up i still dont have a working backlight. I can see the pic like everyone else can but i need a flashlight to do so and i read all the posts pretty much where others havin this issue looked for a fuse with a white dot or a letter on the top and i cant find either...i even looked further away from the video connector than previous models and wasnt able to find anything either :(. If u want i can give some crazy high rez pics if my gf gives me my damn camera back haha but if you dont need them and know the location of it so i can at the very least check it to see if that is the reason for not havin a backlight please let me know! It would help me a ton!
 
I had to chime in here for anyone else who is trying to find the backlight fuse on a A1342 MacBook. I recently fixed a logic board by following the hints in this thread and others. The fuse is located quite a distance from the WLED driver and has a white dot on it. Here are a few pics with increasing zoom level. The backlight is back... thanks!
 

Attachments

  • P1070044.jpg
    P1070044.jpg
    479.7 KB · Views: 3,660
  • P1070037.jpg
    P1070037.jpg
    365.8 KB · Views: 268
  • P1070042.jpg
    P1070042.jpg
    298 KB · Views: 4,051
Register on MacRumors! This sidebar will go away, and you'll see fewer ads.