Become a MacRumors Supporter for $50/year with no ads, ability to filter front page stories, and private forums.
2011 2.4GHz MacBook Pro i5 (MD313LL/A) no charge

Hi all,

I picked up a late 2011 2.4GHz i5 MacBook Pro (MD313LL/A) that had minor water damage. I am able to boot it up using a charged battery, but the computer won't recognize the charger.

I swapped in a known good Magsafe board, same results (no charge)

Is there an upstream fuse that may have blown on the board that would affect the charging circuit, or would this be a chip level repair?

Any help is appreciated, I can provide photos if required.
 
I have another one with no backlight. This time it is a 17" from mid 2009
everything works though.
I've replaced the fuse 3 times already and they blow every time. Any ideas?
I don't see anything burnt. Board actually looks quite clean.
 
I have another one with no backlight. This time it is a 17" from mid 2009
everything works though.
I've replaced the fuse 3 times already and they blow every time. Any ideas?
I don't see anything burnt. Board actually looks quite clean.

You need to remove power from the board and then measure the resistance to ground on the backlight pins. It must be low for the fuse to be blowing. Could be a bent pin in the LVDS connector.
 
I had to chime in here for anyone else who is trying to find the backlight fuse on a A1342 MacBook. I recently fixed a logic board by following the hints in this thread and others. The fuse is located quite a distance from the WLED driver and has a white dot on it. Here are a few pics with increasing zoom level. The backlight is back... thanks!

nice was looking for this!
 
MBP 2009 13" emc 2326

MBP 2009 13" emc 2326

hello peeps!!!
errrr help please
display will not work,
issue is no power going to the lvds connector or wled ic
no image whats so ever. way more than a backlight issue.
no water damage or corrosion.
just failure over time



regardless still boot fine with hdmi out to tv.

its definately a voltage issue.

also on the g3hot one side reads 3.37 and grnd (heatsink side)
other side reads 3.29 and grnd is not grnd as i have to use another grnd pin to measure the left pad value.(keyboard connector side)

any ideas where to start?

im lost :confused:
 
Last edited:
Macbook pro water damage HELP PLEASE?

Hi all,
I have an early macbook pro 2011 13" and it has suffered a bit of damage (spilled soup).

When cleaning I noticed that I had clearly been too rough (sorry i'm a bit of a noob) and dislodged a 2 0402 package components. the larger capacitor had to be removed due to the damage.

I was wondering if anyone could be kind enough to let me know if they could identify the components circled i.e. capacitance and resistance. I have tried to locate schematics but have had no luck :-(

PLEASE HELP

Thanks in advance guys.
 

Attachments

  • $(KGrHqJHJEUFBf,U,vuGBQkw0NeUpg~~60_572.jpg
    $(KGrHqJHJEUFBf,U,vuGBQkw0NeUpg~~60_572.jpg
    209.8 KB · Views: 738
  • $(KGrHqJHJEUFBf,U,vuGBQkw0NeUpg~~60_57 (1).JPG
    $(KGrHqJHJEUFBf,U,vuGBQkw0NeUpg~~60_57 (1).JPG
    542.5 KB · Views: 665
Hello,

I need some help. I need to know what type SMD is missing on my mainboard. ( the top one in the red circle is missing on my mainboard )

Ad this moment my screen is complete dead. The system it self is working fine when I use a external monitor.

It is a MBP early 2011 model ( A1278 )

thanks Thanks in advance
 

Attachments

  • accu.jpg
    accu.jpg
    233.2 KB · Views: 902
Hello every body

I, m sorry i know here every body speaking about back light, but i did not find any good thread about keyboard problem.

I have got a MBP 13 2011 which is liquid damaged. the MBP works fine but the keyboard not working normally.

I replaced the keyboard twice but still i have the same problem, what could be the problem.

The keyboard socket i clean too.

Please some help

Thanks
 
macbook pro 15" A1286 will not turn on.

I know this is off topic about the backlight but I would like to take this opportunity to thank everyone for the help and this thread is quite amazing so much experience.
Well as the title says I have a Macbook Pro 15" A1286 will not turn on. This happened after the battery died. The strange thing is that the battery charges fine and the magsafe opreates perfect however the it will not turn on? I have done a SMC reset and PRAM reset. Does anyone know if the SMC QFN chip have failed or where I might start looking? The logic board looks clean.

-thanks
 
I, m sorry i know here every body speaking about back light, but i did not find any good thread about keyboard problem.

I have got a MBP 13 2011 which is liquid damaged. the MBP works fine but the keyboard not working normally.

I replaced the keyboard twice but still i have the same problem, what could be the problem.

The keyboard socket i clean too.

Please some help

Thanks

The keyboard controller is just north of the keyboard connector. Check that it's solder connections are all good.

----------

I know this is off topic about the backlight but I would like to take this opportunity to thank everyone for the help and this thread is quite amazing so much experience.
Well as the title says I have a Macbook Pro 15" A1286 will not turn on. This happened after the battery died. The strange thing is that the battery charges fine and the magsafe opreates perfect however the it will not turn on? I have done a SMC reset and PRAM reset. Does anyone know if the SMC QFN chip have failed or where I might start looking? The logic board looks clean.

-thanks

There are many many things that are beyond just the ability to charge the battery. Charging battery does rule out common issues with magsafe and g3Hot but there could be SMC issues, power rail issues (5V, 3.3V, 1.0V, etc...). First thing to try is an SMC bypass. I have another thread with that info in it.
 
Thanks for the fast response. I also did try your SMC bypass and got no response. I checked the board for a sign of a short and did not see anything.
 
The keyboard controller is just north of the keyboard connector. Check that it's solder connections are all good.


Thanks for your answer, I think that i know which one it is, but it seems like all the solder connections are good.

the problem with the keyboard is like some one push down the shift and try to write.

The only thing i found that not seems very good, the big capacitator on the left of the track pad connector,
I do not know if that kan cause any problem for keyboard or not.
 

Attachments

  • IMG_0289[1].JPG
    IMG_0289[1].JPG
    1.8 MB · Views: 510
Having backlight issue

hey there daioh, ive been reading most of this thread for days.
i would just like your opinion if this component on the picture is the well known fuse. I tried to see if my multimeter beeps but it does not.

i will be having help from a friend who is expert in soldering but he doesnt have any experience in mac.
dsc1659x.jpg
 
hey there daioh, ive been reading most of this thread for days.
i would just like your opinion if this component on the picture is the well known fuse. I tried to see if my multimeter beeps but it does not.

i will be having help from a friend who is expert in soldering but he doesnt have any experience in mac. Image

Yup. That would be the backlight fuse. If it is blown you need to replace it. Resist the temptation to bypass it or you may end up causing further damage. If the cause of the initial fuse event is still present you will just blow another fuse. If not... well there is smoke inside all electronics....
 
Sorry to ask for the second time but does anyone know where the fuse is on a 17in 2011 mbp?? I know most have the little white dot on the top of it but none on the entire board have the dot....at least im not able to find one....im not old either so im perty sure my eyes r still workin lol. Any ideas would be a HUGEEEEE help!
 
Sorry to ask for the second time but does anyone know where the fuse is on a 17in 2011 mbp?? I know most have the little white dot on the top of it but none on the entire board have the dot....at least im not able to find one....im not old either so im perty sure my eyes r still workin lol. Any ideas would be a HUGEEEEE help!

It is possible that Apple have gone to a larger 0602 package and that may not have a dot. Post a high res picture of the front and back of your board near the lvds connector and I will see if I can figure it out.
 
Newbie

Just wanted to start off by saying thanks to Dadioh and all the members of this forum who take time to contribute their knowledge. It is greatly appreciated! :) Second, I stumbled upon this forum probably like most of us have. I recently bought a MBP 13" (June 2012) from ebay that suffered extensive liquid damage. I managed to boot up the computer by cleaning it with 95% isopropyl alcohol and replacing the magsafe port... Prior to cleaning the logic board I noticed that there seemed to be a missing component close to the wled driver. I'm guessing its a capacitor that prob blew off. I will try and upload some pictures later to see if anyone can help. Thanks again guys.
 
Macbook Pro 13 2010

Hello

I am working on a liquide damage macbook pro, I have got the G3Hot to work but there is something not working. The macbook charge the battery good.
Hope some of you can help me out to continue to resolve this problem why it wont start. :)

PS when I try to do SMC bypass then I get dim green light.
If I reset the SMC then its back to normal bright green.
 

Attachments

  • Macbook pro A1278.JPG
    Macbook pro A1278.JPG
    817.4 KB · Views: 2,629
Last edited:
Hello

I am working on a liquide damage macbook pro, I have got the G3Hot to work but there is something not working. The macbook charge the battery good.
Hope some of you can help me out to continue to resolve this problem why it wont start. :)

PS when I try to do SMC bypass then I get dim green light.
If I reset the SMC then its back to normal bright green.

Hi kennethf. I had a similar issue with a previous mbp that had liquid damage. After cleaning it with alcohol it wasn't turning on via the power button...Have you tried shorting the two pins in the logic board to bypass the power button? They are located just to the left of the keyboard ribbon cable. You have marked one already with 3.39v in you picture. The one above that should read 0v. I shorted them and the mbp turned on. If you do decide to go this route make sure you do not short anything else... This sounds like a dumb question but is the ribbon cable properly pushed all the way in? I later found out that some debris had been lodged inside and was preventing the ribbon cable from being fully inserted. Cleaned out the gunk out with compressed air and the mbp fired right up. Hope this helps.
 
Hi kennethf. I had a similar issue with a previous mbp that had liquid damage. After cleaning it with alcohol it wasn't turning on via the power button...Have you tried shorting the two pins in the logic board to bypass the power button? They are located just to the left of the keyboard ribbon cable. You have marked one already with 3.39v in you picture. The one above that should read 0v. I shorted them and the mbp turned on. If you do decide to go this route make sure you do not short anything else... This sounds like a dumb question but is the ribbon cable properly pushed all the way in? I later found out that some debris had been lodged inside and was preventing the ribbon cable from being fully inserted. Cleaned out the gunk out with compressed air and the mbp fired right up. Hope this helps.

Hello

I have tried to shorting this two pads thogeter but nothing happens :(
 
Hello,

I need some help. I need to know what type SMD is missing on my mainboard. ( the top one in the red circle is missing on my mainboard )

Ad this moment my screen is complete dead. The system it self is working fine when I use a external monitor.

It is a MBP early 2011 model ( A1278 )

thanks Thanks in advance

Good morning Igek, I think we might be able to help each other out. I just purchased a June 2012 MBP also with liquid damage that has a missing capacitor around the same area... The layout of the motherboard looks exactly the same. (guys correct me if I'm wrong) I think the piece you are missing is a 0402 size capacitor. I do not know the value yet. I will try, if time permits to try and measure its value this weekend. I have attached a pic of the missing capacitor that I'm missing to see if your able to help me and finding the value.
 

Attachments

  • accu.jpg
    accu.jpg
    233 KB · Views: 564
Wled driver blown :)

Yup. That would be the backlight fuse. If it is blown you need to replace it. Resist the temptation to bypass it or you may end up causing further damage. If the cause of the initial fuse event is still present you will just blow another fuse. If not... well there is smoke inside all electronics....

hey there again,
my gf's macbook pro is a a1286 15"
im having progress. bypassing the fuse didnt solve the problem. the backlight is still down. The lvds was burned and was replaced. the lcd is working fine with no backlight. tested also another lcd to doublecheck.
i measured the pins on the wled driver which is shown in the image on my last message as APP_1A. i get no resistance on some pins so that means its blown. do you know where i can get a replacement of this component?
 
Hi dadioh,

Would u know the part number for an A1370 MacBook Air 11.3" backlight fuse? I have some fuses ordered for a MacBook Pro 17" i5 would those fuses work?

Thanks
 
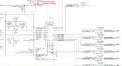
Hey guys. Need input. As mentioned earlier I have a June 2012 mbp 13". I managed to salvage the computer after extensive liquid damage using the knowledge from this forum. The mbp now turns on but the backlight is not working. I was wondering if anybody can confirm my suspicion in helping me ID this capacitor that is missing from my board. I have marked the one I'am missing in the picture and the one I believe to be in the schematic with a red square. Please disregard the red arrow. Any help will be greatly appreciated.
 

Attachments

  • cap.JPG
    cap.JPG
    91.8 KB · Views: 1,266
  • cap1.JPG
    cap1.JPG
    165.2 KB · Views: 730
Hi Axess19

Can you send me a email, maybe we can help each other. I can respond faster by mail.

Sorry for the late reply.

markpronk at gmail dot com :)
 
Last edited:
Register on MacRumors! This sidebar will go away, and you'll see fewer ads.