Become a MacRumors Supporter for $50/year with no ads, ability to filter front page stories, and private forums.
Hi guys,

I have done my best to read through all of these posts, and with their help, have located one of the fuses that power the black light on my MBP 15 I7 A1286 with a MOBO of 820-2915-A

...
-Chad

Chad,

I am pretty confident that you have the right fuse. However, there could be some sort of short in the system that causing the fuse to blow up, while trying to secure the circuit. So, your homework would be to trace using a multimeter to see where a short may be. It will be best if you can grab schematic and board view for the laptop and trace where the problem might be. The schematic would show you how the logic is wired and the board view will help you locate the parts on the physical board.

If you scroll up a bit, you would see a post by me where I have two drawings from the macbook air where I am having similar problems ilke you, fuse keeps blowing up. I found that there is some sort of short (grounding of the power that comes from the MOSFET that is fed by the fuse) that causes the fuse to go out. I haven't been able to trace that issue. You might be able to make some progress by looking at my posted diagrams as from what I know backlight logic is very similar across macbook/pros.

The other use that you found with U on it, is for the main power supply and likely will not be a suspect in your case.

Good luck! Let me know how it goes.
 

Attachments

  • Q9607.jpg
    Q9607.jpg
    333 KB · Views: 2,009
This is the only in depth thread I can find that talks of schematics and small component replacement. I'm now trying to help a buddy with some liquid damage on a mid 2012 13" cleaned it up, but a really odd problem. It runs really slow, and turns on but only after holding power for 5 sec. If you tap power, the fan will spin a few secs and die. Did they do a lockup of new schematics? Can't find any of the newer ones.
 

Here is a PDF file of the U9000 chip so you can see the inner workings of it and decide if U9000 is the problem?

Do you have the voltage at the VIN pins 2 & 3?

If you do have the voltages there but still no voltage out I would trace back on pin 1 this is the pin that turns U9000 on or off, if that line checks out then U9000 is bad.

Don't quote me on it but I think you can activate the U9000 by yourself by jumping pins 1 &2 by the looks of the PDF pin 1 goes directly to the control module inside the chip pins 2 and 3 need to be turned on by pin one because they run into a gate with a diode inside, the current wont pass unless pin 1 says so.

Check it out and let me know what you come up with.
 

Attachments

  • FPF1009.pdf
    1.2 MB · Views: 277
This is the only in depth thread I can find that talks of schematics and small component replacement. I'm now trying to help a buddy with some liquid damage on a mid 2012 13" cleaned it up, but a really odd problem. It runs really slow, and turns on but only after holding power for 5 sec. If you tap power, the fan will spin a few secs and die. Did they do a lockup of new schematics? Can't find any of the newer ones.

Check this guy out he might have what you are looking for. Very nice guy tell him tswartfiguer sent you.
http://www.ebay.com/itm/Laptop-Moth...54957?pt=BI_Books_Manuals&hash=item45fcdc896d
 
tswartfiguer

Thanks for your reply. I originally thought U9000 might be bad because of that .12V i was seeing on pin 1. I have the 3.3V on pins 2 and 3. When I removed U9000 pin 1 was still at .12V.

It looks like that U9000 pin one enable voltage originally comes from U9600 GMUX as an output from U9600 PB19B.

Where I am right now is trying to figure out what U9600 wants to see to turn on the LCD power enable voltage that ends up at U9000 pin 1.

As an overview, after replacing the LVDS connector, LVDS cable and backlight fuse there is no PP3V3_SW_LCD to the lcd.

PS I get my schematics and board views from Ray. He seems like a nice guy. I thought about joining their club of experts just for help with this board.
 
tswartfiguer

Thanks for your reply. I originally thought U9000 might be bad because of that .12V i was seeing on pin 1. I have the 3.3V on pins 2 and 3. When I removed U9000 pin 1 was still at .12V.

It looks like that U9000 pin one enable voltage originally comes from U9600 GMUX as an output from U9600 PB19B.

Where I am right now is trying to figure out what U9600 wants to see to turn on the LCD power enable voltage that ends up at U9000 pin 1.

As an overview, after replacing the LVDS connector, LVDS cable and backlight fuse there is no PP3V3_SW_LCD to the lcd.

PS I get my schematics and board views from Ray. He seems like a nice guy. I thought about joining their club of experts just for help with this board.

He is a nice guy he has helped me out a few times. And I am going to join their club as well when I have the money to do so. They have some pretty smart people over there, and not just for Apple computers they do all kinds of systems over there.
 
He is a nice guy he has helped me out a few times. And I am going to join their club as well when I have the money to do so. They have some pretty smart people over there, and not just for Apple computers they do all kinds of systems over there.

Im really confused. You are or not part of the group? :confused:
 

Attachments

  • Screenshot 2014-02-16 17.33.52.png
    Screenshot 2014-02-16 17.33.52.png
    93.2 KB · Views: 255
  • Screenshot 2014-02-21 00.07.44.png
    Screenshot 2014-02-21 00.07.44.png
    133.7 KB · Views: 252
Im really confused. You are or not part of the group? :confused:

LOL no I am not a member of that forum yet I will be but I have a group that is based in the UK I get these file from but the group I havent joined yet is way better and has more to offer. The guy that runs the forum will hook me up if I donate though so if you need something you can get ahold of him as well let me know. I didn't just want to go giving his info out to just anyone.

Why would you post that in the general forum why wouldn't you send me a private message?

----------

Im really confused. You are or not part of the group? :confused:

The group I am trying to join only charges $3.99 instead of $10 so if you want that info PM me and I will give you his email address. In the future if you have a question like the PM me don't trey to make me out to be a liar or like I was trying to scam you or something I was trying to help man and still will thats what this forum is about rigfht?
 
LOL no I am not a member of that forum yet I will be but I have a group that is based in the UK I get these file from but the group I havent joined yet is way better and has more to offer. The guy that runs the forum will hook me up if I donate though so if you need something you can get ahold of him as well let me know. I didn't just want to go giving his info out to just anyone.

Why would you post that in the general forum why wouldn't you send me a private message?

----------



The group I am trying to join only charges $3.99 instead of $10 so if you want that info PM me and I will give you his email address. In the future if you have a question like the PM me don't trey to make me out to be a liar or like I was trying to scam you or something I was trying to help man and still will thats what this forum is about rigfht?

Enough said!
 
Hello Friends,

I have a Macbook air 2010 that has backlight issue. Below is what I found:

1. The fuse is out. I can replace that.
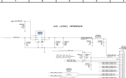
2. the pins 1,2,5,6 of the MOSFET Q9806 seem to be short with the ground some where. these pins together form the signal PPBUS_SW_LCDBKLT_PWR (per diagram below).
3. I traced the PPBUS_SW_LCDBKLT_PWR hoping that there must be some component that is likely short with the ground and causing the Q9806 output pins to be grounded and removed the capacitors C9712 and C9713 but no luck.

I can't tell what could cause the Q9806 output pins to be shorting; any help would be great. I am attaching the two pictures that show what I have done and seen so far.

Any advise would be great. I hope it is not the WLED driver as would be difficult for me to change it.

Many thanks!

Unfortunately the highest possibility failure is the WLED driver. You have already eliminated the 2 caps so that pretty much just leaves the driver. You would need to remove it to check if the short goes away. No point changing the fuse until you resolve that short.
 
Unfortunately the highest possibility failure is the WLED driver. You have already eliminated the 2 caps so that pretty much just leaves the driver. You would need to remove it to check if the short goes away. No point changing the fuse until you resolve that short.

Hi Dadioh,

Thanks for your reply. I removed the WLED driver; and the short went away. I had a spare non-powering up board that had the same WLED driver chip. I removed it from there. Cleaned it and soldered back on to the board and the short is back again :( I wonder if the WLED in the donor board was bad too or there is some other issue. Stuck again. Perhaps i should have bought a new one and then tried that instead of the donated one.. Any ideas?

Thanks!
 
No LCD backlight on MacBook Pro 15 late 2008

Hello everybody!
I so much hope that you all can help me because I don't know what shall I do:(

Here is my problem: I have bought used MacBook Pro 15 late 2008. It seems like that everything were OK. It worked fine
So when I come to home with macbook I decided to change thermal paste on the CPU and GPU
But I failed! I can not even unscrew the screws cause they was damaged (screws). Also I was not so gentle when I was unplugging some connectors. So when I assembled it back the backlight was not working
I decided that I have damaged LCD cable which connects LCD and MB. yesterday I have replaced it but the baclkight still don't work.
The display shows image just there is no backlight
I can work with external monitor via display-port and mac os works just fine
So what have I damaged? I read this thread and figured that it could be the LED driver LP8550, isn't it? Or what?
Need advice from you guys :eek:
THANKS
and here are some pictures of MB
 

Attachments

  • IMG_0203.JPG
    IMG_0203.JPG
    3.4 MB · Views: 583
  • IMG_0204.JPG
    IMG_0204.JPG
    3.5 MB · Views: 343
  • IMG_0205.jpg
    IMG_0205.jpg
    1.3 MB · Views: 349
I don’t have the schematic for that but the first thing I would do is to carefully check the integrity of the cable and also the connector for damage. Then I would locate and test the backlight fuse. Then go from there.

You won’t get the opportunity to make many mistakes in there and one bad move will reduce your macbook to hopeless rubble.
 
Has anyone tried to track the LCD enable signals for the IG circuits on the 2011 MBP?

It looks like U1800 might send LVDS_IG_PANEL_PWR over to U9600 GMUX and GMUX sends out LCD_PWR_EN that ends up at U9000 and on to PP3V3_SW_LCD.

Without PP3V3_SW_LCD I am wondering if SMC? can even “See” that the LCD display is connected.

Obviously still trying to understand this chain of events that end up enabling and sending video over to the LCD.

Any insights appreciated.

Thanks
 
I don’t have the schematic for that but the first thing I would do is to carefully check the integrity of the cable and also the connector for damage. Then I would locate and test the backlight fuse. Then go from there.

You won’t get the opportunity to make many mistakes in there and one bad move will reduce your macbook to hopeless rubble.


Well as I replaced LCD cable it seems like it is ok.... but I remember that I realy was not gentle when was pulling it out... may be I damaged the CONNECTOR which is placed on MB? How can I check it?
Can you please tell me how to check the fuse and whre it is located
thanks
 
Last edited:
If you go to the top of the thread there is a “search this thread” drop down box. If you enter “check backlight fuse” it will bring up a lot of good information already posted.

Basically its just locate it and check for continuity. There might be a fuse location already posted if you search for it.

Other that looking at the connector visually possibly with a magnifying lens you will need more advanced testing skills to use a multimeter with pin probes to “ohm it out”

The backlight fuse is easier to check and any cheap ohmmeter will do.

One word of good advise. Anytime the bottom cover is removed always disconnect the battery connector before doing anything else. Unless there is a good reason to be powered up.
 
If you go to the top of the thread there is a “search this thread” drop down box. If you enter “check backlight fuse” it will bring up a lot of good information already posted.

Basically its just locate it and check for continuity. There might be a fuse location already posted if you search for it.

Other that looking at the connector visually possibly with a magnifying lens you will need more advanced testing skills to use a multimeter with pin probes to “ohm it out”

The backlight fuse is easier to check and any cheap ohmmeter will do.

One word of good advise. Anytime the bottom cover is removed always disconnect the battery connector before doing anything else. Unless there is a good reason to be powered up.

Ok I have searched for the “check backlight fuse” in this thread but haven't found any instruction for my model of MB
Also I have just checked the lcd connector with magnifying lens and it seems like it's fine. can check the photo
So I think the next step is to replace fuse?
 

Attachments

  • IMG_0230.JPG
    IMG_0230.JPG
    2 MB · Views: 233
Your connector doesn’t “look” too bad so maybe ok.

I don’t have a pix or location of the late 08 backlight fuse.

Possibly someone else does.

It will have a small dot or “p” on it.

If it is bad you will need pretty decent soldering skills to replace it.
 
Your connector doesn’t “look” too bad so maybe ok.

I don’t have a pix or location of the late 08 backlight fuse.

Possibly someone else does.

It will have a small dot or “p” on it.

If it is bad you will need pretty decent soldering skills to replace it.

thanks. I just need to locate the fuse
Of course I will not soldering it I don't have enough practice
 
Register on MacRumors! This sidebar will go away, and you'll see fewer ads.