Become a MacRumors Supporter for $50/year with no ads, ability to filter front page stories, and private forums.
Somewhere I read that in could be an LCD Inverter
So I can not decide what to change first. The Inverter or fuse?
 
You might want to check the backlight fuse before considering replacing it.

Thanks for advice. But unfortunately I can not check it. Only replace. So the fuse model number is LP8550 ? If this it will be great cause In russia it cost 4$ :)
 
Hello everybody!
I so much hope that you all can help me because I don't know what shall I do:(

Here is my problem: I have bought used MacBook Pro 15 late 2008. It seems like that everything were OK. It worked fine
So when I come to home with macbook I decided to change thermal paste on the CPU and GPU
But I failed! I can not even unscrew the screws cause they was damaged (screws). Also I was not so gentle when I was unplugging some connectors. So when I assembled it back the backlight was not working
I decided that I have damaged LCD cable which connects LCD and MB. yesterday I have replaced it but the baclkight still don't work.
The display shows image just there is no backlight
I can work with external monitor via display-port and mac os works just fine
So what have I damaged? I read this thread and figured that it could be the LED driver LP8550, isn't it? Or what?
Need advice from you guys :eek:
THANKS
and here are some pictures of MB

I believe the fuse is on the other side of the logic board. Remove the board and post high res pics of the backside near where the LVDS connector is. Then we can find the fuse for you.
 
I believe the fuse is on the other side of the logic board. Remove the board and post high res pics of the backside near where the LVDS connector is. Then we can find the fuse for you.

oh no! the backside :( the problem is that the screws are completely damaged by the previous owner. and I don't know how to remove them... will try today
 
Hey everyone,
My Macbook backlight just quit working, and a google search brought me here. After some disassembly I seem to have blown something on the logic board. The pictures make it look worse than it is, but something has definitely blown and there is black garbage all around the section of the logic board. As you can see from the bottom it was pretty dusty in there :eek:, but I've never spilled anything on it.

It's a mid 2012 macbook pro, I'm not sure how to figure out the part number of the logic board however.

I'm assuming this fix is going to be beyond my capabilities, I was wondering if anyone here had any suggestions of mail in services that will fix it (I live in a pretty small city and doubt anyone around here will do it).

Thanks!

hBFcUDE.jpg

RIDW9Iz.jpg
 
I’m not exactly sure on your board. Different boards are in different places.

You might have to sweep some dust off there and then start by looking for an area that seems like a good place to put a number.

Its a little hard to spot because its sort of dark and on the dark board background.

You’ll find it.
 
Hey everyone,
My Macbook backlight just quit working, and a google search brought me here. After some disassembly I seem to have blown something on the logic board. The pictures make it look worse than it is, but something has definitely blown and there is black garbage all around the section of the logic board. As you can see from the bottom it was pretty dusty in there :eek:, but I've never spilled anything on it.

It's a mid 2012 macbook pro, I'm not sure how to figure out the part number of the logic board however.

I'm assuming this fix is going to be beyond my capabilities, I was wondering if anyone here had any suggestions of mail in services that will fix it (I live in a pretty small city and doubt anyone around here will do it).

Thanks!

The specific circuit that seems to have failed is the backlight. 2 pins in the middle of the LVDS connector. Given the green corrosion (copper chloride) in various areas it is almost certain there was some liquid in there at some point. The copper chloride is from the copper traces and in the presence of a liquid with salt and voltage there will be leeching of the copper in this form.

First step is to get that cleaned off with isopropyl alcohol (IPA) and a new toothbrush. Remove battery connector before proceeding of course. Scrub the area with the IPA and let dry. This will at least try to stop further corrosion and allow you to more clearly see the damage (corroded traces). It does look like, at a minimum, you are replacing the LVDS connector. A very tricky soldering job.
 
The specific circuit that seems to have failed is the backlight. 2 pins in the middle of the LVDS connector. Given the green corrosion (copper chloride) in various areas it is almost certain there was some liquid in there at some point. The copper chloride is from the copper traces and in the presence of a liquid with salt and voltage there will be leeching of the copper in this form.

First step is to get that cleaned off with isopropyl alcohol (IPA) and a new toothbrush. Remove battery connector before proceeding of course. Scrub the area with the IPA and let dry. This will at least try to stop further corrosion and allow you to more clearly see the damage (corroded traces). It does look like, at a minimum, you are replacing the LVDS connector. A very tricky soldering job.

Interesting. This is actually my girlfriends computer. She swears to have never spilled liquid on it, but would condensation do that? (although that doesn't seem to meet the salt requirement) I know I've seen her take it with her into the bathroom and play music while showering.
 
Interesting. This is actually my girlfriends computer. She swears to have never spilled liquid on it, but would condensation do that? (although that doesn't seem to meet the salt requirement) I know I've seen her take it with her into the bathroom and play music while showering.

I don't want to get her in trouble :) but it is quite possible to get some splashes in there without noticing.

Condensation happens when high relative humidity air hits a cold surface causing the local dew point to drop and water to condense out of the air. The circuit board would almost certainly be warmer than the surroundings so I can't see it happening unless the macbook was brought in from the cold outside into a very humid room. But then condensation would happen everywhere on the macbook especially the outer aluminum.

I think that the most plausible explanation would be some sort of droplets splashing onto the MacBook. Did any of the liquid sensor dots turn red? They are tiny white for labels distributed around the interior.

But it is all water under the bridge (no pun intended) :D at this point. There is corrosion and it needs to be cleaned off to prevent further damage. IPA and toothbrush works well. You should then be able to see how bad the LVDS connections are but I am guessing it will need to be replaced.
 
Wled driver readings



No Back-Light
FUSE OK

WLED DRIVER READINGS:

1) 0
2) 1K
3) 110K
4) 100K
5) 0
6) not
7) >1M
8) >1M
9) >1M
10) >1M
11) >1M
12) >1M
13) >1M
14) >1M
15) 0
16) >1M
17) >1M
18) >1M
19) >1M
20) 0
21) >1M
22) >1M
23) >1M
24) >1M

Any idea? Is the led driver blown?
Thanks in advance :)
 
Last edited:
Hi everyone, after a lot of searching regarding my issue I decided to reach out and ask and hope someone can help me. Sorry that I post it in here since I know this thread is about water damage, but seems that is where I have the best chance of getting help. After a lot of testing Im still in the same place and haven't come out with a solution. The only thing I have noticed is that one capacitor is broken (doesn't seem burned out). Also there is a controller next to the same capacitor that when the magsafe is plugged in it gets really hot (won't happen when using battery only). Another symptom is that when pressing the power button (this time on battery) the same controller gets hot for about 3 seconds and then gets cold again(nothing comes on) and if I do a SMC reset the fans will turn on high speed(just the fans,no video,chime or hard drive activity) and the same controller will get hot again but these time stays hot. I really appreciate any help on the matter. Im desperate :eek:
Regards,
Tito

Hi all, well after finding the board viewer and the schematic I was able to find the right capacitor and replace it with a new one. Well, that didn't help at all and I'm still having the same problem. The computer won't come on and the only power I get is the fans on high after a SMC reset. Any ideas on where to look next?
 

Attachments

  • DSC_4205.jpg
    DSC_4205.jpg
    2.7 MB · Views: 1,410
I have just repaired a backlight fault on MacBook Pro A1278 2010 model. Problem is only the backlight is now working but no display. Works fine on external monitor via thunderbolt. LVDS connector looks good and have tested with another screen. Any idea what could be wrong? Anyone have a circuit diagram for the signal display for this model?
 
dear friends
please help me to find out the fuse for the LCD backlight on macbook pro 2008 15 late 2008 unibody
here is the backside of MB
 

Attachments

  • photo 2.jpg
    photo 2.jpg
    2.5 MB · Views: 281
  • photo 1.jpg
    photo 1.jpg
    2.5 MB · Views: 275
  • photo 5.jpg
    photo 5.jpg
    2.4 MB · Views: 272
dear friends
please help me to find out the fuse for the LCD backlight on macbook pro 2008 15 late 2008 unibody
here is the backside of MB

Looks like your fuse is missing, have circled were it should be.
 

Attachments

  • photo 2.jpg
    photo 2.jpg
    2.1 MB · Views: 352
LP8550 is a WLED driver but not on your logic board, yours uses Apple proprietary WLED driver (APP-1A)

I believe a 2A quick blow fuse is what you require.
Ok. But can I connect those contacts directly , without 2A quick blow fuse?
 
If you short the contacts you risk further damage to the board.
A fuse is there to limit the current from getting too high and frying something.

Barney
Ok. Can you show me a picture how should I install the fuse?:)

or the photo of correct fuse?
 
Last edited:
I have just repaired a backlight fault on MacBook Pro A1278 2010 model. Problem is only the backlight is now working but no display. Works fine on external monitor via thunderbolt. LVDS connector looks good and have tested with another screen. Any idea what could be wrong? Anyone have a circuit diagram for the signal display for this model?

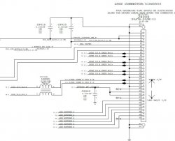
Does anyone have pinout for LVDS on A1278 2010 please? Any ideas what fault could be preventing display signals?
 
Does anyone have pinout for LVDS on A1278 2010 please? Any ideas what fault could be preventing display signals?

Here you go.

If you are getting backlight but no image then I suspect something in the LVDS signaling or clocks. If the 3.3V supply (pins 2 and 3) is bad then normally the backlight will not come on at all. I believe there is some sort of feedback that is required for the SMC to enable the backlight. Anyway you could check for presence of 3.3V on pins 2 and 3. Be very careful probing with power on. One little slip and short circuits can happen.
 

Attachments

  • LVDS pinout.jpg
    LVDS pinout.jpg
    76.6 KB · Views: 3,708
Hello! Excellent thread! I have an early-2011 13-inch mbp , of my own, with non working led backlight

The computer is fully functional besides this. (i.e. you can plug an external HDMI device and use it.

The backlight died one day, 1 or 2 minutes after boot. Liquid-damage is discarded.
The days before this happened, there was a very faint flickering in the backlight.



I've taken some measures on the board: (820-2936-A)

There is no damage on LVDS connector, U9701 seems to be OK and there isn't any noticeable rust. I cleaned the board with a new toothbrush just in case.

Fuse F9700 is OK. Voltage reads 11.3V. I get the same reading @ F7040 pin 2.
BKL_EN (on R9731) reads 2,62V
Pins 2&3 of LVDS read 3.25V
Pins 21&22 of LVDS read 11.22V


Can you help me with this? I'd need some advice on the further steps to take. I'll take any measure you ask, provided it's in the top side :). In the bottom side I cant measure voltage as i cannot power the board.
I think that WLED driver is OK and something is wrong.

Thank you in advance!
 
Register on MacRumors! This sidebar will go away, and you'll see fewer ads.