Have 3.50 power pads
Fuse ok
No water damage .
Thks
i find a component that burns C7540 PPBUS_S5_HS_COMPUTING_ISNS

C7540 burn when i plug magsafe
I replace components ?
thanks you
Last edited:
Have 3.50 power pads
Fuse ok
No water damage .
Thks
i find a component that burns C7540 PPBUS_S5_HS_COMPUTING_ISNSImage
C7540 burn when i plug magsafe
I replace components ?
thanks you
Interestingly Dadioh, I have just checked the firewire port and it is not shown in the system info either as a device. I dont have a firewire device to try, but I suspect if it is like the other two devices it is also "offline"
Guys I'm in trouble , my macbook get the white screen , only the led lcd on, the more the image does not appear, dismounted and saw a problem next to the LCD connector on the motherboard. My macbook a1278 I7 and realized the problems that had occurred. Anyone with any solution to my problem . I am Brazilian computer technician , but never went behind to solve this problem
Thank You
Hi!
I have a 15" MBP A1286 mid 2010 i5 2.4GHz that died suddenly while on battery. After that the laptop doesn't boot or charge battery. Magsafe has only green led on. SMC reset does nothing and LB part number is 820-8250-A.
G3Hot measured 3.38V with and without battery. U7000 pin14 showing 3,20V with Magsafe. Magsafe board seems to be OK. Haven't tested with known good battery as I don't have spare.
I also measured U7000 pins 21 and 24 with battery and magsafe connected.
pin 21 LGATE shows 0.56V
pin 24 UGATE shows 13.35V
Battery connector pins 1-3 fluctuate between 4V-8V, pins 4 and 6 between 3.14V-3.38V, pin 5 0.01-0.03V
Any thoughts of this?
ps. also attached picture showing U6900 and U6901 voltages while battery and magsafe connected.
Starting point is to try with a good battery. You could spend a lot of time troubleshooting the ISL6259 (U7000) circuit when a battery replacement is all that is required.
A quick check is to unplug the battery and plug in the magsafe. Then measure what you are getting out of the ISL6259. Easiest place to check is on the white fuse near the device. It should be about 12.5V. If not, then there is something wrong with the charge circuit.
Measured the white fuse and it shows 12.53V but when I measured it again, it shows 12.53V but then drops to about 2.5V and back to 12.53V.
And sometimes Magsafe connector light doesn't light up at all and then the white fuse is measured steady 12.53V.
Hy Everybody!
I would like to ask some help in measuring. I have a faulty mbp logic board. It is a 820-2915-b (15, 2011 early, 2.0Ghz).
The board turns on, but about 2 seconds turns off. If I press the power bottom the sleep led flashing one, the fans spin up, and after the board turns off.
I tried the smc reset, and start without smc, but the situation same as previously.
Can somebody give me idea how I can look for the issue? What should be measured?
Thanks a lot.
Should stay solid at 12.5V. If it is dropping off then there is something in the charge circuit that is detecting a fault and "hiccuping".
With power off test the resistances of the surrounding circuitry. Particularly sense resistors. Also, measure the resistance between each pin and ground of the ISL6259 charger. The typical measurements can be found somewhere in the thread.
Started measuring from Magsafe connector and found out that Q7085 has interesting fluctuating voltages. Before Q7085 is Q7080 that has steady voltages 16.50V on PINS 5-8, 16.05V on PINS 1-3 and 15.85V on PIN 4 but Q7085 has 16.05V on PINS 1-3 and then PIN 4 fluctuating between 4V to 15.30V and PINS 5-8 fluctuating between 4V to 16.00V.
Does this mean that Q7085 is bad? Can you or someone measure voltages from known good board? I believe these are marked Q7000 and Q7001 on 13" MBP.
Here is some voltages around charger chip. Magsafe on and battery connected.
edit. and for additional info for everybody who wants to help: mid2010 mbp, doesn't charge, detects battery and tells cycles etc. works alone with battery, works with battery and magsafe, doesn't work with magsafe only (except smc bypass mode)
I think you mean Q7030 and Q7035 on 13" i5 and i7
I don't have the schematics and .brd for that particular model but of what you are saying you have to check the connection between pin16 of U7000 and pin4 on Q7055 for short than check the current control U7000 CHGR_CSI_P pin28 to R7020 pin1 = 10 ohm , U7000 CHGR_CSI_N pin27 to R7020 pin2 = 10ohm.
on 13" MBP. Very often happens to be burned via on those connections.
Also check them for short to ground especially pin16 on U7000 (CHGR_BGATE), C7026 go bad sometimes.
But most of the time lead to burnout U7000. I cant help further without schematics and board view for your specific model.
But in any case I wish you luck.
No, I mean on 15" Q7080 and Q7085 are the same as Q7000 and Q7001 on 13" and MBP15 Q7030 is Q7020 on MBP13, MBP15 Q7035 is Q7021 on MBP13. At least in the shematics that I have, pics attached.
But measured short between pin16 U7000 and pin4 Q7055 and pin16 U7000 not short on ground.
Do you have a solid connection between pin2 on R7020 and pin2 on R7021
also pin1 on R7020 and the other 10ohm resistor that i can't see... check the values of those two also.
I think U7000 shut down power supply because it thinks that machine consumes to much current.
I am working on a A1342 logic board I found on a macbook bought
on ebay.
If you connect the magsafe you have the green light.
If you connect a battery the board charges it, no problem.
There is no evidence of liquid damage both in the case and
on the board.
If you try to jump the board no fan, no chime, no video, but cpu/gpu
get warm.
If you bypass the SMC fan starts at maximum speed, but no chime
and no video.
I am not sure it a gpu issue ... usually when the gpu is the problem
you still have chime and fan starts.
Checking the white fuse I find nothing. G3Hot is good. Board seems
to be powered correctly all over the place.
My guess is that since the fan starts bypassing the SMC,
in normal mode the SMC finds something it doesn't like.
Any idea?
Did you checked the 3V 5V lines? TPS511125 or something like that.
i have similar board and exact same results...
someone already posted it. just rename .zip to .brd
magsafe just connected
VO1 0
VO2 3,27
after jumping the board ...
VO1 4,95
VO2 3,27
It seems ok, right?
seems fine
Check the Pgood power guard i suspect somethings triggering the power guard ensuring it doesn't start. Previously i encountered a problem with MCP VCore rail that triggered the power guard meaning the smc was unhappy and wouldn't allow anything to proceed or the cpu to turn on.
pgood is 0v
... always before and after jumping the board ...
Okay.
So jump the power debugging switch pads (r5015 usually)
Measure all the inductors on the underside of the board for voltages for s0 rails
start with
CPUVCCIOS0 (l7630 inductor
PVCCSA (l7100 inductor)
and report back.
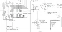
Do you have the brd of the board?
I found the brd of the 2010 model but it's a bit different ...
However I think they are named differently on my board ...
Image
after jumping
CPUVTTS0_PGOOD 0,75 (but I get also 0 the second and the third time I check)
P5V3V3_PGOOD should be the PGOOD pin of 51125 and it's 0.
MCPCORES0_PGOOD is generated by isl6263 .... but I can't check it
because I don't' find a pad (it goes directly on the bottom thorugh the
board).
the inductors i asked you to check where ofcourse from a different board. Doh.
check if those chips are outputting voltage. Do this by going to there U refrence number and finding the inductors there to smooth the final voltage output.
Check all the rails in the picture for voltage, if one is not right then that will be the first chip to investigate as it is most likely to be the cause of this.
Thanks