Trouble with Macbook Reporting Charging
Hey everyone, I have been working on this water damaged Macbook that thanks to this I have gotten working besides this last issue.
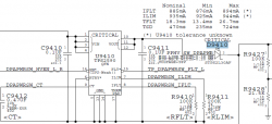
I replaced the Q7055 mosfet and got the macbook charging the battery now. The problem is now that the computer is not sensing that the macbook is charging the battery but Coconut battery shows that the charge is increasing. The magsafe cable has a dim green light at all times. It does not change to orange or get bright at all.
The macbook can now turn on without doing the SMC bypass. The battery is seen by the computer it just does not show charging. But when the battery is fully charged the Macbook says its charged.
I also have no G3Hot on the magsafe DC in board. I have it on the battery 2 pins. Just trying to see if anyone knows where i might look to speed up the troubleshooting.
Thanks!
	
		
			
		
		
	
				
			Hey everyone, I have been working on this water damaged Macbook that thanks to this I have gotten working besides this last issue.
I replaced the Q7055 mosfet and got the macbook charging the battery now. The problem is now that the computer is not sensing that the macbook is charging the battery but Coconut battery shows that the charge is increasing. The magsafe cable has a dim green light at all times. It does not change to orange or get bright at all.
The macbook can now turn on without doing the SMC bypass. The battery is seen by the computer it just does not show charging. But when the battery is fully charged the Macbook says its charged.
I also have no G3Hot on the magsafe DC in board. I have it on the battery 2 pins. Just trying to see if anyone knows where i might look to speed up the troubleshooting.
Thanks!
 
			 
			 
 
		 
			 
			 
 
		 
			