hello to all from Frankfurt - Germany.
First of all - I hope for all guys at the eastcoast, Storm 'Sandy' didn't affected you and your families personally!
Follow the sentence "Don't ask what the MacRumors Forum can do for you - ask what you can do for the MacRumors Forum!" - I will document my MBP 13 mid 2010 errors.
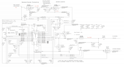
The MBP13 has bright green light on the Magsave. No boot, no boot by pass over SMC Control, no battery charge, no 3.42_High start by bridging contacts left near the keyboard.
Voltages on G3Hot 3.42, DCIN_CONN 18.5V, 5V at pin 19 VDD_ 20 VDDF on U7000 (ISL6259(A));~3,3V on Pin 14 CHRG ACOK (U7000); 18,5 V at the Drain on Q7030 (RJK0332)

but

--- only 1.6V at Gate and effluent 1.6 V at the Source of the Q7030. So the Gate and the Source has the same voltages and no regulations will be effected.
The Source will be regulated from the U7000 PIN 24 UGATE and just have 12,5V (when other signals/voltages ok) to flow to the System PPBUS_G3H and to charge the Battery by PPVBAT_G3H_CHGR_REG by Q7055 (SI7137).
Next step was to measure the resistance between Gate/Source of the Q7030 (RJK0332). Short curcuit! So far - so bad!

Two possible causes: 1st. - short of the Q7030 (Gate/Source) or --- 2nd. short between Pin 23 PHASE and 24_CHRG_UGATE.
Now I have to order the RJK0332 and the RJK0305 (only for security reasons) and the ISL6259. The Solder out of the Q7030 will be not dramatic, but to solder out/in the U7000 this will be a challange!

So I start to pray that the Q7030 is the bad causes.
Has anybody in the Forum experiences about this error and/or tips to desolder the U7000 by a hotair soldering station? I sold a new one, but my experiences are like a rookie.
Also is it hard to find an store to order the technical parts for the german/european market!?!? -- I will open a Webshop to sell these parts specially für the Apple Macbooks. The post of my Webshop Adress will follow ...

next time.
Also I will deliver a service to Protect the Macbook's from waterspill! It is unbelievable how many macusers spill fluids over there Macbook's - here in Germany we prefer to drinking the stuff ...!?!
Other Question: Has anybody of this friendly forum a 'board view' of the mid 2010 A1278 K6 (820-2879) !?
Thanks in advanced!
best regards and stay tuned on this professionall Forum - thanx to Dadioh, macrepair, cmdrdata and ... all others for her helpful inputs!
foxontherun