@cmdrdata
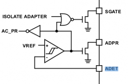
A while ago you mentioned a block diagram of U7000. Do you by chance know
which page in this thread it is located? I couldn't find it.
I'm currently facing the problem that the right side of R7086 on a k90i is
~15.5V instead of ~0V but CHGR_AGATE is at 0V. It might just be that pin 1
of U7000 is not soldered on correctly but I thought understanding the logic
could be beneficial.
My current understanding is that CHGR_AGATE will pull to zero when everything
is alright (U7000 has 5V at PP5V1_CHGR_VDD and reports SMC_BC_ACOK). Is that correct?
A while ago you mentioned a block diagram of U7000. Do you by chance know
which page in this thread it is located? I couldn't find it.
I'm currently facing the problem that the right side of R7086 on a k90i is
~15.5V instead of ~0V but CHGR_AGATE is at 0V. It might just be that pin 1
of U7000 is not soldered on correctly but I thought understanding the logic
could be beneficial.
My current understanding is that CHGR_AGATE will pull to zero when everything
is alright (U7000 has 5V at PP5V1_CHGR_VDD and reports SMC_BC_ACOK). Is that correct?
