Long story short i was tricked into buying a A1278 K90i macbook on ebay as faulty.
The thing arrived with more corrosion than the eye could bare, no hard drive, small dents, and all sorts, but the seller assumes no responsability.
So i gave it a proper clean with a fiber pen, and put it back together for testing.
Was hoping for the

chime, but i didn't get it, even after PRAM and SMC resets. (witch it reacted too properly as well)
Did some testing, G3HOT is of course there, and until now i have assumed 5V is as well as a hard drive spins up just fine.
The magsafe communicates with the smc as it should, and the smc acts as it should. T29 power circuits only spit out 12v rather than 18.5v but i cant seem to find the source of the issues, lots of components have MV readings that go up for a while before settling, i figure these components have no real power due to a short.
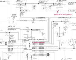
It doesnt power on in SMC mode either, and its suggested by someone that a voltage is missing.
all chips get warm when the macbook comes on.
No fuses are blown
Overall im completely lost, ive tested cap's, resistors, fuses and got no closer to the issue
im starting to wander if i actually have a good 5v supply across the board
and considering possibility of U7200 being faulty, as i remember it being blackened and fairly corroded.
I cant do anything more for now as i dont have a charger for the next few days, But i come with a cry for help. Anyone know what i should be checking next? what steps to go through? ive been lurking for a while and have a good feeling you guys will be able to point me in the right direction.
Thanks for reading, looking foward to seeing what you have to see, would be awesome to see this one working, else im £220 down...

take it easy, and happy diagnosing to all those in similar situations