Become a MacRumors Supporter for $50/year with no ads, ability to filter front page stories, and private forums.
Hi, I bought this MBP on ebay with no backlight and reading your posts I was able to sort this out but I'm getting one problem every 4th or 5th diode does not work :(
So to get in to this place where I'm now, I've replace already resistor 300k & 6 leg smd 638z next to the wled driver and I've replace also 40 pin lvds connector and now I end up on one row led not working
so if can ask for help I'll be grateful to anyone. Thx

PS what i did check is that that I'm getting 37v on 38,39,40 pin on lvds con and on 2, 3 2.5v, on the boost diode next to the wled D 33v
resistance on wled driver looks like is ok compare to the thread on the first page

http://i1201.photobucket.com/albums/bb347/agencik/IMG_0657_zpsfe63067c.jpg
http://i1201.photobucket.com/albums/bb347/agencik/IMG_0665_zps8d8aa183.jpg



Hi, never mind it's sorted, led return 6 was not properly soldered. thanks
 
Greetings all!

First want to say thanks for the information in this thread.

Recently my bag strap snapped, dropping my bag to the ground, smashing a bottle of cider in the process. My bag also contained my 15" Late 2011 MacBook Pro.

Dried said MBP out with rice for a couple of days, turned it on and it worked fine, however the screen was still full of liquid, to the point where I could barely read the screen.

After about 30 seconds, the backlight flickered and went out, but the screen was still visible and working under external light.

After some research I decided to replace the LED display, as I assumed the backlight had died due to the liquid damage.

Despite replacing the LED display, I am still having the same issue... The LED display works, but the backlight does not.

Having read this thread I now assume it is 'the fuse' that has gone... I was wondering if anyone (Dadioh) could possibly point out to me where 'the fuse' is on a 15" Late 2011 MBP, so I can test/replace it?

Thanks in advance.

Greetings.

Sorry for the huge delay. Been very busy!

I actually have an Early 2011 15" MBP.

Here are some snaps of the motherboard near the VLED (I think that's what it's called...) connection.

I think that the fuse is the small white part near the edge on the underside with the sign that looks like a rounded A but without the horizontal line, but if someone could confirm for me, that'd be amazing.

Thanks in advance,

Dave Mercurial

0


0
 
Greetings.

Sorry for the huge delay. Been very busy!

I actually have an Early 2011 15" MBP.

Here are some snaps of the motherboard near the VLED (I think that's what it's called...) connection.

I think that the fuse is the small white part near the edge on the underside with the sign that looks like a rounded A but without the horizontal line, but if someone could confirm for me, that'd be amazing.

Thanks in advance,

Dave Mercurial

Image

Image

Links don't work. When you get them sorted out I will have a look and let you know if that is the fuse.
 
Ahh, that'll be because they are from an email attachment...

I've uploaded them to photobucket.

macbookmobo1_zpsf58ab894.jpg


macbookmobo2_zps9f137d07.jpg


Thanks for your quick reply, we are working on this tomorrow so it's much appreciated.

Let me know if I need to take any more pictures of other parts of the motherboard.
 
Ahh, that'll be because they are from an email attachment...

I've uploaded them to photobucket.

Image

Image

Thanks for your quick reply, we are working on this tomorrow so it's much appreciated.

Let me know if I need to take any more pictures of other parts of the motherboard.

What do the last 3 pins of your LVDS connector look like? Same for the cable.

Please confirm that your board is an 820-2915 so I know that what I squared in the picture is correct. I am going based off of memory, I cannot tell much from the picture due to the lighting, side angle, and general blurriness. If that is an 820-2915, that is your fuse. if that is another board, then I have no idea what I just circled.
 

Attachments

  • macbookmobo2_zps9f137d07.jpg
    macbookmobo2_zps9f137d07.jpg
    159.7 KB · Views: 531
Aha! Thanks so much! I can see it now! With the 'P' on it!

Sorry for the bad pictures, I assumed it would be closer to the video connector, and didn't want to block the light as I'm in an office and it comes from above.

Thanks again, you guys are the best, I'll let you know if replacing the fuse sorts everything out.

Kind regards,

Dave Mercurial.
 
A somewhat related problem

I know this is a bit off topic but this is the best resource I have to turn to for Macbook Pro display related problems. And maybe it will help someone else one day.

Computer MBP early 2011 A1278.
OSX 10.7.5

When I boot the computer I get a dark grey/blue screen. That's it. Computer sounds like it's booted, chime, keyboard lights, disk noise, etc., but no display. After playing with it for a while I discovered that if I closed the cover, let the machine go into sleep mode, opened the cover, pressed the mousepad, the display would come back OK. Everything fine.

So I tried the following experiment. I booted to the grey screen as above. Held a magnet over the reed switch, WITHOUT touching or moving the display lid at all. This made the computer sleep. Took the magnet away, then pressed the mousepad. IT WORKED! The display was normal.

So it's not simply a loose cable problem. This sequence is consistent.

Would the esteemed experts in the forum conclude that I have a driver problem? Has anyone seen this before?

Thanks.
 
Last edited:
Anyone have an idea about this? Thanks!

After finding this thread, I checked the fuse, which was blown, and had it replaced by someone who could solder something that small. It didn't fix the issue. The issue is that I can see an image on the screen with a flashlight, but no backlight. I think the issue may be with the LVDS cable and possibly even the LVDS connector on the board. Let me know what you think. Thanks!

View attachment 415205

View attachment 415206

View attachment 415207

View attachment 415208
 
I hope someone can help me out here. Maybe l.a. ROSSMAN or Dadioh knows :). I have a 820-3115 B logic board with no backlight I have checked the fuse and replaced the wled driver with no change. Output from the driver is still 12.6v. My question is what should the voltage on the EN pin be? Right now on one side of the resistor I am getting 12.6v but on the other side that goes to the EN pin of the LP8550 I am getting 3.2v. Does the driver boost the voltage or is there an other component that I should be checking? Also does anyone have a schematic and board view for this logic board. Any help would be greatly appreciated.
 
I hope someone can help me out here. Maybe l.a. ROSSMAN or Dadioh knows :). I have a 820-3115 B logic board with no backlight I have checked the fuse and replaced the wled driver with no change. Output from the driver is still 12.6v. My question is what should the voltage on the EN pin be? Right now on one side of the resistor I am getting 12.6v but on the other side that goes to the EN pin of the LP8550 I am getting 3.2v. Does the driver boost the voltage or is there an other component that I should be checking? Also does anyone have a schematic and board view for this logic board. Any help would be greatly appreciated.

Sounds right. Don't have a schematic in front of me right now but the earlier lp8543 and lp8545 drivers had a resistor divider network to transform 12v to 3v for the enable pin. A common failure is for one of those two resistors to fail.
 
Thanks for the quick reply Dadioh :). I am really at my end with this one. If the WLED driver is getting what it needs on the enable pin and I changed the driver. I am not sure where else to look. Do you know if there would be different behavior if the driver is not getting feedback to the returns VS no power to the enable pin. Maybe a quick flash of the backlight.

cetchmoh I saw that you were working on the same LP8550 no backlight issue.
Did you ever get it working?

Also a big thanks to everyone who has contributed to this thread/forum!!! ;)

Here is my little contribution if you can call it that, I had a board that would not power, no light on mag safe, completely dead. First I tried a IPA bath with tooth brush with no luck. Then after reading l.a. rossmans advice about ultrasonic cleaning, I took the plunge and picked one up. After 10 minutes on each side of the board, it gave green mag safe and charged battery. I hit the power button and got the chime. Unfortunately no backlight but a much better situation. :)
 
Hi everyone, I have a water damaged MBP 13" late 2011 and what sucks is I have AppleCare until 2015 :( Being a poor uni student I can't afford to purchase another laptop, so I pulled out the logic board (820-2936-B) and cleaned it with 100% ethanol and a toothbrush.

When I put it back together and plugged in the magsafe charger, the light turned green! Great I thought, but instead of trying to turn it on I plugged the battery back in and to my horror two components started smoking and glowing RED hot! Needless to say I immediately unplugged the battery. But now the magsafe light only glows a very dim green and the MBP won't turn on.

I've attached photos of the logic board with the burned components, is anyone able to identify them? The top one I think is a capacitor and as you can see in the photo the surrounding PCB is glossy from the heat. The lower IC chip got so hot it bubbled and bits flaked off.

Is it at all possible for me to purchase and replace these two components? As I think the logic board is in very good condition otherwise, the corrosion wasn't very serious.

Thank you very much in advance, any help would be much appreciated!
 

Attachments

  • DSC_0001.jpg
    DSC_0001.jpg
    827.4 KB · Views: 726
  • DSC_0002.jpg
    DSC_0002.jpg
    1.8 MB · Views: 1,032
  • DSC_0003.jpg
    DSC_0003.jpg
    2.1 MB · Views: 555
Thanks for the quick reply Dadioh :). I am really at my end with this one. If the WLED driver is getting what it needs on the enable pin and I changed the driver. I am not sure where else to look. Do you know if there would be different behavior if the driver is not getting feedback to the returns VS no power to the enable pin. Maybe a quick flash of the backlight.

cetchmoh I saw that you were working on the same LP8550 no backlight issue.
Did you ever get it working?

Also a big thanks to everyone who has contributed to this thread/forum!!! ;)

Here is my little contribution if you can call it that, I had a board that would not power, no light on mag safe, completely dead. First I tried a IPA bath with tooth brush with no luck. Then after reading l.a. rossmans advice about ultrasonic cleaning, I took the plunge and picked one up. After 10 minutes on each side of the board, it gave green mag safe and charged battery. I hit the power button and got the chime. Unfortunately no backlight but a much better situation. :)
Hey Reballer
Did you order your ultrasonic cleaner on ebay?Got a link to it or something similar to what you used.Some are very expensive.?Did it come with the cleaning solution?What is the cleaning solution?
Thanks
 
Early 2011 Unibody 15'' i7

Hi Dadioh.

Man, i've got to say you are a life saver man. Nice job you're doing here !!!
I found this threat some years ago, when I had a white unibody 13, but i did not continued the search. It had a backlight problem, I buyed it from ebay with a spill on it and I cleaned it and it worked, less the backlight. I sold it like that and now I found that I could reapair it 100%. Now, i get back here, cause I managed to get not to expensive, a Early 2011 Macbook Pro 15, magnificent machine, but no video. I conected it thru thunderbolt and I have video there, so I started to unmount it and I found that the LVDS connector on the motherboard was exploded in the zone of the first 3 pins. So, i purchased a new LVDS connector, LVDS cable, cause the cable is destroied at the same corner. (I managed to find that this is a very common problem with lvds connectors, and that is happening because the metal tab that secures the LVDS cable in the connector, when it clips it in to the connector, it touch the pins if the plastic cover slip away.)I tooked off the connector and there is 3 pins that are melted in the motherboard. I cut them to stop doing short between them and now I have to find a diagram, to see where is everybody goin. Do you have a diagram for a 1286 early 2011, the i7 2.2 Ghz, or can you tell me where each pin is going ??? I will do a photo and upload it for you to see ... I would really, really apriciate this man ...
 
Hi Dadioh.

Man, i've got to say you are a life saver man. Nice job you're doing here !!!
I found this threat some years ago, when I had a white unibody 13, but i did not continued the search. It had a backlight problem, I buyed it from ebay with a spill on it and I cleaned it and it worked, less the backlight. I sold it like that and now I found that I could reapair it 100%. Now, i get back here, cause I managed to get not to expensive, a Early 2011 Macbook Pro 15, magnificent machine, but no video. I conected it thru thunderbolt and I have video there, so I started to unmount it and I found that the LVDS connector on the motherboard was exploded in the zone of the first 3 pins. So, i purchased a new LVDS connector, LVDS cable, cause the cable is destroied at the same corner. (I managed to find that this is a very common problem with lvds connectors, and that is happening because the metal tab that secures the LVDS cable in the connector, when it clips it in to the connector, it touch the pins if the plastic cover slip away.)I tooked off the connector and there is 3 pins that are melted in the motherboard. I cut them to stop doing short between them and now I have to find a diagram, to see where is everybody goin. Do you have a diagram for a 1286 early 2011, the i7 2.2 Ghz, or can you tell me where each pin is going ??? I will do a photo and upload it for you to see ... I would really, really apriciate this man ...

Assuming that the LVDS connector is the same from the earlier 15" MBP then those last 3 pins are indeed the backlight voltage. You will need to solder a new LVDS connector on the logic board and get a new LVDS cable from the sounds of things.
 

Attachments

  • 40pin_LVDS.jpg
    40pin_LVDS.jpg
    124.7 KB · Views: 431
Early 2011 Unibody 15'' i7

Hi again,

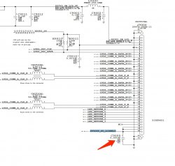
So I managed to find the schematic. How can I show it to you ? because I really dont know how to read this. If you kindly wanna help ... please
 
Dadioh, any thoughts on this? Do you think both the LVDS cable and connector need to be replaced or just the cable?

After finding this thread, I checked the fuse, which was blown, and had it replaced by someone who could solder something that small. It didn't fix the issue. The issue is that I can see an image on the screen with a flashlight, but no backlight. I think the issue may be with the LVDS cable and possibly even the LVDS connector on the board. Let me know what you think. Thanks!

View attachment 415205

View attachment 415206

View attachment 415207

View attachment 415208
 
Please someone help me to fix my Macbooks..

Hi everyone.. i can see some experts guys here..so please someone help me..
i have macbook unibody and macbook pro blow up with replacement chines charger.. the unibody i replace the blown part and its running on but not charging the battery any more..
the Macbook Pro only work on battery and no light on magsafe when it plug in.

i have the motherboards out .i need someone guide me to test points.
Thanks for your time..
 
I need help

@Dadioh

Hey I have a 15" MBP, (LB # 820-2533) with no backlight. I tested LB on a different working MBP and still no backlight. I am looking to just send my LB to you or someone you recommend to have them solder in the fuse for me. Email me if you wouldn't mind.

cpuskac@gmail.com
 
Anyone knows how can I find those SMD's ??? where and what to buy ???
 

Attachments

  • vlcsnap-2013-06-23-00h42m14s40.png
    vlcsnap-2013-06-23-00h42m14s40.png
    678.7 KB · Views: 291
  • vlcsnap-2013-06-23-00h41m20s194.png
    vlcsnap-2013-06-23-00h41m20s194.png
    672.8 KB · Views: 280
  • vlcsnap-2013-06-22-23h30m39s105.png
    vlcsnap-2013-06-22-23h30m39s105.png
    696.1 KB · Views: 265
  • vlcsnap-2013-06-22-23h29m48s49.png
    vlcsnap-2013-06-22-23h29m48s49.png
    729.5 KB · Views: 238
Hi again,

So I managed to find the schematic. How can I show it to you ? because I really dont know how to read this. If you kindly wanna help ... please

So I looked at the schematic and the backlight pins connect to a cap near the LVDS connector and also to the boost diode and other caps which I assume should be near the backlight driver. The Boost diode should be easy to spot. Make sure you connect to the end with the stripe.
 

Attachments

  • MBP15_2011_LVDS.jpeg
    MBP15_2011_LVDS.jpeg
    260.7 KB · Views: 536
  • MBP15_2011_LVDS_Diode.jpeg
    MBP15_2011_LVDS_Diode.jpeg
    229.3 KB · Views: 719
Anyone knows how can I find those SMD's ??? where and what to buy ???

The last 2 pics are the FET and Fuse for Firewire 5V power. You will need to use google to find a source for the parts using their part numbers.
 

Attachments

  • FW_5V_Power.jpeg
    FW_5V_Power.jpeg
    99.7 KB · Views: 318
Register on MacRumors! This sidebar will go away, and you'll see fewer ads.