Become a MacRumors Supporter for $50/year with no ads, ability to filter front page stories, and private forums.
Unibody 15 early 2011

@Dadioh

Thankyou Dadioh, for your help. I dont work for clients or for resell those mac's, it's just that I can't afford a new one, so i thaught why not trying to repair one. So thanx again for your efforts ... Everything is clear to me, except onle litle aspect. Those 2 caps, that I soldered, what caps are those ??? Can you find out ???
I tryed to find them in the schematic, but i am not shore if they are here or not.

Thanx again
 

Attachments

  • vlcsnap-2013-06-23-00h39m22s1.png
    vlcsnap-2013-06-23-00h39m22s1.png
    671.8 KB · Views: 358
  • IMG_0497.JPG
    IMG_0497.JPG
    1.2 MB · Views: 446
  • Screen shot 2013-06-28 at 3.00.15 PM.png
    Screen shot 2013-06-28 at 3.00.15 PM.png
    85.9 KB · Views: 421
re with a new pic

Sorry, I upload another pic cause that one is worst than ever. From What I see, the cabeling goes from the ground to those 2 litle caps, and then to a big one and than it goes to the 3th pin from the output firewire connector. But there are not 3 caps on the schematic. so ...
 

Attachments

  • IMG_0500.JPG
    IMG_0500.JPG
    1.2 MB · Views: 298
  • IMG_0497.JPG
    IMG_0497.JPG
    1.2 MB · Views: 218
Last edited:
@Dadioh

Thankyou Dadioh, for your help. I dont work for clients or for resell those mac's, it's just that I can't afford a new one, so i thaught why not trying to repair one. So thanx again for your efforts ... Everything is clear to me, except onle litle aspect. Those 2 caps, that I soldered, what caps are those ??? Can you find out ???
I tryed to find them in the schematic, but i am not shore if they are here or not.

Thanx again

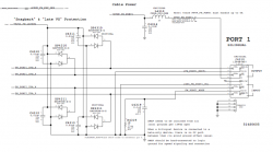
I don't have a board to refer to but looking at the Cap that you added it is supposed to be a ferrite. The pin on the Firewire connector appears to be VP which I assume is Voltage Positive. The ferrite and cap are identified in my attachment. They are an EMI filter for the power.

The ferrite is a 250ohm (measured impedance at some frequency) and the cap is a 0.01uF 50V with X7R dielectric and an 0402 package. You will need to do some searching to find the parts you need to replace them. Or, if you don't need the Firewire port just live without it.
 

Attachments

  • FW_Port.jpeg
    FW_Port.jpeg
    183 KB · Views: 698
macbook pro early 2011

@Dadioh

Hello again Dadioh. So I did what you have told me to do with the 15 macbook. I soldered the connector, and the last 3, i soldered them to the other site, where the wires get to the surface. I verified at first and then i managed to take a wire to there. Everything nice, but no video. Still no video. Now, what do I have to do now ?? Verifying that there is voltage on those 3 pins ??? Verifying all other pins to see if i have voltage ? because I dont have a 15 inch screen to test. On the fire-bolt, is working flawlessly . Even the webcam. The connector from the screen, it was clean, because I changed the LVDS cable. so ...
 
Thanks

That would be the same fuse as used on the other 13" unibody models. 0402 size. 2 Amp. Digikey or Newark are the sources I usually use. You could use the link I provided earlier in the thread.

Good luck.

First off, Thanks for the help Dadioh, I am using the macbook and its been working great since. I got caught up with stuff.
So, If anyone if looking to repair their Macbook Unibody (Late 2009), I can help in locating the fuse.
Although , I do have another question to ask. I was looking to update my laptop and of course being a grad student I cant afford to buy a new mac but I see this person on craigslist selling their Macbook retina with similar issue, he says that it makes chime sounds and works perfectly with external display. So, I was thinking maybe I can fix that one similar to this one and use it. The only problem being, its $750 after bargaining and I dont want to invest that unless i am pretty confident I can do it.
So, My question here is do you have any experience with retina with similar issue of no backlight? if yes is it as easy as the others? If no, can you help me decide in some way.
I did do some research and the best thing I could find was this resource, "http://mikesmods.com/mm-wp/?p=212" He also seems to have found the fuse on the board, if I understand it right, its a 3A/32V fuse (according to him). Any suggestions from you would be very helpful.
Thanks a lot for your help.
 
Hey,hello... I use my MBP 13 (A1278) with an external display since 2009, when I had a liquid accident. I don't have the backlight working, but all the rest is ok, I even see a faint image in the display. I don't know how to test the logic board components, and I don't have anywhere so send it (just apple). So, today I tried to connect the LVDS directly to a power source of 24V. Well... I was great, I could see the display working, with backlight. ;) Now, just a few questions, please...
I connected the 21+22 pins of the LVDS cable to the positive terminal (I had attention to the coax shield), and the 24 pin to the negative. It worked, but then I saw some dark vertical bands on the bottom of the display.
More or less like this (it's not my MBP):

Image

What can be causing this? Are the LED's connected with several rows, and maybe one row isn't working? I know that the pins 24 to 29 are the return lines. I must connect all of them to the negative terminal of my power source? Can it be the problem, because I just have one pin connected?
Thanks.

Hello, anyone can help me with this? have anyone ever tried this? thanks

image_9170_superimage.jpg
 
Hello, anyone can help me with this? have anyone ever tried this? thanks

Image

I am guessing that there are only half of your bottom leds that are working. Are you shore you have only 2 wires for the backlight ??? There are not 3 ???
Do you have the schematic of the logic board ???
 
Assuming that the LVDS connector is the same from the earlier 15" MBP then those last 3 pins are indeed the backlight voltage. You will need to solder a new LVDS connector on the logic board and get a new LVDS cable from the sounds of things.

So I measured all the LVDS connector pins and there is nothing. No voltage, i mean in the same time when the mac is functioning. Normally, it must have something, right ??? So what shoud I do now ? Anyone ???
 

Attachments

  • vlcsnap-2013-07-05-00h33m31s89.png
    vlcsnap-2013-07-05-00h33m31s89.png
    612.9 KB · Views: 235
  • vlcsnap-2013-07-05-00h30m42s79.png
    vlcsnap-2013-07-05-00h30m42s79.png
    622.6 KB · Views: 206
Last edited:
Hey Reballer
Did you order your ultrasonic cleaner on ebay?Got a link to it or something similar to what you used.Some are very expensive.?Did it come with the cleaning solution?What is the cleaning solution?
Thanks

Hey peislander, I picked up the Aoyue 9070 direct from SRA I paid $380.

Here is an ebay link http://www.ebay.com/itm/Aoyue-9070-...697?pt=LH_DefaultDomain_0&hash=item1c28b8bff9

It does frequency sweeping and can do very large boards. They also sell the 9080 which is a bit smaller but should fit most macbook boards.

I use 91% IPA but the fumes are bad. I'm going to pick up some of the cleaner that SRA has for sale its supposed to be odorless but it's pretty pricey.
 
Hey peislander, I picked up the Aoyue 9070 direct from SRA I paid $380.

Here is an ebay link http://www.ebay.com/itm/Aoyue-9070-...697?pt=LH_DefaultDomain_0&hash=item1c28b8bff9

It does frequency sweeping and can do very large boards. They also sell the 9080 which is a bit smaller but should fit most macbook boards.

I use 91% IPA but the fumes are bad. I'm going to pick up some of the cleaner that SRA has for sale its supposed to be odorless but it's pretty pricey.
Cool,On some real sticky boards I have actually put 99.9% IPA in a frying pan.Used a hot plate & slowly boiled for a few mins.Yes the fumes are bad & dangerous.Thanks for your reply.I may get one some day.
Cheers
 
Cool,On some real sticky boards I have actually put 99.9% IPA in a frying pan.Used a hot plate & slowly boiled for a few mins.Yes the fumes are bad & dangerous.Thanks for your reply.I may get one some day.
Cheers

I don't believe that a high IPA concentration is required or desired. Water is a fantastic solvent and dissolves many more impurities than alcohol. However, water does have issues with high surface tension which IPA helps with. So I use 90% distilled water and 10% IPA (as a wetting agent). Works quite well and vapors are not as irritating or dangerous.

After I remove the board from the cleaner I then use my hot air tool set to 200C and high air flow to dry everything quickly including boiling out what is under the BGA packages. Then let it sit for an hour or two before powering up. Works like a charm and most of the stuff people spill in MacBooks (drinks) are water soluable but not usually alcohol soluable. My 2 cents worth anyway.
 
I don't have a board to refer to but looking at the Cap that you added it is supposed to be a ferrite. The pin on the Firewire connector appears to be VP which I assume is Voltage Positive. The ferrite and cap are identified in my attachment. They are an EMI filter for the power.

The ferrite is a 250ohm (measured impedance at some frequency) and the cap is a 0.01uF 50V with X7R dielectric and an 0402 package. You will need to do some searching to find the parts you need to replace them. Or, if you don't need the Firewire port just live without it.

I want to say thank you Dadioh for those identifications, because thanx to that, the 13 inch A 1278 logic board works again. So thanx four your enormous help !!! As for the 15, A1286, i am stucked because I soldered the connector, but there is no signal. I dont know what to verify, what to measure. I measured all the connector pins but no voltage.
 
I want to say thank you Dadioh for those identifications, because thanx to that, the 13 inch A 1278 logic board works again. So thanx four your enormous help !!! As for the 15, A1286, i am stucked because I soldered the connector, but there is no signal. I dont know what to verify, what to measure. I measured all the connector pins but no voltage.

Well I do know that if the LCD panel is not happy it tells the SMC through its i2c bus and then the SMC will respond by disabling backlight and the LVDS signals as well. So your backlight circuit could, in fact, be OK but still not activate if the SMC disables it. You can tell by checking the enable pin on the backlight. It should be 3V.

I would check the resistance between each pin on the LVDS and ground to make sure you do not have a short circuit somewhere. Also check between adjacent pins to make sure the replacement has not shorted pins together.

edit... Make sure you disconnect all power and battery before taking resistance measurements.
 
need help with A1151 MacBook Pro

Recently bought a a1151 and found that one lead of coil 4r7(L8300) had come detached from logic board bringing the solder pad with it. The coil is right next to the plug where the cable that comes from the magsafe power board plugs in (j8290) and the battery cable plug in (j8250). When power button is pressed the optical drive makes a noise but does not boot. Think the coil has to do with back light. The lead that is damage is the single one, the other side has two leads and the seem to go some power chips (q301 and q302). If someone knows where the single side goes or has a schematic that would greatly help.
Thanks
 
Well I do know that if the LCD panel is not happy it tells the SMC through its i2c bus and then the SMC will respond by disabling backlight and the LVDS signals as well. So your backlight circuit could, in fact, be OK but still not activate if the SMC disables it. You can tell by checking the enable pin on the backlight. It should be 3V.

I would check the resistance between each pin on the LVDS and ground to make sure you do not have a short circuit somewhere. Also check between adjacent pins to make sure the replacement has not shorted pins together.

edit... Make sure you disconnect all power and battery before taking resistance measurements.

Hello guys
So Dadioh, I made resistance measurements, there are Mega Ohms between ground and two of the lvds pins. There are only those who are ground connected, that are on ground. pins: 1,10,13,16,19,22,25 and 28. Adiacent pins are not shorted so, I dont know where is the backlight enable pin. Lcd sw pin is not pressent. I found that there is a mosfet with 6 pins on the 2 pins lcd sw and I think there is the problem because in front of this mosfet, there are 3.3 v after it, there is nothing. I will show you on the photos.
 

Attachments

  • vlcsnap-2013-07-16-00h40m53s23922.png
    vlcsnap-2013-07-16-00h40m53s23922.png
    646.7 KB · Views: 271
  • vlcsnap-2013-07-16-00h42m41s12032.png
    vlcsnap-2013-07-16-00h42m41s12032.png
    637 KB · Views: 240
I don't believe that a high IPA concentration is required or desired. Water is a fantastic solvent and dissolves many more impurities than alcohol. However, water does have issues with high surface tension which IPA helps with. So I use 90% distilled water and 10% IPA (as a wetting agent). Works quite well and vapors are not as irritating or dangerous.

After I remove the board from the cleaner I then use my hot air tool set to 200C and high air flow to dry everything quickly including boiling out what is under the BGA packages. Then let it sit for an hour or two before powering up. Works like a charm and most of the stuff people spill in MacBooks (drinks) are water soluable but not usually alcohol soluable. My 2 cents worth anyway.

Hey Dadioh, first of all, thanks again for helping with my issues a long while ago. My MacBook still works like a charm thanks to you!

I just wanted to ask how often you can rescue a water damaged board (I assume that is what you are talking about). If its pretty easy I want to give it a shot!
 
So I measured all the LVDS connector pins and there is nothing. No voltage, i mean in the same time when the mac is functioning. Normally, it must have something, right ??? So what shoud I do now ? Anyone ???

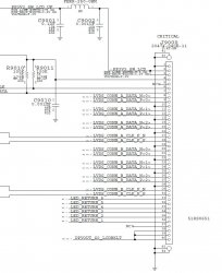
So the last 3 pins are the backlight pins on the MBP15". You have soldered them together and taken that connection to where? If the traces were corroded away then you can find the Diode or one of the caps and take it to there. Are you getting the 27V out of the backlight driver circuit?
 

Attachments

  • LVDS_Pinout.jpeg
    LVDS_Pinout.jpeg
    161.9 KB · Views: 305
  • LCD_Backlight_Signal.jpeg
    LCD_Backlight_Signal.jpeg
    191.8 KB · Views: 284
Hey,

Completely new to Macs in general but bought an A1286 unibody macbook pro 15" off of ebay. It was said to have non functional backlight but the screen still works and I can connect it to an external monitor. Thought I'd give it a shot to repair.

I have done a quick inspection of the logic board and found that the LVDS connector looks like it's missing one of its legs (see poorly photographed image). I wonder if it's a crucial pin, if it isn't then I wont bother fixing that but if that's the cause of the backlight not functioning then I'll look into replacing the connector. Thanks in advance :)
 

Attachments

  • IMG_20130723_154253.jpg
    IMG_20130723_154253.jpg
    376.8 KB · Views: 278
Hey,

Completely new to Macs in general but bought an A1286 unibody macbook pro 15" off of ebay. It was said to have non functional backlight but the screen still works and I can connect it to an external monitor. Thought I'd give it a shot to repair.

I have done a quick inspection of the logic board and found that the LVDS connector looks like it's missing one of its legs (see poorly photographed image). I wonder if it's a crucial pin, if it isn't then I wont bother fixing that but if that's the cause of the backlight not functioning then I'll look into replacing the connector. Thanks in advance :)

The last 3 pins are backlight voltage. The 4th one is a no connect. See attachment. However, if 2 of the pins are making contact I suspect you would still get a backlight. I would go ahead and repair that... best option is to replace the connector because the contacts inside the connector might also be messed up. Also, check the fuse. Location will be detailed in this thread.
 

Attachments

  • MBP15_LVDS.jpg
    MBP15_LVDS.jpg
    127.8 KB · Views: 282
Macbook Pro A1226 display backlight

Hey, I've got a Macbook Pro 15" A1226. It's had its ups and downs but I've recently had a problem with the backlight not working after replacing the LCD and I've come here in a bid to get it working.

I've tried putting the original LCD back but the backlight still doesn't work so I suspected a surge along the line somewhere. I've replaced the inverter and cable between the left I/O and inverter with no success. From what I've seen on this site and others, I'm left with either the left I/O or logic board as the problem.

I've put the multi-meter on the end of the cable to the inverter with the inverter itself plugged in (makes no difference if connected) and I get the following voltages from pin 1-5: 0v, 0v, 0v, 7.5v, 0-5v (depending on the brightness).

From what I gather, I think I'm supposed to be getting 12V or so from the 2nd or 3rd pin? Any ideas what could be the problem?

Thanks :)

rvxr6BQ.jpg


zlCXEy7.jpg
 
The last 3 pins are backlight voltage. The 4th one is a no connect. See attachment. However, if 2 of the pins are making contact I suspect you would still get a backlight. I would go ahead and repair that... best option is to replace the connector because the contacts inside the connector might also be messed up. Also, check the fuse. Location will be detailed in this thread.

Thanks for the response. I took it apart to check the fuse on the bottom but it seems like one of the previous owners already tried fixing that (got suspicious when I noticed multiple screws missing). What one he/she did was replace the fuse with a wire so there is a connection but no fuse. Guess that messed up some more things and he/she had enough of trying to repair it :mad:

Not sure if I should still try to continue to fix it since I'm only assuming the "fix" by previous owner(s) messed up more than might be worth fixing. :(
 
Thanks for the response. I took it apart to check the fuse on the bottom but it seems like one of the previous owners already tried fixing that (got suspicious when I noticed multiple screws missing). What one he/she did was replace the fuse with a wire so there is a connection but no fuse. Guess that messed up some more things and he/she had enough of trying to repair it :mad:

Not sure if I should still try to continue to fix it since I'm only assuming the "fix" by previous owner(s) messed up more than might be worth fixing. :(

If the problem persists with the fuse light it probably fried the backlighting circuit... But it sounds like a bent LDVS pin (mine burnt out 3 fuses before I realized it was a pin)
Check out all the pins on the female LDVS connector with high magnification and see if it might be the problem. But seeing as how the backlight is out with the fuse wire, you might be out of luck with a burnt out circuit...
 
What a great thread. Dadioh, You're the Man!
Im sitting with A1278 - 11 - does anybody have the schematic to this one? board view will be probably to much to ask but Il do it any way..

Great job guys!
 
Hey, I've got a Macbook Pro 15" A1226. It's had its ups and downs but I've recently had a problem with the backlight not working after replacing the LCD and I've come here in a bid to get it working.



Image

I don't know much about the a1226 models but in your second photo at the middle of the arch cutout for the fan is a green fuse. Probably for backlight. Have you tested this?

----------

What a great thread. Dadioh, You're the Man!
Im sitting with A1278 - 11 - does anybody have the schematic to this one? board view will be probably to much to ask but Il do it any way..

Great job guys!

Welcome to the thread. A1278 are 13" models. Do you mean an 11" screen with your -11 note? That would be a MacBook Air. You need to clarify exactly which machine you are asking for. I use everymac.com as a good resource. Find your model and report back with model details.
 
Register on MacRumors! This sidebar will go away, and you'll see fewer ads.