Become a MacRumors Supporter for $50/year with no ads, ability to filter front page stories, and private forums.
cont-
 

Attachments

  • Screen Shot 2014-09-10 at 05.40.21 pm.png
    Screen Shot 2014-09-10 at 05.40.21 pm.png
    266.5 KB · Views: 1,450
  • Screen Shot 2014-09-10 at 05.40.31 pm.png
    Screen Shot 2014-09-10 at 05.40.31 pm.png
    269.3 KB · Views: 1,011
  • Screen Shot 2014-09-10 at 05.40.42 pm.png
    Screen Shot 2014-09-10 at 05.40.42 pm.png
    463.3 KB · Views: 841
  • Screen Shot 2014-09-10 at 05.40.52 pm.png
    Screen Shot 2014-09-10 at 05.40.52 pm.png
    549.4 KB · Views: 828
  • Screen Shot 2014-09-10 at 05.41.03 pm.png
    Screen Shot 2014-09-10 at 05.41.03 pm.png
    395.8 KB · Views: 927
last post, i promise ;)
 

Attachments

  • Screen Shot 2014-09-10 at 05.41.26 pm.png
    Screen Shot 2014-09-10 at 05.41.26 pm.png
    279.5 KB · Views: 557
  • Screen Shot 2014-09-10 at 05.41.17 pm.png
    Screen Shot 2014-09-10 at 05.41.17 pm.png
    181.4 KB · Views: 882
  • Screen Shot 2014-09-10 at 05.41.11 pm.png
    Screen Shot 2014-09-10 at 05.41.11 pm.png
    252.3 KB · Views: 581
Hello guys.
I am very new to this forum, and also very new with mac. I just have it for 5 days ago. it is Mac Book Pro 17" mid 2009. My friend gave it to me, because he thought the screen is dead. but it's still work with external monitor. So, I think it is not the GPU, so I think I can still using it.
because I am very enjoying to repair my things so I think I will give it a go, though I am not know anything about Mac, well here it is, I found this thread. it's really helping me. thanks for the thread starter Dadioh.

so I just opened it and just found the fuse and it is blown. tested it. but my another problem is I can't order the fuse substitude or buying it online, I don't have much money, don't have credit card or similar to that. and I believe it is not in any electronic part store.

my question is.. is it possible to salvage from PC Motherboard? any one ever tried this?
because I knew if I just solder it without the fuse it is very bad idea.


or anyone have spare one, and willing to give it to me.


any kind of respond will be appreciated.

thanks all.
 
What a great thread with lots of useful info. Thanks to all who have contributed so far.

I have a mid-2010 15" MBP. The screen stopped working, so I opened it up and cleaned the LVDS connector, which looked pretty corroded in the top left (the side closest to the rear of the case). After cleaning and an SMC reset, the screen started working again without the backlight. An external monitor also works fine.

The pins indicated here are corroded away:
https://forums.macrumors.com/attachment.php?attachmentid=319982&d=1326598884

Here's the back side of my logic board:
http://i.imgur.com/UgGtiu2.jpg

I tested the fuse shown here and got continuity and 0 resistance:
https://forums.macrumors.com/attachment.php?attachmentid=489861&d=1410367544

My multimeter is nowhere fine enough to test pins on the L8545SQ chip.

What should I do next? Is there a way to test whether those corroded pins on the LVDS connector are the problem, and if so, can I replace the connector on the logic board? Or otherwise fix the traces or something?
 
0 VOLTS Readed

Fuse is blown. If it was good then on the 20 ohm scale you would read 1 or 2 ohms depending on the quality of your test leads. Ideally it is 0 ohms but touch your two test leads together on 20 ohm scale and that is the minimum you can read. I assume on your meter that the "1" is left justified so it indicates over range.

The fuse is an 0603 size and should be rated at 3 Amps.

Dear Dadioh

Before anything thanks for your promts in this great forum.

I Have a Mac A1278 backlight issue, yesterday I made some measures (see pic attached) and I've got too much 0 Volts measure points, could you please give me some information about what voltage should I have had in componentes arround Wled IC.

Where can I find the following componets in Logic Board:

R9731
R9715
R9704





I have this logic board (Macbook pro 13'' Mid 2009) and I can't find the resistentces that enable wled pin3, is it located in the other board face?

there is anyone that can help me to find this components.



Best regards

PO
 

Attachments

  • macbookpro_A1278_PO_A1_V01.jpg
    macbookpro_A1278_PO_A1_V01.jpg
    1.5 MB · Views: 766
  • Schem A1278.png
    Schem A1278.png
    105.1 KB · Views: 688
Last edited:
anyone knows 2012 15" MBP where fuse is located?
all works, except LED backlight - due to liquid spill. i cleaned the logic board.
i can boot into to system and see desktop with the flashlight method.
 
Those are exactly the right fuse characteristics. Different manufacturers use different colors. The "P" indicates 3A I believe. These will work.

Replaced the 0603 fuse, still no backlight and the fuse is still reading megaohms, what could be the problem? I'm thinking that something is shortening the fuse but I'm not sure what...
 
Dear Dadioh

Before anything thanks for your promts in this great forum.

I Have a Mac A1278 backlight issue, yesterday I made some measures (see pic attached) and I've got too much 0 Volts measure points, could you please give me some information about what voltage should I have had in componentes arround Wled IC.

Best regards

PO

Hi there,

I have this logic board and I can't find the resistentces that enable wled pin3, os this located in the other board face, there ia anyone that can help me to find this components.

Best regards

PO
 
Last edited:
macbook a1465 emc2631

hi guys, could you please be so kind to send me the board view file and/or the pdf with the schematics for a macbook a1465 emc2631! Thanks a lot,

fede.
 
820-3435 schematics

820-3435 schematics
 

Attachments

  • 820-3435 J41_MLB_051-9795_resolved.pdf
    1.4 MB · Views: 6,462
What a great thread with lots of useful info. Thanks to all who have contributed so far.

I have a mid-2010 15" MBP. The screen stopped working, so I opened it up and cleaned the LVDS connector, which looked pretty corroded in the top left (the side closest to the rear of the case). After cleaning and an SMC reset, the screen started working again without the backlight. An external monitor also works fine.

The pins indicated here are corroded away:
https://forums.macrumors.com/attachment.php?attachmentid=319982&d=1326598884

Here's the back side of my logic board:
http://i.imgur.com/UgGtiu2.jpg

I tested the fuse shown here and got continuity and 0 resistance:
https://forums.macrumors.com/attachment.php?attachmentid=489861&d=1410367544

My multimeter is nowhere fine enough to test pins on the L8545SQ chip.

What should I do next? Is there a way to test whether those corroded pins on the LVDS connector are the problem, and if so, can I replace the connector on the logic board? Or otherwise fix the traces or something?

Here's my LVDS connector. The leftmost pins on the connector mounted on the board look corroded. I was able to get continuity between the 3 left pins (I think, it's really hard to target them with my probe). I also got 12V between any of those 3 pins and the ground to the left of the connector. Does this mean the WLED driver is working, if there's 12V there? But if there's 12V there, why aren't I getting a backlight?

Help!
 

Attachments

  • IMG_5095.JPG
    IMG_5095.JPG
    557 KB · Views: 460
hi guys

i have a weird prb i searched it over and over, i didn't find the same issue...

So here i go ...

about 1 year ago i had the fuse burned because of water spill, so i just soldered the pin together , all was perfect till 1 month ago when this time my cat spilled water on it.

Now the actual problem i replaced 3 screens, 3 cables all new, but my backlight is not working like it should... is working till 4 dots on the slider if i press the 5th time is like on the 1st dot.

Here is my laptop to see exactly what i mean : https://www.youtube.com/watch?v=1Z0LsgiRDD8

Anybody has any ideea?
 
Last edited:
Looking for 820-2523-B board view

One small request to this most helpful forum:
Does anyone have the board view file for the 820-2523-B mother board?
I have one of these boards where the backlight is gone.
What is the easy way to test these boards without building it back into the Mac every time?
cheers / Harald
 
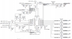
Is there any soul out there who could tell if my WLED driver has a permanent short and needs to be replaced?

My Logic Board:
 

Attachments

  • Qkn7Ge.png
    Qkn7Ge.png
    1.5 MB · Views: 5,211
Last edited:
Here you go...

Thank you, but i already got.... Thanks Anyway for taking the time

----------

hi guys

i have a weird prb i searched it over and over, i didn't find the same issue...

So here i go ...

about 1 year ago i had the fuse burned because of water spill, so i just soldered the pin together , all was perfect till 1 month ago when this time my cat spilled water on it.

Now the actual problem i replaced 3 screens, 3 cables all new, but my backlight is not working like it should... is working till 4 dots on the slider if i press the 5th time is like on the 1st dot.

Here is my laptop to see exactly what i mean : https://www.youtube.com/watch?v=1Z0LsgiRDD8

Anybody has any ideea?
Have you checked underneath the wled chip for corrosion? You may need to reball or replace it...
Also check the inductor, capacitor nearby.. Is it clean??
The LCD connector pins on the board is clean?
 
You should get a beep across the fuse, what is your board number?
edit (ok board is 820-2915), can you open the board view?
schematics and board view with viewer, run inside wine. (thanks to nicoar10.)
https://www.dropbox.com/sh/7mj8l0m0iei05vn/AADgGAmptdBdhXBkxM3OV-9ca
those boards are known for having GPU issues.

As I mentioned earlier in my post, the fuse is blown. I replaced the old blown fuse with a new one and it got blown AGAIN since there is a short to ground, I assume. I can open the schematics 820-2915, page 88 (LP8550) but its impossible for me to understand any of that, maybe you could help me?
 
As I mentioned earlier in my post, the fuse is blown. I replaced the old blown fuse with a new one and it got blown AGAIN since there is a short to ground, I assume. I can open the schematics 820-2915, page 88 (LP8550) but its impossible for me to understand any of that, maybe you could help me?

can you post a pic of where you saw the spark? also lvds connector.?
 
Last edited:
Register on MacRumors! This sidebar will go away, and you'll see fewer ads.