Become a MacRumors Supporter for $50/year with no ads, ability to filter front page stories, and private forums.
Best idea is to replace it, yes. If you short it, you maybe damage other components.

hi again yes i decided to just go ahead and solder both points just to be sure as hell the back light would come on before i buy the fuse i couldn't resist
trying :) but unfortunately doing so hasn't changed a thing laptop boots perfectly fine just no back light do you have any other suggestions on where i should test ?

thanks again :):)
 
Drawing board and schematics for a MacBook Pro i7 Mid2012

Can anybody send me the drawing board and schematics for a MacBook Pro i7 Mid2012? My problem is no display backlight, and don't know from where to start checking. Please help!!!
 
Hi Louis,

Thanks alot for the reply..

The model no of the board is 820-3332-A

I have attached an image of the the chips around the wled driver chip and the chip itself. I'm not sure if this is the area i should be looking at.

The only problem i have is a condition that doesn't really lend to steady hands like i use to have and micro soldering wasn't a problem. My brain still love this sort of investigation but parts of my body are no longer capable.

If i need to check the WLED driver chip i will need to find someone in the UK to try and fix this for me as its now beyond my capability unfortunately...

Does anyone know of a really good technician that could possible repair this for me, i have replaced the complete top of the macbook rather than attempt to replace just the screen. I could take it into Apple and ask them but they will probably just replace the whole logic board for £600.

There have never been any liquid near this laptop ever, so hopefully it has a better chance to be repaired...

PS Louis love your videos, especially the last one about health... spot on

Thanks

Ian

Take into an Apple store or call Apple support, it may be covered under Apple's new repair plan for 2011 -2013 Mac Book Pro's with GPU issue's.
If It's not covered Louis Rossmann in New York City does GPU replacement's, he has several you tube video's on using a BGA Re-workstation to reball a 2011 Mac Book Pro and install a newer revison GPU.
https://www.apple.com/support/macbookpro-videoissues/
 
I have a A1370, 820-3024-b MBA with no backlight, firstly I changed the blown fuse and now I'm getting 8v either side, but still no BKLT. I've done some measuring and I've noticed that the Q9706 MOSFET isn't giving out any voltage. Pin 3,4 (in) 8v pin 1,2,5,6 0v. With the Q9706 removed I am getting gnd on the output pins so I'm thinking of changing the LP8550 but before I do, I have a question: The input to q9706 pin 3,4 is 8v, but I'm not getting any output from 1,2,5,6. which in turn sends power to the LP8550. Do you think it could be the Q9706 is at fault?
 

Attachments

  • Image2.jpg
    Image2.jpg
    81.7 KB · Views: 993
Last edited:
What are these voltage readings telling me about this circuit?

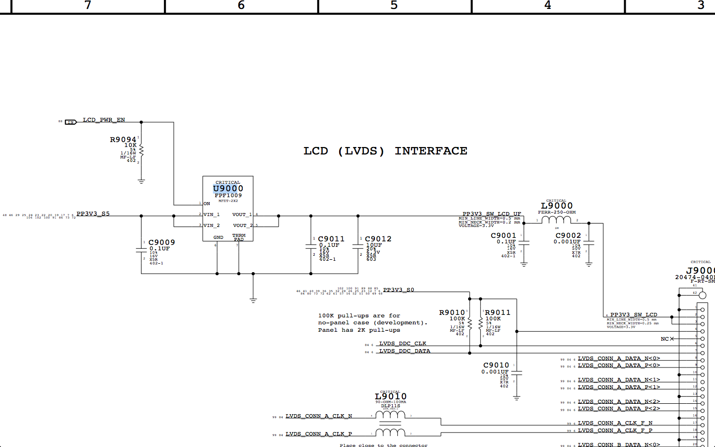
I am backtracking no PPV3_SW_LCD on an 820-2914 board with no video or LCD enable after an LVDS connector, LVDS cable replacement and backlight fuse replacement due to liquid spill.

R9678 and R9676 read 4.7K and 100K respectively.

Any thoughts appreciated.

https://forums.macrumors.com/attachment.php?attachmentid=461410&stc=1&d=1392675210


So now I'm trying to figure out how and when U9600 GMUX generates LCD_PWR_EN.

tswartfiguer

Thanks for your reply. I originally thought U9000 might be bad because of that .12V i was seeing on pin 1. I have the 3.3V on pins 2 and 3. When I removed U9000 pin 1 was still at .12V.

It looks like that U9000 pin one enable voltage originally comes from U9600 GMUX as an output from U9600 PB19B.

Where I am right now is trying to figure out what U9600 wants to see to turn on the LCD power enable voltage that ends up at U9000 pin 1.

As an overview, after replacing the LVDS connector, LVDS cable and backlight fuse there is no PP3V3_SW_LCD to the lcd.

PS I get my schematics and board views from Ray. He seems like a nice guy. I thought about joining their club of experts just for help with this board.

Has anyone tried to track the LCD enable signals for the IG circuits on the 2011 MBP?

It looks like U1800 might send LVDS_IG_PANEL_PWR over to U9600 GMUX and GMUX sends out LCD_PWR_EN that ends up at U9000 and on to PP3V3_SW_LCD.

Without PP3V3_SW_LCD I am wondering if SMC? can even “See” that the LCD display is connected.

Obviously still trying to understand this chain of events that end up enabling and sending video over to the LCD.

Any insights appreciated.

Thanks

Have you solved this problem?
I have the same problem ..... unfortunately, u9600 (gmux) is a cpld
with no documentation at all so try to understand why it doesn't
genererate lcd_pwr_en it's very difficult ..
 
Last edited:
I have an a1297, mild water damage while it was off (was dried out and drained, about 10cl water, total), everything works fine, except the backlight (tested with external monitor via mDP). I'm guessing the WLED driver IC & backlight fuse need to be replaced - but i cant find if this is an LP8550 or LP8545SQX. Simple enough job to replace it? I live in the UK and finding a reputable service is...hard. Lots of eBay sellers, and a few professional places that have 0 feedback that i can find.

Thanks in advance :)

Also - if anyone has the A1297 boardview & schematic... :rolleyes:
 
2009 17" MBP - Only 1 USB port working

I have a 2009 17" MBP (A1297), with only one of the 3 USB ports functioning.

Any ideas on what to do to remedy this.

Thanks
 
Model not sure but it's a mac book pro 13" 2010
issue video but no backlight
where is the fuse located. My searches found similar pic but the fuse doesn't look the same. Where is it located?
 

Attachments

  • Screenshot_2015-04-11-14-02-48.jpg
    Screenshot_2015-04-11-14-02-48.jpg
    2.3 MB · Views: 3,576
Issue with LED backlight turning off after 10 seconds with macbook air 11.6?

Hi all.
First, this is a great post, amazingly long, and amazingly detailed, with lots of great fixes.
I've had a read through many of these pages, but cannot find someone with the same issue I'm having.

I've been trying to repair a macbook air 11.6", and somehow managed to remove the bezel and the glass without damaging the polarizing layers or getting them too dirty.
However, when I connected the new screen I bought from ebay, and tested it prior to reassembly, it lights up fine, for about 10 seconds, then it turns off, and goes dim, while the system is still loading.
I know it can't be the fuse, as it would not turn the LED backlight on at all, and I'm guessing its drawing too much current somehow.

It could be a bad panel, which in this model has the backlight circuitry attached, or perhaps its a panel for another model macbook air... I did by it new about a year ago for another job, then decided it was easier to just replace the entire panel... but having it sitting there, I decided it was time to try to use it.

Any suggestions from anyone?
Just to reiterate, when I power it on, all the LED's power up (very brightly, I might add, with the panel laying flat on the keyboard, but after approx 10 secs, the LED's go out, although the LCD panel still shows an image under lights.
It seems to happen just before the initial apple logo disappears, just before you get the login screen.
I've obviously rebooted it, with the same results.
Any help or advice greatly appreciated.
Josh.

----------

Hi kretek.
In regards to the lack of USB ports working, I don't really have a specific fix, but it may help.
Check each port visually, and then with the back cover off with a multimeter.
I've seen quite a few macbooks, and other notebooks, that either have non functional USB ports, and some that refused to power on at all, just because one of the ports was physically damaged - the 5v was pushed against the ground plate. If so, you should be able to straighten the damaged pin, and then isolate it so it wont do any further damage - ie, glue the port, or, ideally, desolder and replace the damaged port.

You've probably already checked this but thought it was worth mentioning just in case you haven't.

If its not a physically damaged port, then I'd be tempted just to use a cheap $10-20 USB hub via the one working port to give you the connectivity you need
Its probably a lot less hassle than trying to diagnose the issue.
Hope this helps.
Josh
 
820-2915

Hi,

I'm working on a 15" 2011 MBP 820-2915 board that has no backlight after liquid spill.

After replacing the LP8555 and R9704, it now has 25V on pins 38,39 and 40 on the LVDS connector but still no backlight.

I've just replaced the LVDS connector on the board and still no backlight. I know the display and backlight are working as I have tested with a working logic board.

Can any one suggest what I might be missing here please?

Thanks
 
Hi! I am from Spain and I have a macbook pro 13 5.5 mid2009 with no backlight.
I replaced the wled driver 8543sq and backlight no returned...

I think that the fuse is blow but i am not sure, the measure is about 6,5k or less and no beep...

I looked the fuse with my usb microscope and it seems broken.

My pictures:



this with low light:




Any idea?

Thanks! :)
 
Hi! I am from Spain and I have a macbook pro 13 5.5 mid2009 with no backlight.
I replaced the wled driver 8543sq and backlight no returned...

I think that the fuse is blow but i am not sure, the measure is about 6,5k or less and no beep...

I looked the fuse with my usb microscope and it seems broken.

My pictures:

[url=http://s7.postimg.org/h6hs523mv/posible_fusible2.jpg]Image[/url]

this with low light:

[url=http://s12.postimg.org/5xbdv7sjt/posible_fusible3.jpg]Image[/url]


Any idea?

Thanks! :)

You say that your not getting a bleep from the multimeter so the fuse is blown.

Check for a short on the track. Put you multimeter in diode mode and put you red probe on ground and black probe on both sides of the fuse. Tell me what you get.
 
Last edited:
Hi,

I'm working on a 15" 2011 MBP 820-2915 board that has no backlight after liquid spill.

After replacing the LP8555 and R9704, it now has 25V on pins 38,39 and 40 on the LVDS connector but still no backlight.

I've just replaced the LVDS connector on the board and still no backlight. I know the display and backlight are working as I have tested with a working logic board.

Can any one suggest what I might be missing here please?

Thanks
Do you see an image on the screen? Shine a torch through the back.
 
You say that your not getting a bleep from the multimeter so the fuse is blown.

Check for a short on the track. Put you multimeter in diode mode and put you red probe on ground and black probe on both sides of the fuse. Tell me what you get.

Hello Rickkap! It decrease in 0.5V, in one side of the fuse, my multimeter shows 0.4823V and 0.9672V in the other side.

Thank you so much for your time! :)
 
Hello Rickkap! It decrease in 0.5V, in one side of the fuse, my multimeter shows 0.4823V and 0.9672V in the other side.

Thank you so much for your time! :)

Ok so you don't have a short but with you saying you don't get any bleep then change the fuse and see how you get on.
 
Update

Hi,

I'm working on a 15" 2011 MBP 820-2915 board that has no backlight after liquid spill.

After replacing the LP8555 and R9704, it now has 25V on pins 38,39 and 40 on the LVDS connector but still no backlight.

I've just replaced the LVDS connector on the board and still no backlight. I know the display and backlight are working as I have tested with a working logic board.

Can any one suggest what I might be missing here please?

Thanks


Just a quick update to let you know I got this one working. After a bit more reading I understand that the LP8555 not only boosts the backlight voltage, but is also responsible for switching the return path to ground for each of the LED lines.

This was not happening with my logic board which is why the backlight wasn't working. It turns out there was a short on the BKL_PWM line which meant it was less than 1V rather than the 3V3. I removed the components on this net but it was still about 50ohms to GND so seems like the short is under U9600 which is a BGA.

The PWM signal was still present on this line but as the LP8555 requires at least 2V2 for a high signal, it was not able to detect the PWM input, so was not switching the return lines to GND.

Connecting 3V3 to the BKL_PWM input enabled the backlight at full brightness but I had some flickering. I built a comparator circuit to boost the 1V PWM signal to 3V3. This allowed the backlight to be dimmed using the normal keyboard controls but there was still some flickering with the back light. Seems like there is some other fault with this circuit, probably as a result of me replacing the LP8555.

Anyway as a work around I have connected 3V3 to the BKL_PWM input so it is constantly on full brightness. I have also removed all 6 of the current sense resistors from the LED return lines, and have connected the return lines to GND using a resistor on each one, which effectively bypasses the LP8555 controlling the return switching.

I'm not able to control the brightness using the keyboard anymore, but at least it works!
 
13" Macbook Pro early 2012 A1278 Backlight

This thread is the best I've seen by far. please take a look at the photos I have. where there should be white dots around the chip I have black. There was a small liquid spill. The Screen works (based on flashlight) but the backlight is out. Also the keyboard backlight works, but has obvious hotspots (brighter).. Would this mean I need to replace the chip?

Thanks for the help everyone!!!

IMG_1762.JPG

IMG_1766.JPG
 
This thread is the best I've seen by far. please take a look at the photos I have. where there should be white dots around the chip I have black. There was a small liquid spill. The Screen works (based on flashlight) but the backlight is out. Also the keyboard backlight works, but has obvious hotspots (brighter).. Would this mean I need to replace the chip?

Thanks for the help everyone!!!

Start by checking if the fuse is blown. That is the yellow device with the "P" on top. If it is not zero ohms then replace it with another 3A fuse.

Keyboard backlight is often uneven after liquid spill. You can find new backlights on eBay fairly cheap so just replace it.
 
Thank you so much and I'm sorry for the late response. I finally got around to test. The P fuse comes back to 0 which makes me think it's fine. If you look at the first picture there is a row of small fuses that all tested 0 except for the top (6th from the bottom) it's measuring like a 607. Is this a blown fuse? Maybe the culprit?
 
Thank you so much and I'm sorry for the late response. I finally got around to test. The P fuse comes back to 0 which makes me think it's fine. If you look at the first picture there is a row of small fuses that all tested 0 except for the top (6th from the bottom) it's measuring like a 607. Is this a blown fuse? Maybe the culprit?

Dude - There's only one fuse on the board with is labelled with a P on it. The components on the first picture are either resistors or capacitors. You'll need start looking at the schematics and check the value's of them now.
 
Dude - There's only one fuse on the board with is labelled with a P on it. The components on the first picture are either resistors or capacitors. You'll need start looking at the schematics and check the value's of them now.

OK, I feel like I've tried it all, is there a way to test the chip? I've tried a second working screen and confirmed the screen is working. Anyone have any other tips? One other thing, I checked a few schematics and on my version it's showing the Fuse doesn't have a P on it.. Is this possible?
 
OK, I feel like I've tried it all, is there a way to test the chip? I've tried a second working screen and confirmed the screen is working. Anyone have any other tips? One other thing, I checked a few schematics and on my version it's showing the Fuse doesn't have a P on it.. Is this possible?

Are you sure you have checked the fuse. It has a 'P' marked on it. 2nd picture next to the LVDS connector (large 30 pin connector). You were checking resistors/capacitors.
 
Are you sure you have checked the fuse. It has a 'P' marked on it. 2nd picture next to the LVDS connector (large 30 pin connector). You were checking resistors/capacitors.

According to the macrumor fuse location thread my fuse is not marked with a "P" Here's the image from the blog.. I did test this fuse location and confirmed it's blown as it's pushing 604.

fuse.JPG
 
According to the macrumor fuse location thread my fuse is not marked with a "P" Here's the image from the blog.. I did test this fuse location and confirmed it's blown as it's pushing 604.

View attachment 554692

The arrow is pointing to the Backlight Driver
The square box in your picture is either a resistor or capacitor

None of these are the fuse.

Look at this picture, I hope this is your board, if it is you will need to change or check the LVDS Connector as it look contaminated.

The fuse has a 'P' on it.... check it with a multi-meter in Resistance mode and tell me what you get!"!!"!

Rick
 

Attachments

  • attachment.jpg
    attachment.jpg
    220.6 KB · Views: 1,354
Last edited:
This thread is the best I've seen by far. please take a look at the photos I have. where there should be white dots around the chip I have black. There was a small liquid spill. The Screen works (based on flashlight) but the backlight is out. Also the keyboard backlight works, but has obvious hotspots (brighter).. Would this mean I need to replace the chip?

Thanks for the help everyone!!!

View attachment 551716

View attachment 551717

Looking at the board it has liquid problems around the weld chip you will need to replace that, if you have 12 Volts at the fuse 90% sure. to the left of LVDS 6 pin chip looks to have lost 2 legs ? Q4262 fire wire. Do you have hot air station ? you will need this to sort this board.

Dadioh so right about key board back light you can spend a lot of time on this taking it out and putting it back and still no good. Get a new one.

south657

----------
 
Last edited:
Register on MacRumors! This sidebar will go away, and you'll see fewer ads.