Hey,hello... I use my MBP 13 (A1278) with an external display since 2009, when I had a liquid accident. I don't have the backlight working, but all the rest is ok, I even see a faint image in the display. I don't know how to test the logic board components, and I don't have anywhere so send it (just apple). So, today I tried to connect the LVDS directly to a power source of 24V. Well... I was great, I could see the display working, with backlight.

Now, just a few questions, please...
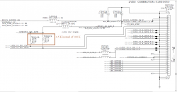
I connected the 21+22 pins of the LVDS cable to the positive terminal (I had attention to the coax shield), and the 24 pin to the negative. It worked, but then I saw some dark vertical bands on the bottom of the display.
More or less like this (it's not my MBP):
Image
What can be causing this? Are the LED's connected with several rows, and maybe one row isn't working? I know that the pins 24 to 29 are the return lines. I must connect all of them to the negative terminal of my power source? Can it be the problem, because I just have one pin connected?
Thanks.