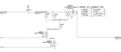
I have a MacBook Pro 13" that lost the backlight during a spill but also lost the ability to charge. The computer works fine on battery but won't charge. Most of the posts in this thread are related to the backlight issues common with spills but I haven't seen any mention of power issues. Has anyone tackled anything like this?
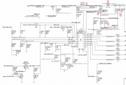
I have another thread on SMC issues that contains some info on the charging system. Check it out below.
https://forums.macrumors.com/threads/1122338/
