Hello Dadioh,
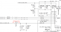
My macbook works good exсept backlight. Reading this thread I can find a backlight fuse (it's dead) and leddriver (looks like working - only 6 pins beeps to ground) but my LCD connector is badly looking (see pics). What could cause this damage? Does anybody seen this before? And if I replace LCD cable and fuse will it work? Sorry for my bad language, I'm from Russia)))
Looks like liquid damage. You should replace the cable but also check the LVDS connector on the logic board. If you look inside the connector with magnification you may see corrosion in there as well. In that case you would need to replace the connector as well.






